EasyManua.ls Logo

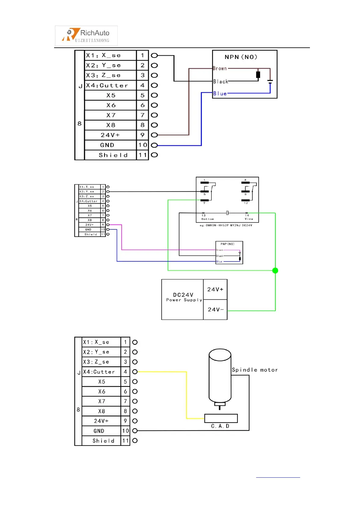
RichAuto A11 - 2. Tool-setting input:Tool-setting detecting wiring:

RichAuto A11
68 pages
Print Icon
To Next Page IconTo Next Page
To Next Page IconTo Next Page
To Previous Page IconTo Previous Page
To Previous Page IconTo Previous Page
Loading...
RichAuto S & T Co., Ltd
Add: 5th
floor, No.4 building, No 4. Yard, life Rd, life science park, beiqing St., changping district Beijing, China
Tel010-53275118 Fax010-53275110/53275111 Web sitewww.richnc.com.cn
19
c) PNP(NO) : X and Z are the same as Y
2. Tool-setting input:Tool-setting detecting wiring
3. X5-X8 Driver alarm,Hard limit,E-stop signal

Related product manuals