EasyManua.ls Logo

RichAuto A11 - Page 26

RichAuto A11
68 pages
Print Icon
To Next Page IconTo Next Page
To Next Page IconTo Next Page
To Previous Page IconTo Previous Page
To Previous Page IconTo Previous Page
Loading...
RichAuto S & T Co., Ltd
Add: 5th
floor, No.4 building, No 4. Yard, life Rd, life science park, beiqing St., changping district Beijing, China
Tel010-53275118 Fax010-53275110/53275111 Web sitewww.richnc.com.cn
21
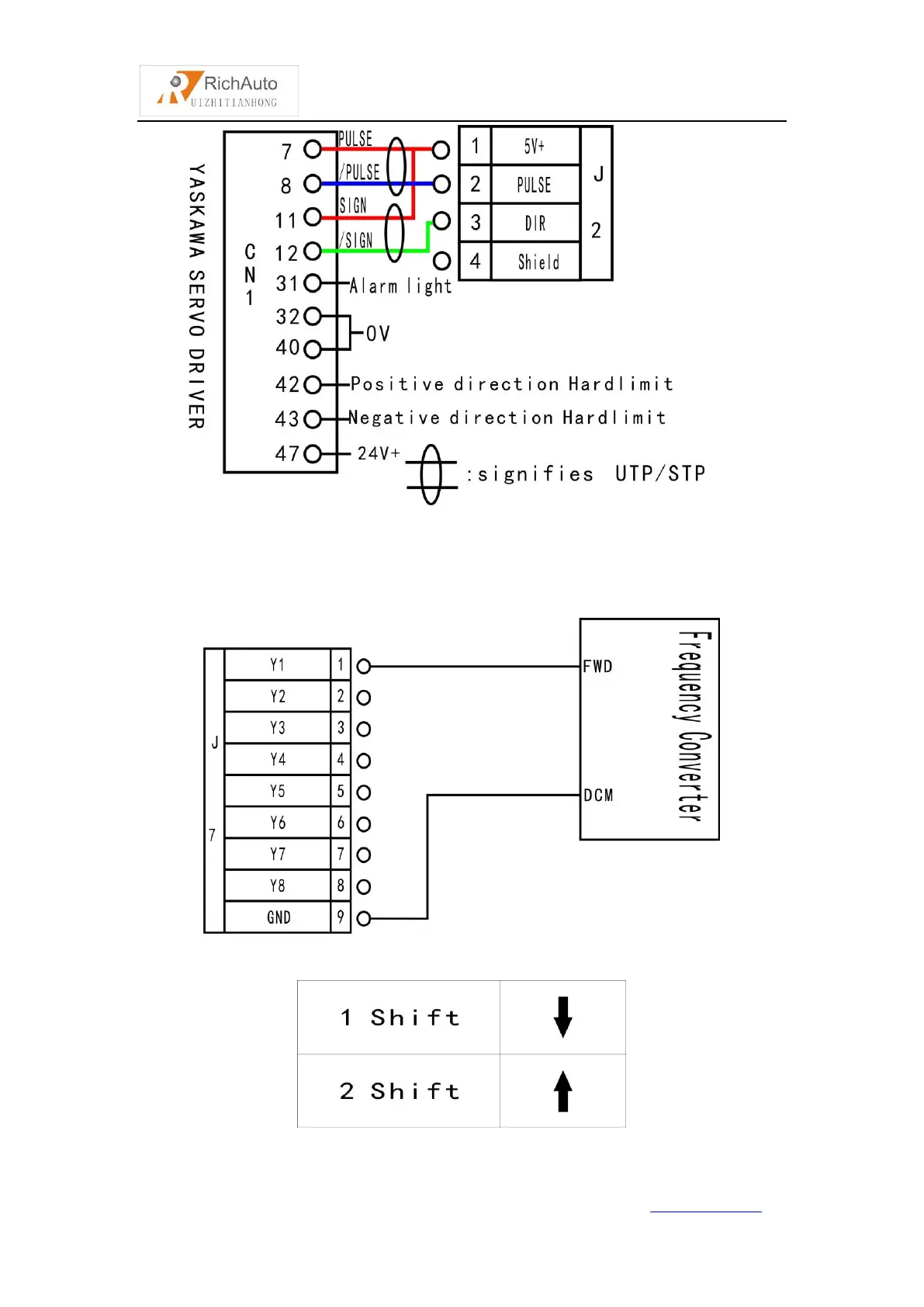
J7 Spindle output
2 statusspindle start/stop
the corresponding spindle setting is:
8 statusspindle start---S1speed 1S2speed 2Snspeed nwhen spindle stop

Related product manuals