EasyManua.ls Logo

Rockwell Automation Allen-Bradley PowerFlex 755TS Series

Rockwell Automation Allen-Bradley PowerFlex 755TS Series
196 pages
To Next Page IconTo Next Page
To Next Page IconTo Next Page
To Previous Page IconTo Previous Page
To Previous Page IconTo Previous Page
Loading...
184 Rockwell Automation Publication 750-TG101A-EN-P - June 2022
Appendix B Schematics
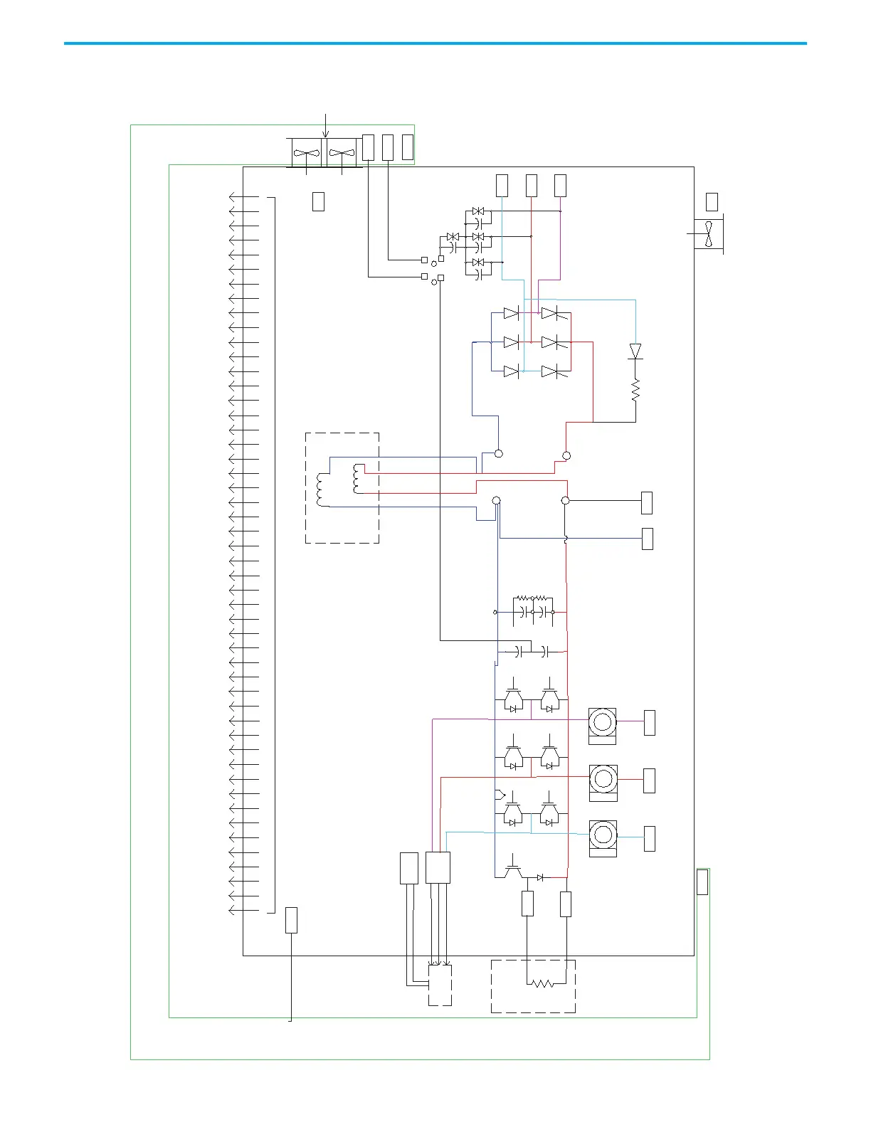
Figure 13 - PowerFlex 755TS Frame 5 AC Input Drive
Power Board – For detailed schematic, see DIR 10001479359
Inverter IGBT
Section
Brake
IGBT
Section
Converter Diode
Section
NTC
Three Phase
A.C. Input
Common Bus
Power Connections
Three Phase A.C. Output
External
Brake
Resistor
Connections
Chassis
PE
Control Structure Interface: J1 – for detailed information see DIR 10001486836
R/L1
S/L2
T/L3
TB1-1
TB1-2
TB1-3
PE-B
POUT
PIN
NOUT
NIN
TB1-6
TB1-7
TB1-8
TB1-9
TB1-10
U/T1
V/T2
W/T3
BR1
BR2
TB1-4
TB1-5
50 Pin Connector To Control Structure
PE-A
PE
ISENSE
ISENSE
ISENSE
Motor
Ground
PE-A
PE-B
Chassis
Chassis
Chassis
E2
DC Link Choke
DC+
DC-
Input
Ground
PE
Heat sink fans
Precharge
Relay
Internal Stirring
fan
TAM
(Option)
J4
TAM Power
J8
J2
J3
From SMPS
Ground Connector
From 50 pin
connector
Optional
Brake
Resistor

Table of Contents

Related product manuals