EasyManua.ls Logo

Rockwell Automation Allen-Bradley PowerFlex 755TS Series

Rockwell Automation Allen-Bradley PowerFlex 755TS Series
196 pages
To Next Page IconTo Next Page
To Next Page IconTo Next Page
To Previous Page IconTo Previous Page
To Previous Page IconTo Previous Page
Loading...
Rockwell Automation Publication 750-TG101A-EN-P - June 2022 187
Appendix B Schematics
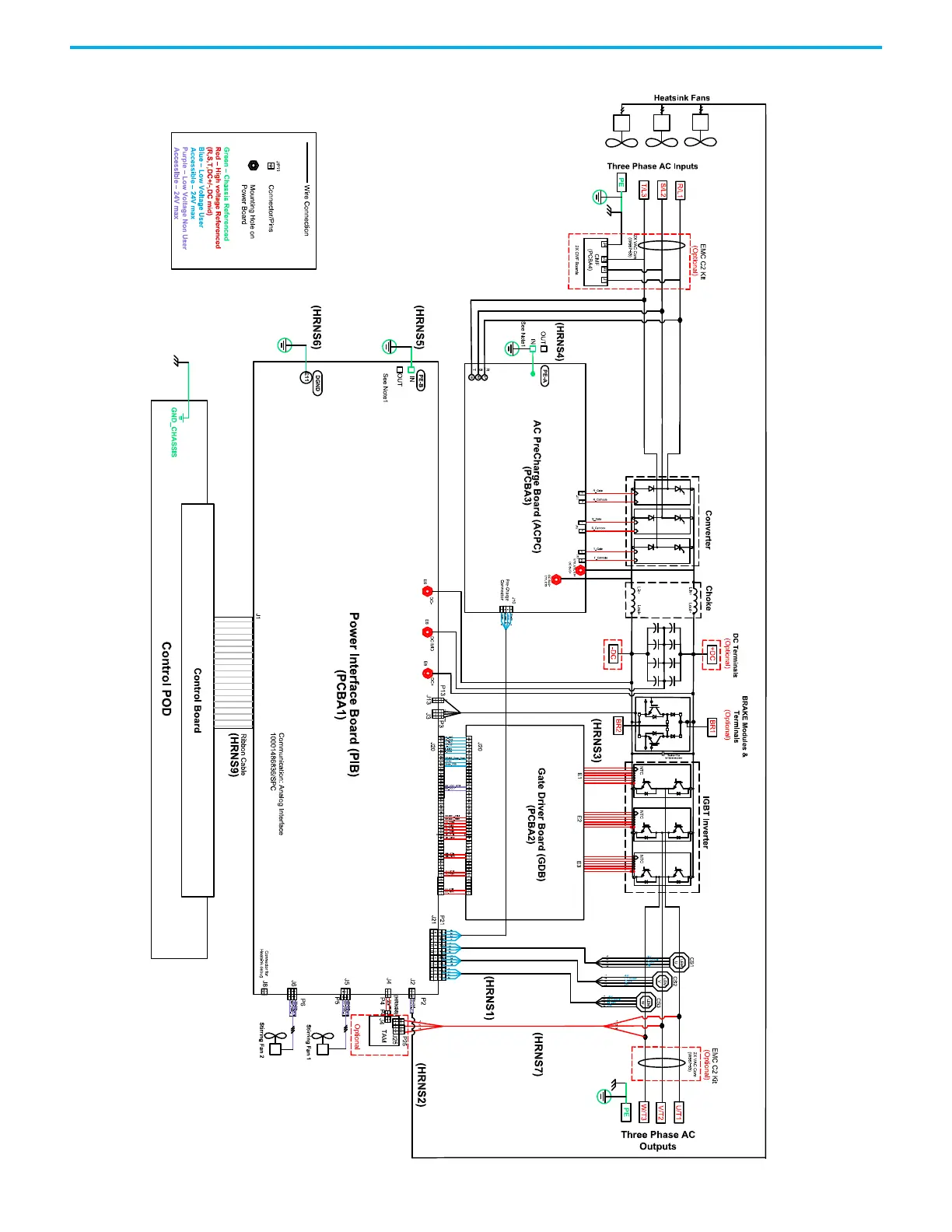
Figure 16 - PowerFlex 755TS Frame 7 AC Input Drive

Table of Contents

Related product manuals