EasyManua.ls Logo

Sakai TW352 - Hydraulic Circuit Diagram (SW352)

Default Icon
176 pages
Print Icon
To Next Page IconTo Next Page
To Next Page IconTo Next Page
To Previous Page IconTo Previous Page
To Previous Page IconTo Previous Page
Loading...
2-014
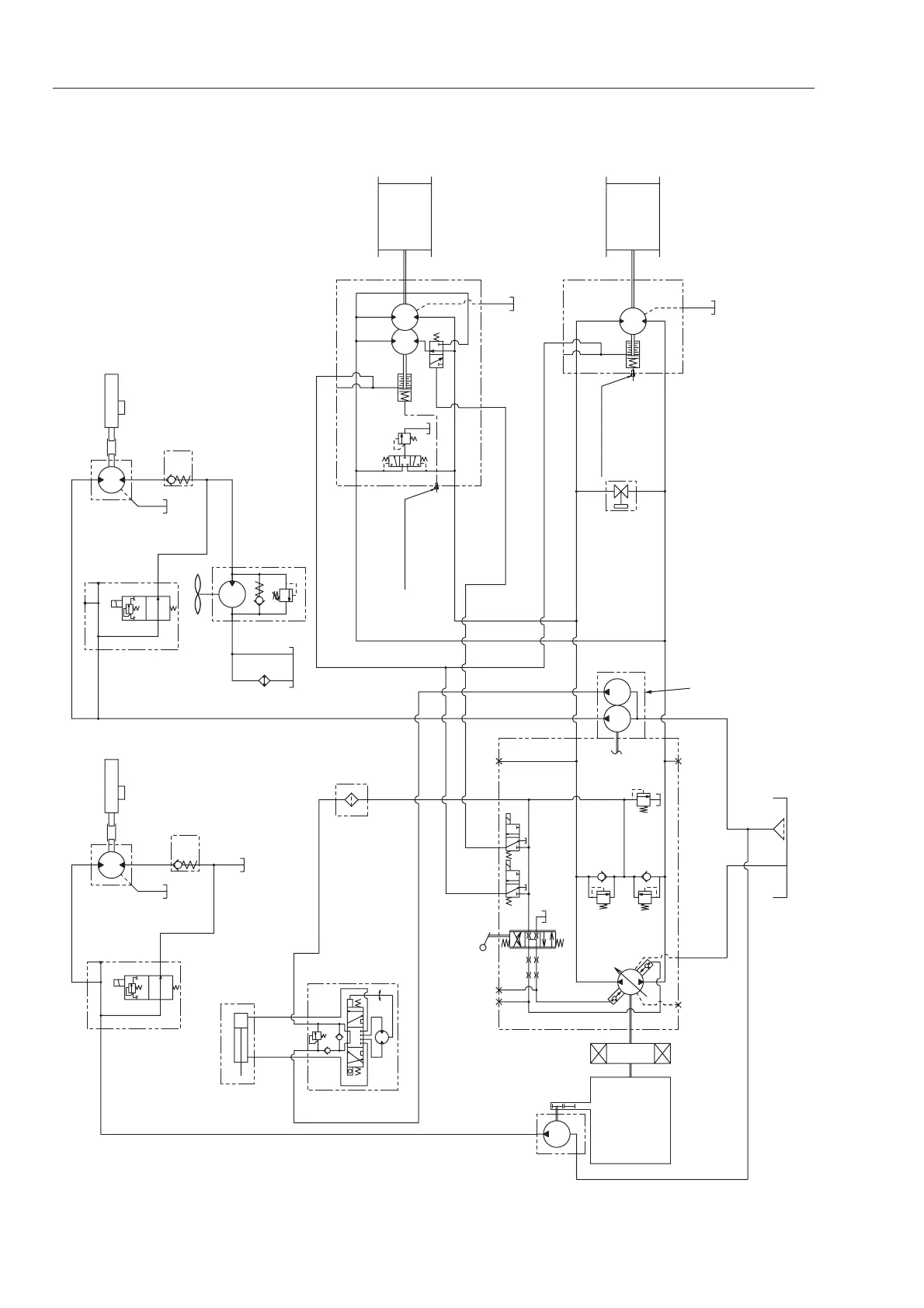
Description and Operation of Hydraulic System
Rc1/2
Rc1/2
Rc1/2
Rc1/2
Brake release bolt
M10×1.5-L25
0.4MPa
A
B
7/8-14UNF
10.8
cm
3
/rev
7/8-14UNF
9/16-18UNF
20.6kN/3300min
-1
A
12.7MPa
P
T
B
12.87
cm
3
/rev
PTO i=1.17
Rc3/8
Rc3/8
M2
M1
1.67
~
1.86MPa
0.6MPa
0.6MPa
A
232
cm
3
/rev
232
cm
3
/rev
465
cm
3
/rev
9/16-18UNF9/16-18UNF
T
BP
G1
10.8
cm
3
/rev
7/8-14UNF
9/16-18UNF
7/8-14UNF
B
A
20.6kN/3300min
-1
FRONT
0.4MPa
12.7MPa
4-3/4-16UNF
RTPL
100cm
3
/rev
13.5MPa
φ
50X
φ
25X220ST
1.5MPa
B
A
X
105μ
12.5
cm
3
/rev
15.0
cm
3
/rev
B
A
X
L1
Brake release bolt
M10×1.5-L25
1 1/16
-12UN
1 1/16
-12UN
1.5MPa
10μ
3/4-16UNF
D
A
B
φ
0.7
φ
0.7
φ
0.7
φ
0.7
28.0
cm
3
/rev
34.5MPa
(3.8
~
5.6L/min)
34.5MPa
(3.8
~
5.6L/min)
1.9MPa
(20L/min)
L2
1 1/16-12UN
5.0MPa
14.0
cm
3
/rev
1 1/16-12UN 7/8-14UNF
Front propulsion motor
Rear propulsion motor
Bypass valve
Front vibrator pump & steering/charge pump
Suction filter
Tank capacity 43 liters
Engine
KUBOTA D1503-KA
20.1 kw (27.3 PS)
/2300 rpm
Steering valve
(Orbitrol)
Steering cylinder
Rear vibrator motor
Check valve
Rear vibrator shaft
Check valve
Radiator fan motor
Front vibrator on-off solenoid valve
Front vibrator motor
Front vibrator shaft
Oil cooler
Line filter
Front drum
Rear drum
TW5022011
Rear vibrator
pump
Propulsion pump
Coupling
Rear vibrator on-off solenoid valve
2-1-4. Hydraulic circuit diagram (SW352)

Table of Contents

Related product manuals