EasyManua.ls Logo

Sakai TW352 - Steering Valve (Orbitrol)

Default Icon
176 pages
Print Icon
To Next Page IconTo Next Page
To Next Page IconTo Next Page
To Previous Page IconTo Previous Page
To Previous Page IconTo Previous Page
Loading...
2-049
Description and Operation of Hydraulic system
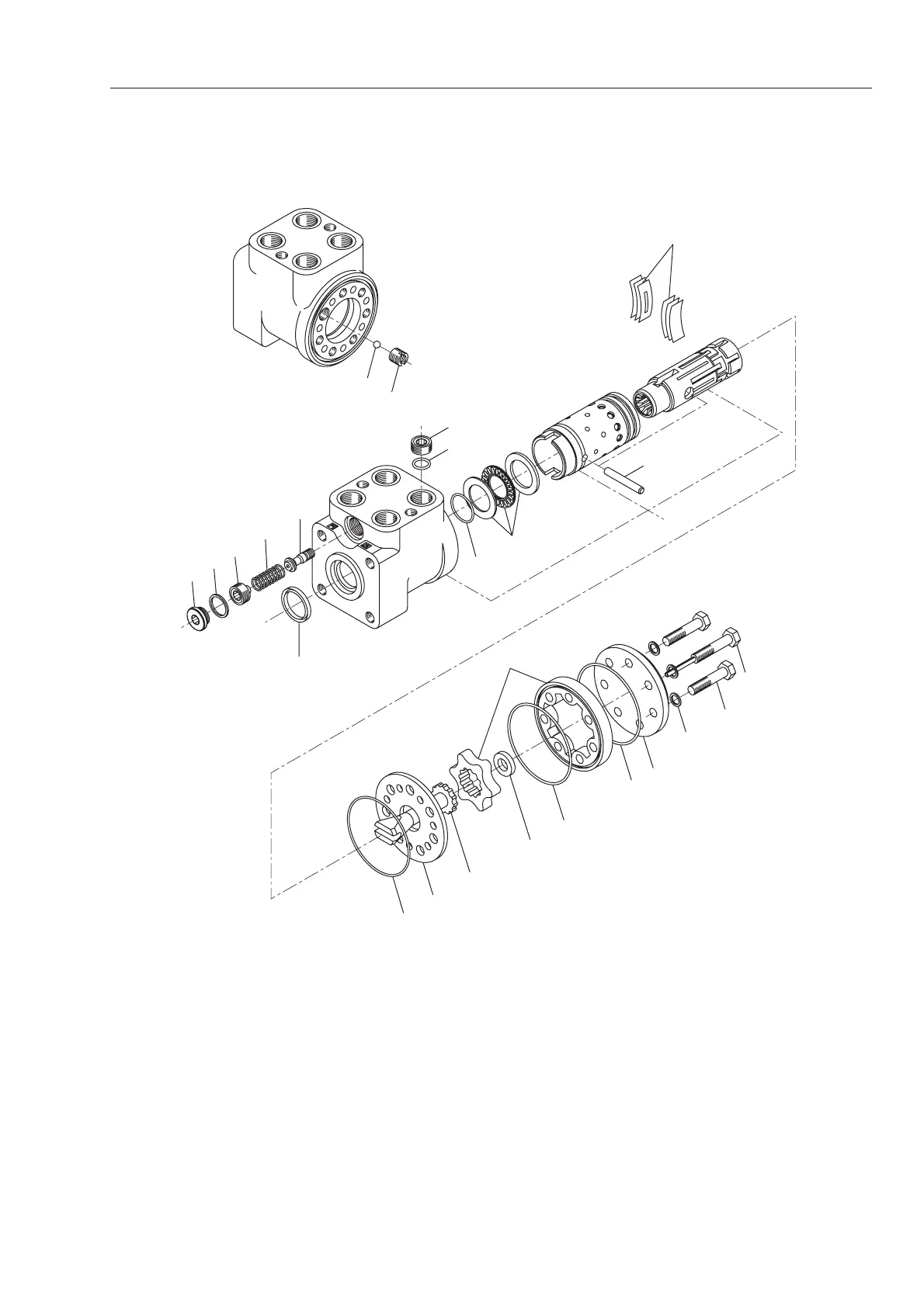
2-4-2. Steering valve (Orbitrol)
1. Dust seal ring
2.
Housing/spool/sleeve
assembly
3. O-ring
4. Bearing assembly
5. Spring
6. Cross pin
7. Drive
8. Distributor plate
9. Gerotor set
10. End cover
11. Bolt
12. Spacer
13. Bolt
14. Washer
15. O-ring
16. Bush
17. Check valve
18. Ball
19. Plug
20. Washer
21. Plug
22. Spring
23. Plunger
24. O-ring
25. O-ring
Technical data
Valve system: Open center non-load reaction
Displacement: 100 cm
3
/rev (6.1 cu.in/rev)
(SW352, TW352)
160 cm
3
/rev (9.8 cu.in/rev)
(SW502, TW502)
Relief valve setting: 13.5 MPa (138 kgf/cm
2
)
TW5022044
19
20
21
22
23
17
24
6
5
1
25
8
7
10
14
11
15
15
9
12
3
4
2
13
18
16

Table of Contents

Related product manuals