EasyManua.ls Logo

Sakai TW352 - Propulsion Circuit Diagram (TW352, TW502)

Default Icon
176 pages
Print Icon
To Next Page IconTo Next Page
To Next Page IconTo Next Page
To Previous Page IconTo Previous Page
To Previous Page IconTo Previous Page
Loading...
2-030
Description and Operation of Hydraulic System
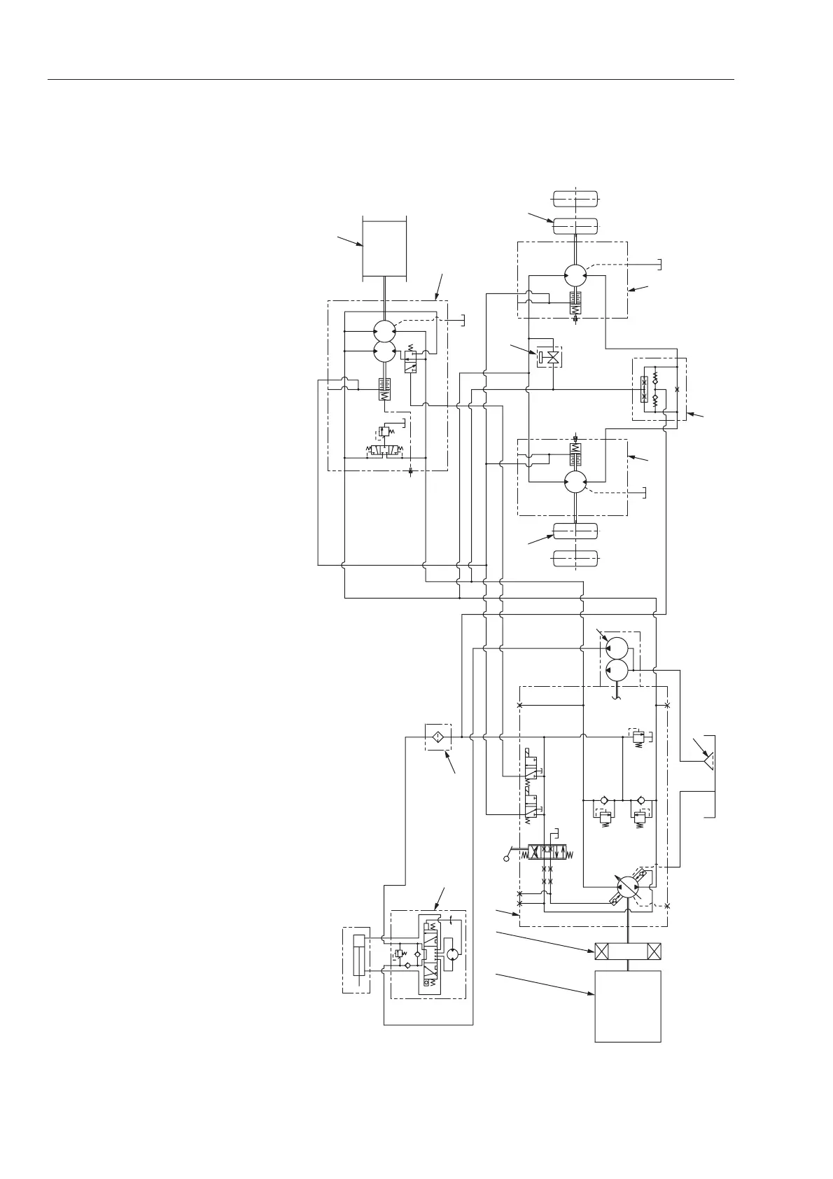
2-2-10. Propulsion circuit diagram (TW352, TW502)
TW5022030
6
5
14
X
X
X
11
1
2
3
a
m
e
f
b
cc
d
AB
15
4
8
7
9
10
A
i
k
h
j
g
B
B
AB
A
13
k
k
h
h
12
1. Engine
2. Coupling
3. Propulsion pump
a. Control valve
b. Servo piston
c. Multi-function valve
d. Charge relief valve
e. Brake release solenoid valve
f. Speed selector solenoid valve
4. Steering/charge pump
5.
Front propulsion motor assembly
(cam motor)
g. Speed selector valve
h. Spring-applied hydraulically
released brake
i. Flushing valve
j. Low pressure relief valve
k. Brake release bolt
6. Front drum
7. Left-hand rear propulsion motor
assembly (cam motor)
8. Left-hand rear wheel
9. Right-hand rear propulsion
motor assembly (cam motor)
10. Right-hand rear wheel
11. Steering valve (Orbitrol)
m. Pressure relief valve
12. Line filter
13. Differential lock valve assembly
14. Bypass valve
15. Suction filter

Table of Contents

Related product manuals