EasyManua.ls Logo

Sakai TW352 - Hydraulic Circuit Diagram (TW352)

Default Icon
176 pages
Print Icon
To Next Page IconTo Next Page
To Next Page IconTo Next Page
To Previous Page IconTo Previous Page
To Previous Page IconTo Previous Page
Loading...
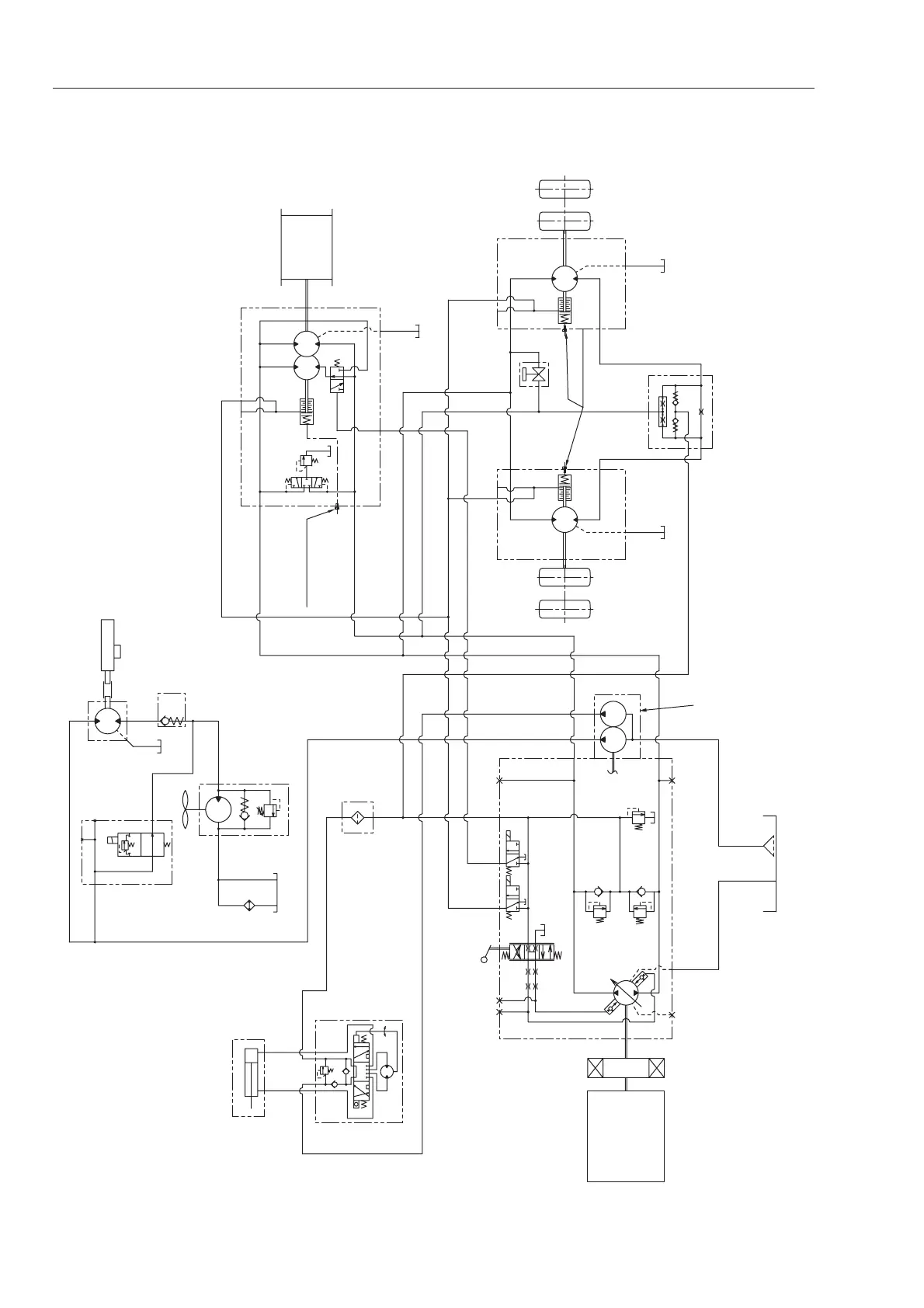
Description and Operation of Hydraulic System
2-016
TW5022013
Rc1/2
Rc1/2
Rc3/8
Rc3/8
0.034MPa0.034MPa
9/16-18UNF
C
3/4-16UNF B2 3/4-16UNFB1
3/4-16UNF
A
φ
1.0
M2
M1
D
1.67
~
1.86MPa
0.6MPa
0.6MPa
A
232
cm
3
/rev
232
cm
3
/rev
224
cm
3
/rev
224
cm
3
/rev
9/16-18UNF
9/16-18UNF
T
B
P
10.8
cm
3
/rev
7/8-14UNF
9/16-18UNF
7/8-14UNF
B
A
20.6kN/3300min
-1
0.4MPa
12.7MPa
4-3/4-16UNF
RTPL
100cm
3
/rev
13.5MPa
φ
50X
φ
25X220ST
X
B
A
1.5MPa
1.5MPa
B
A
X
105μ
12.5
cm
3
/rev
15
cm
3
/rev
B
A
X
Brake release bolt
M10×1.5-L25
1 1/16
-12UN
1 1/16
-12UN
1.5MPa
10μ
3/4-16UNF
A
B
28.0
cm
3
/rev
34.5MPa
(3.8
~
5.6L/min)
34.5MPa
(3.8
~
5.6L/min)
1.9MPa
(20L/min)
L2L1
1 1/16-12UN
5.0MPa
14.0
cm
3
/rev
1 1/16-12UN
7/8-14UNF
φ
0.7
φ
0.7
φ
0.7
φ
0.7
Rear propulsion motor (RH)
Rear propulsion motor (LH)
Bypass valve
Front vibrator pump & steering/charge pump
Diff. lock valve
Suction filter
Tank capacity 43 liters
Engine
KUBOTA D1503-KA
20.1 kw (27.3 PS)
/2300rpm
Steering valve
(Orbitrol)
Steering cylinder
Brake release bolt
M10×1.5-L25
Check valve
Radiator fan motor
Front vibrator motor
Front propulsion motor
Front vibrator shaft
Oil cooler
Line filter
Front drum
Rear wheel (RH)Rear wheel (LH)
Propulsion pump
Vibrator on-off solenoid valve
Coupling
2-1-6. Hydraulic circuit diagram (TW352)

Table of Contents

Related product manuals