EasyManua.ls Logo

Sakai TW352 - Electric Wiring Diagram (SW502)

Default Icon
176 pages
Print Icon
To Next Page IconTo Next Page
To Next Page IconTo Next Page
To Previous Page IconTo Previous Page
To Previous Page IconTo Previous Page
Loading...
2-061
SW502
FUEL PUMP
HYD.
FILTER
SWITCH
AV60
B
B
NC
NC
NO
COM
COM
NO
WG
GB
GB
BY
BY
RG
RG
SOL
HI
LOW
SOL
GR
G
GB
G
GR
RY
RY
RG
BrY
BrY
W
B
f
e
c
ba
BRAKE LAMP
RELAY
f
e
c
ba
3W
GY
RL
Y
RB
RG
BW
3
2
1
G
Lg
LW
GB
3R
LW
BrR
LgR LgW
3LY
LY
R
B
W
B
W
B
L
B
BW
W
YW
3LY
BrR
3LB
BrY
Br
RW
LW
RB
RW
Br
BrY
3LB
BrR
3LY
Or
WR
BY
YG
LgW
RY
WB
RY
3R
3R
WB
RB
3LB
3G
3BY
RB
3BY
5WG
8WY
3GW
5WR
G
GR
GR
G
GY
Or
2GB
2GB
Or
BW
L
RB
1
R
23
B
Or
B
B
B
AV60
PEDAL BRAKE
SWITCH
G
LIGHTING
SWITCH
1
4
2
3
6
5
R
B
R
LgW
BACK-UP
BUZZER
B
R
COMNONC
SPEED CHANGE
SWITCH
R
B
R
13
14
12
11
5
2
10
9
8
7
6
4
3
1
RL
Y
2Y
B
B
RG
5R
5WR
3GW
F/R LEVER SW.(R)
F/R LEVER SW.(L)
C
C
NO
NO
NC
NC
Br
Br
B
B
G
G
Br
Br
B
6
2
RL
RL
Br
BrR
VIBRATION LAMP
RELAY
B
B
YR
3
2
1
6
2
RL
RL
BrR
LgR
LgY
LgB
LgW
BrR
RL
HORN RELAY
GY B
3BR
3W
LgW
Br
RW
BrY
BrY
RW
YL
GY
INTER LOCK
RELAY
Lg RG
LW
LY
LR
YW
WL
Sb
YR
Br
GR
GB
YG
YB
WR
8WY
2Y
3BR
LW
G
GB
Y
Y BrB
5WR
3W
3W
WL
YW
LgW
LgR
WG
5WG
5WR 5W
BrB
NO
BR
COM
Y
B
GY
GR
G
WATER SPRAY
SWITCH
TURN SIGNAL LAMP(R)
20W
TURN SIGNAL LAMP(L)
20W
VIBRATION SWITCH
4
1
4
1
1
3
5
6
2
2
1
2
HI
LOW
1
2
1
2
3
5
L
R
FUSE
5A
F.L.
65A
F.L.
45A
F.L.
65A
E
L
B
IG
SB
B
BR
ACC
R2
R1
C
COMBINATION METER
GWGRGY
BrW
WG
BrLBLR
LRLW
L
R
YGYW
YR
YB
WR
STARTER
MOTOR
5R
3G
REVERSE
FORWARD
STOP
ENGINE STOP
SOL
B
5
RG
LW
HEAD LAMP
55W
HEAD LAMP
55W
HORN
GY
STARTER SWITCH
ELB
FLASHER
UNIT
G
FLOOD LAMP
55W
R
R
R
GY
RY
BY
INTERLOCK
SWITCH
BACKUP
SWITCH
GLOW PLUGS
3LY
3R
RL
3W
RY
RB
RG
20A
15A
15A
15A
20A
20A
15A
15A
20A
20A
OIL
PRESSURE
SWITCH
TACHO
METER
SENSOR
THERMO
UNIT
FUEL UNIT
WATER SPRAY
RELAY
TURN SIGNAL
SWITCH
BATTERY
RELAY
AV60
ALTERNATOR
+
---
12V 80AH
95D31R
BATTERY
3
1
4
PARKING BRAKE
SWITCH
B
LR
YB
RG
B
RW
YL
B
3LY3LB
GR
2GB
2GB
G
G
B
G
WATER SPRAY
MOTOR
VIB.SOLENOID
(F.ROLL)
VIB.SOLENOID
(R.ROLL)
B
GLOW
LAMP
TIMER
3
4
56
B
B
VIBRATION RELAY
GE
HF DB
CONTROL
BOX
S/GND
OUT
S/P
GND
+
SOL
SPEED CHANGE
SOL
PARKING BRAKE
FUSE
15A
HORN SWITCH
Y
YR
YW
YG
WR
BrW
W
G
GW
GR
GY
L
LW
LR
LR
LY
Br
B
R
Tachometer
Fuel gauge
Thermometer
Hourmeter
Power source
Lamp check
Charge warning lamp
Oil pressure warning lamp
Hyd. filter warning lamp
Parking brake indicator lamp
Glow indicator lamp
Vibration indicator lamp
Job lamp indicator lamp
Turn signal indicator lamp (L)
Turn signal indicator lamp (R)
Liquid spray indicator right
Sprinkle indicator right
Earth
Panel lamp
25W TURN SIGNAL LAMP (R)
25W STOP LAMP
12W BACK-UP LAMP
10W TAIL LAMP/PARKING LAMP
25W TURN SIGNAL LAMP (L)
25W STOP LAMP
12W BACK-UP LAMP
10W TAIL LAMP/PARKING LAMP
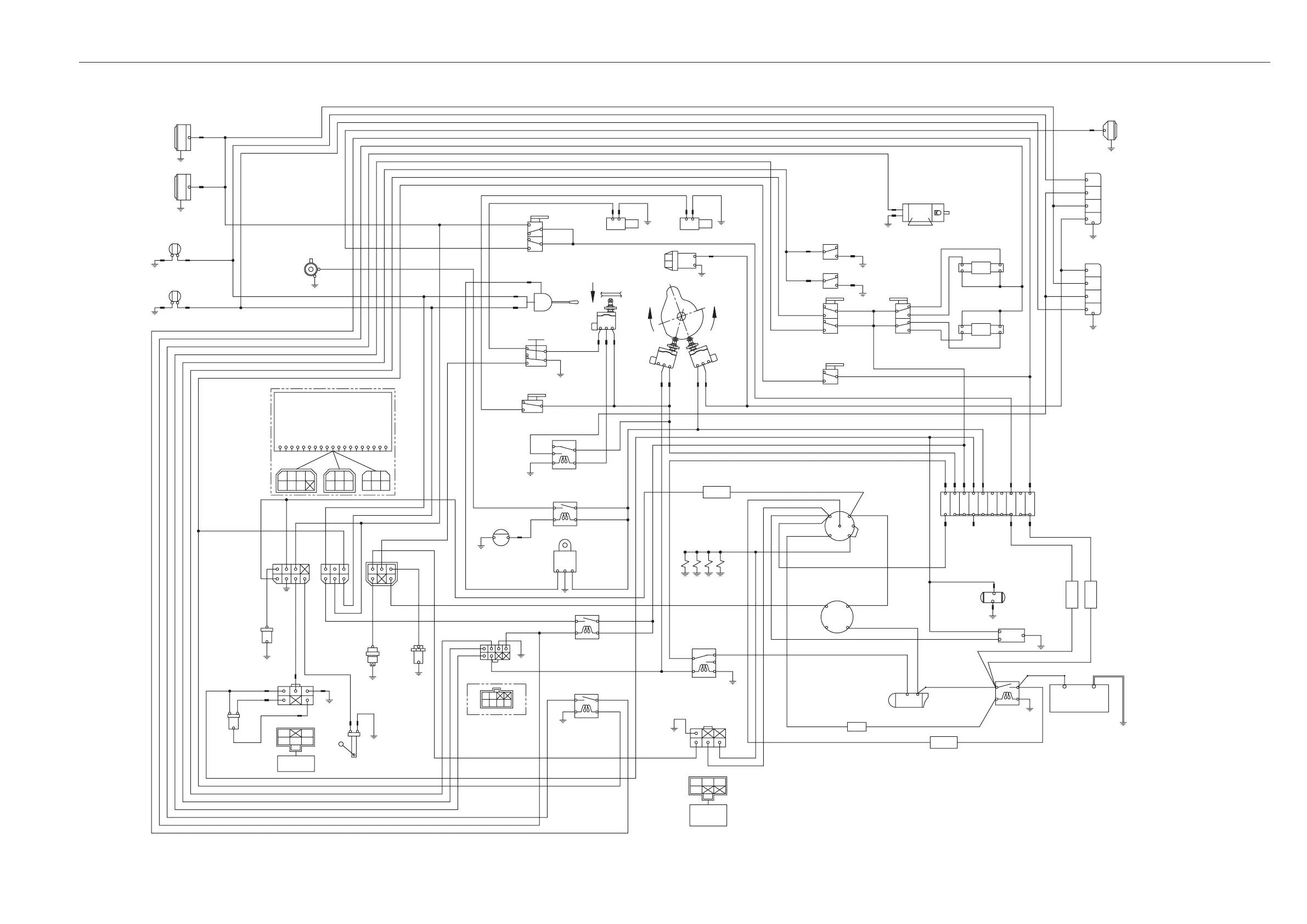
[NOTE]
F/R LEVER SW.
=
Vibrator on-off switch fitted on top of F/R lever
VIBRATION SW.
=
Vibration mode (OFF, CONTINUOUS, AUTO MATIC)
selector switch
CHANGE SW.
=
Low-High amplitude selector switch
6-5. Electric wiring diagram (SW502)
Electric System

Table of Contents

Related product manuals