EasyManua.ls Logo

Samson TROVIS 5579 - Page 41

Samson TROVIS 5579
182 pages
Print Icon
To Next Page IconTo Next Page
To Next Page IconTo Next Page
To Previous Page IconTo Previous Page
To Previous Page IconTo Previous Page
Loading...
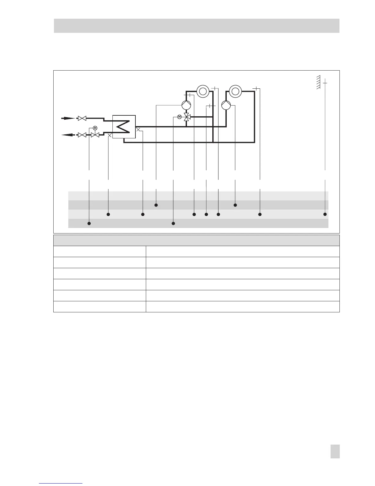
System Anl 4.0
Default settings
CO1 -> F01 - 0 (without RF1)
CO1 -> F02 - 1 (with AF1)
CO1 -> F03 - 1 (with RüF1)
CO2 -> F01 - 0 (without RF2)
CO2 -> F02 - 0 (without AF2)
CO2 -> F03 - 0 (without RüF2)
EB 5579 EN 41
Systems
BE
BA
AE
AA
AF1
RüF1
VF1
UP2
RK2/Y2RK1/Y1
RF2
VF2
RüF2
RF1
UP1

Table of Contents

Related product manuals