EasyManua.ls Logo

Samson TROVIS 5579 - Page 56

Samson TROVIS 5579
182 pages
Print Icon
To Next Page IconTo Next Page
To Next Page IconTo Next Page
To Previous Page IconTo Previous Page
To Previous Page IconTo Previous Page
Loading...
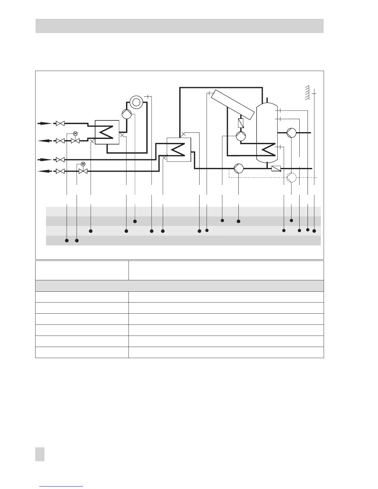
System Anl 11.4
ZP integration with CO4 ->
F10 - 1 (broken line, see cover)
Possible
Default settings
CO1 -> F01 - 0 (without RF1)
CO1 -> F02 - 1 (with AF1)
CO1 -> F03 - 1 (with RüF1)
CO4 -> F01 - 1 (with SF1)
CO4 -> F02 - 1 (with SF2)
CO4 -> F03 - 0 (without RüF2)
56 EB 5579 EN
Systems
BE
BA
AE
AA
SLPRüF1
VF1 VF2
AF1
RüF2UP1RK1/Y1
RK2/Y2 RF1
WW
KW
SF1ZP
UP2 SF3 SF2
VF3

Table of Contents

Related product manuals