EasyManua.ls Logo

SBM SB-9 - Assy Exp View

SBM SB-9
69 pages
Print Icon
To Next Page IconTo Next Page
To Next Page IconTo Next Page
To Previous Page IconTo Previous Page
To Previous Page IconTo Previous Page
Loading...
CURRENCY DISCRIMINATION COUNTER SB-9(2000S) SERVICE MANUAL
- 49 -
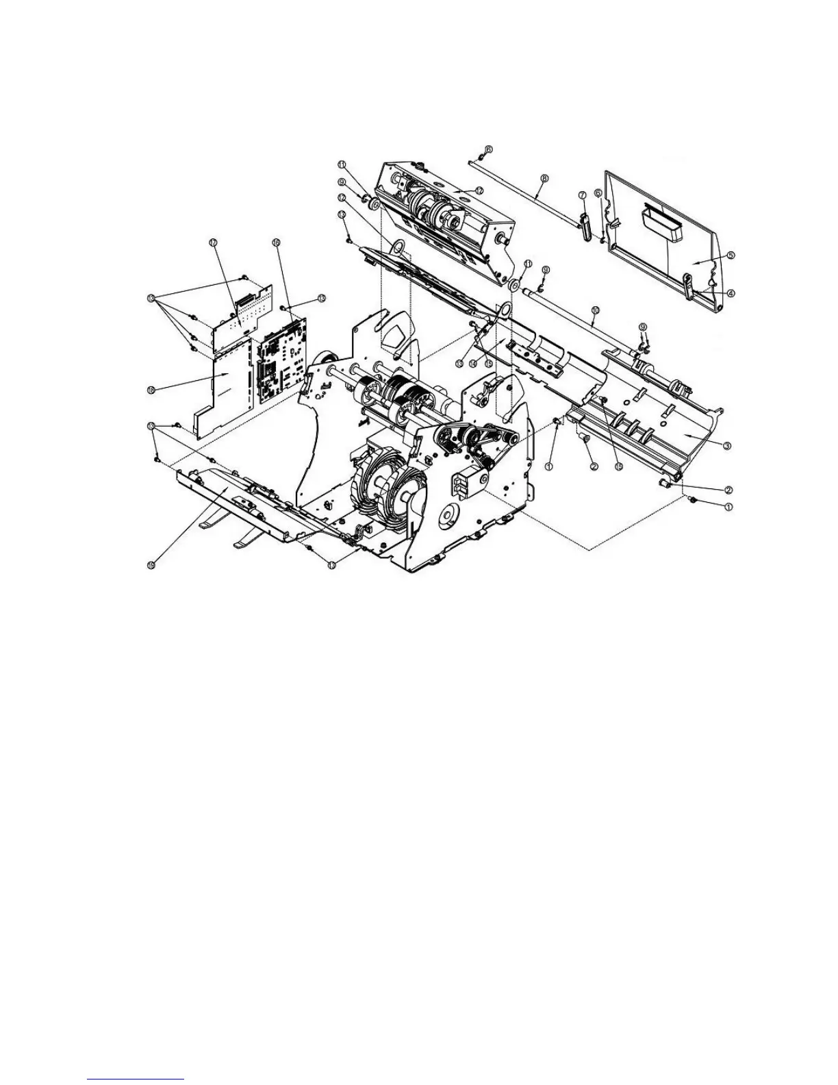
13-2. Ass'y Exp View
1 SCREW_M/C_PH/SWW_M4X8_Fe_Ni
2 PIVOT_HINGE_LOWER
3 ASS'Y_GUIDE_LOWER
4 LINK_COVER_REAR_L
5 COVER_REAR
6 E_RING_Ø4(4x11x0.6)_Fe_ZB
7 LINK_COVER_REAR_R
8 SHAFT_COVER_REAR
9 E_RING_Ø6(6x12x0.8)_Fe_ZB
10
SHAFT_COVER_TOP
11
BUSH_HINGE
12
ASSY'_PLATE_GUIDE_UPPER_P
13
SCREW_M/C_PH/SWW_M3X6_Fe_Zy
14
ASS'Y_PLATE_GUIDE_LOWER_P
15
SCREW_M/C_PH/SWW_M4X8_Fe_Ni
16
P-MAIN
17
P-AMP
18
P-POWER_IO
19
ASS'Y_PLATE_REINFORCE
20
ASS'Y_COVER_TOP
21
SCREW_M/C_PWH_M3X6_Fe_Ni

Other manuals for SBM SB-9

Related product manuals