EasyManua.ls Logo

SBM SB-9 - Frame Exp View

SBM SB-9
69 pages
Print Icon
To Next Page IconTo Next Page
To Next Page IconTo Next Page
To Previous Page IconTo Previous Page
To Previous Page IconTo Previous Page
Loading...
CURRENCY DISCRIMINATION COUNTER SB-9(2000S) SERVICE MANUAL
- 50 -
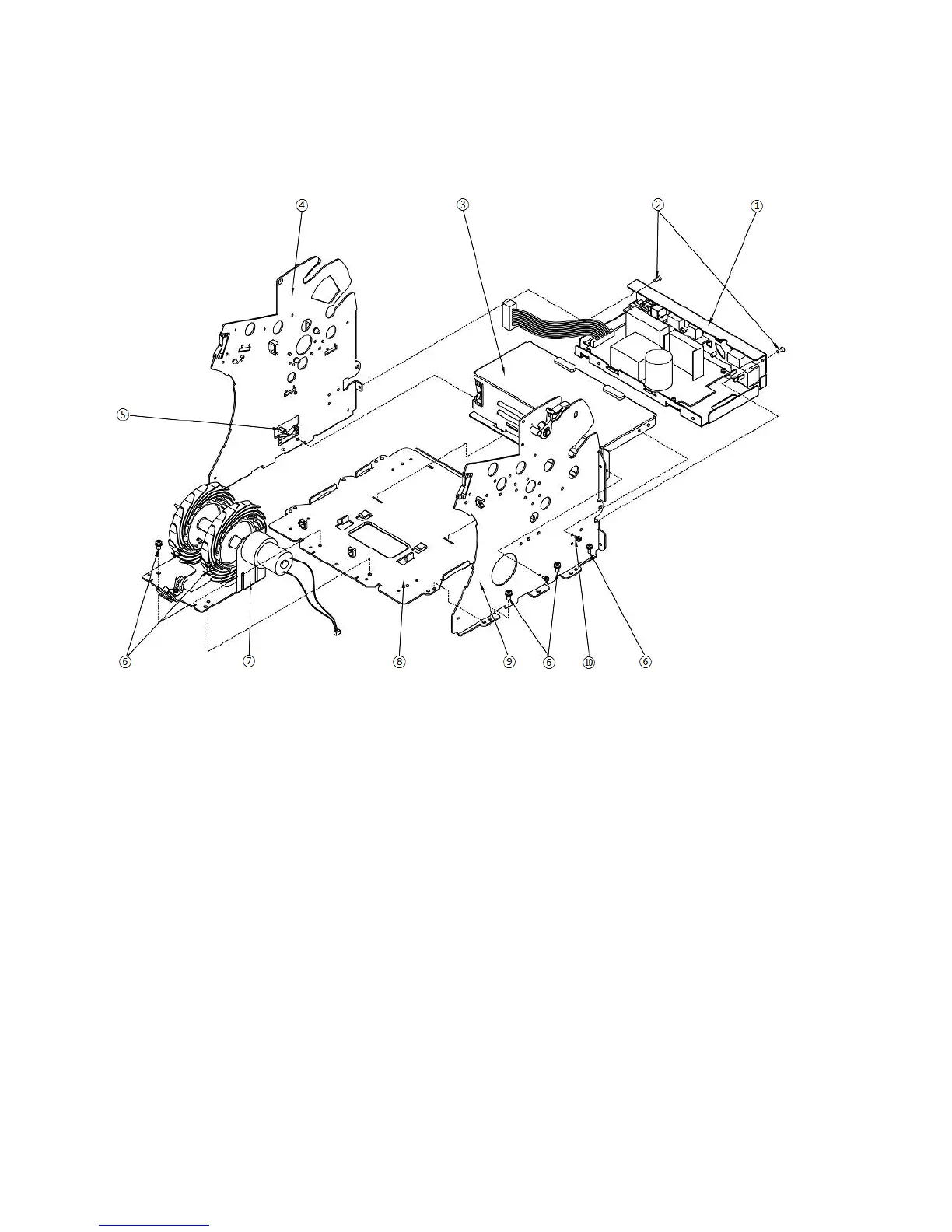
13-3. Frame Exp View
1 ASS'Y_BKT_SMPS_BOTTOM
2 SCREW_M/C_FH_M3X8_Fe_Ni
3 ASS'Y_BKT_SMPS_TOP
4 ASS'Y_PLATE_SIDE_L
5 SUPPORT_PCB
6 SCREW_M/C_PH/SWW_M4X8_Fe_Ni
7 ASS'Y_WING_STACKER_SENSOR
8 ASS'Y_PLATE_BASE_P
9 ASS'Y_PLATE_SIDE_R
10
SCREW_M/C_PH/SWW_M3X6_Fe_Zy

Other manuals for SBM SB-9

Related product manuals