EasyManua.ls Logo

SCHUNK PGN-plus - Variant with Maintenance of Gripping Force (O.D. Gripping)

SCHUNK PGN-plus
68 pages
Print Icon
To Next Page IconTo Next Page
To Next Page IconTo Next Page
To Previous Page IconTo Previous Page
To Previous Page IconTo Previous Page
Loading...
Maintenance
09.00 | PGN-plus | Assembly and Operating Manual | en | 389296
57
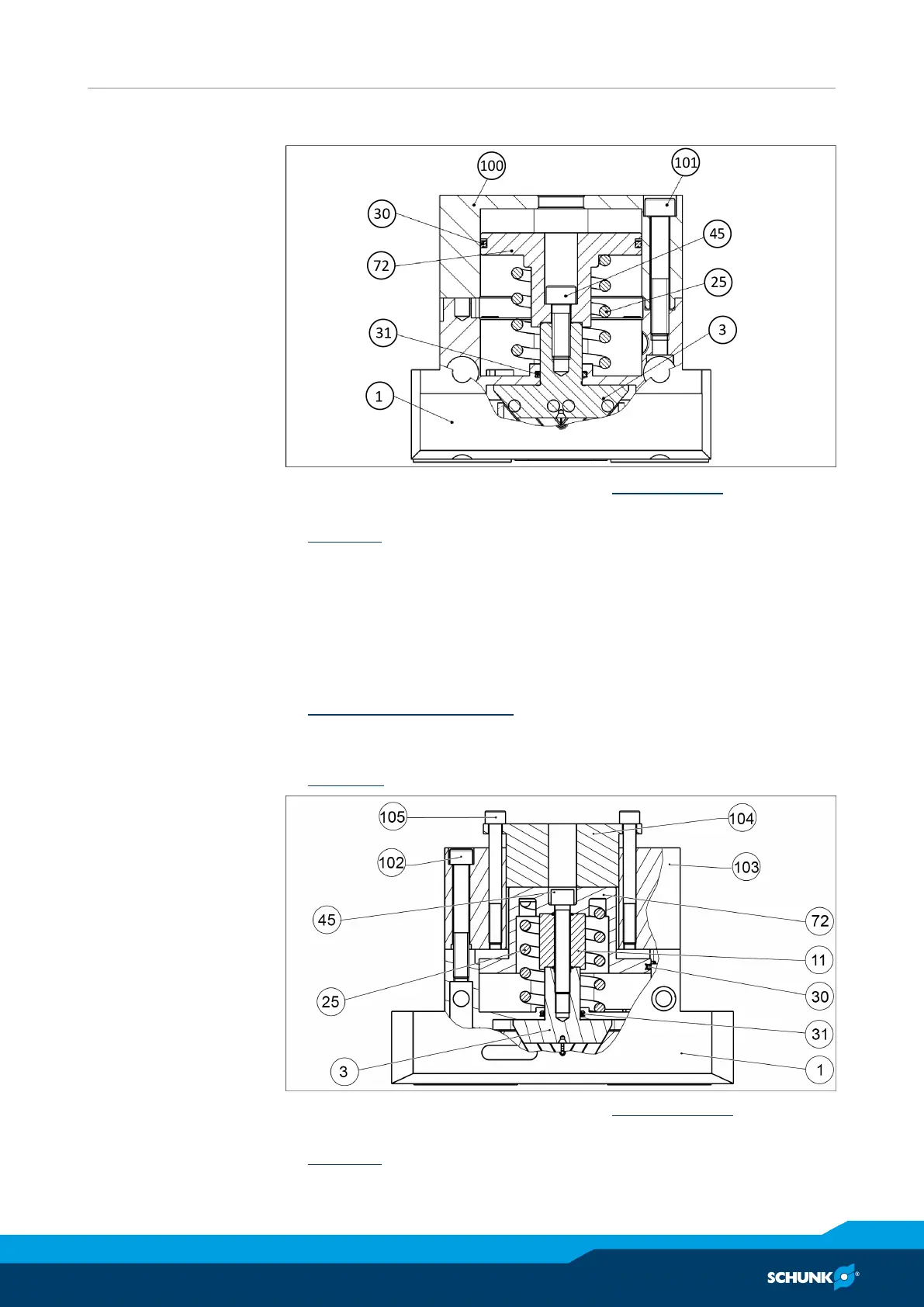
7.5.2 Variant with maintenance of gripping force (O.D. gripping)
Sizes 40-100
Dimensions of the assembly devices: Sizes 40-100 [
}
59]
Further Item numbers. which are noch illustrated in this figure:
Standard [
}
62]
Ø Fit the base jaws (2/7) and the piston (3/8) in the housing (1).
Ø Fit the cylinder piston (10) with seals (30/33) and the
compression spring (25) into the housing (1).
Ø Carefully put the device (100) over the cylinder piston (10) and
attach to the housing using the screws (101).
Ø Insert the screw (45) and tighten to the required torque
Screw tightening torques [
}
58].
Ø Remove the device (100) and continue to assemble the gripper
in the reverse order to the order for disassembling
Drawings [
}
61].
Sizes 125 - 380 with
two assembly devices
Dimensions of the assembly devices: Sizes 125 - 380 [
}
60]
Further Item numbers. which are not illustrated in this figure:
Standard [
}
62]

Table of Contents

Related product manuals