EasyManua.ls Logo

sematic SDS - Upgrade from F28;F29 and LMDC;DIGIDOOR Controllers

sematic SDS
46 pages
Print Icon
To Next Page IconTo Next Page
To Next Page IconTo Next Page
To Previous Page IconTo Previous Page
To Previous Page IconTo Previous Page
Loading...
38
ENGLISH
www.sematic.com
Changes can be made without notice
Upgrade from F28/F29 and LMDC 2010/2011/DIGIDOOR
811-000-000 SDS© DC-PWM Compatible Edition 25 March 2016
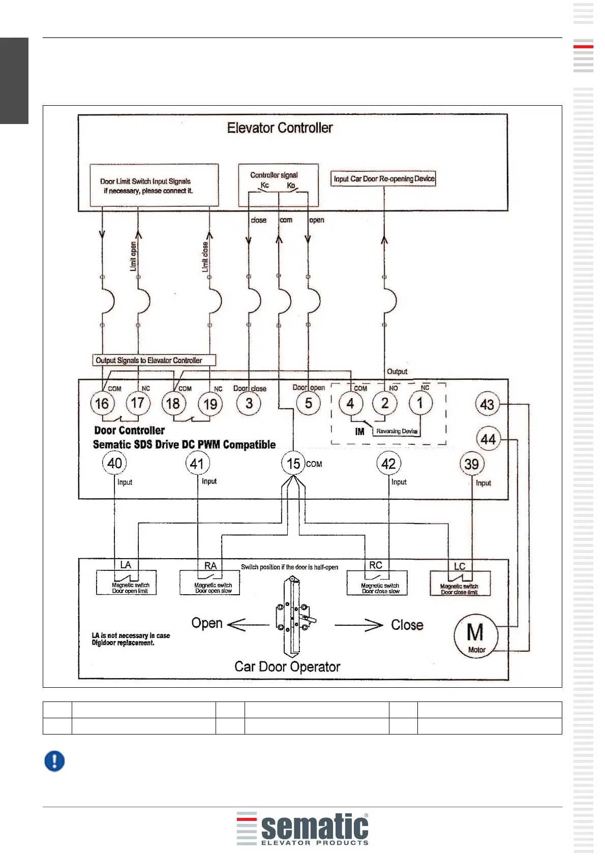
12 UPGRADE FROM F28/F29 AND LMDC 2010/2011/DIGIDOOR
Short instruction replacement F28/F29 and LMDC 2010/2011/DIGIDOOR
Learn trip is not necessary. Please read carefully the manual!
01 F28 03 Digidoor 1 Nm 05 LMDC 2010
02 F29 04 Digidoor 2 Nm 06 LMDC 2011
Select the correct Emulation type at P22

Table of Contents