EasyManua.ls Logo

Siemens Argus 7SR22 - Section 7: Connection Diagrams; Typical Connection: 7 SR22 Directional OC;EF and REF

Siemens Argus 7SR22
644 pages
To Next Page IconTo Next Page
To Next Page IconTo Next Page
To Previous Page IconTo Previous Page
To Previous Page IconTo Previous Page
Loading...
7SR210 & 7SR220 Installation Guide
Unrestricted ©2018 Siemens Protection Devices Limited Page 29 of 36
Section 7: Connection Diagrams
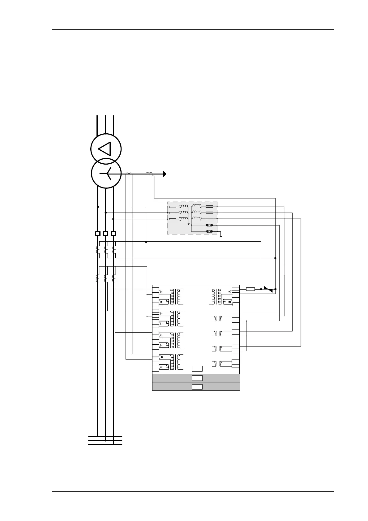
7.1 Typical Connection: 7SR22 Directional OC/EF and REF
I
L1
(I
A
)
1
2
5
6
9
10
13
14
A
17
18
19
20
21
22
23
24
25
26
27
28
1A
5A
1A
5A
1A
5A
1A
5A
15
16
11
12
1A
5A
3
4
7
8
B
C
S1
S2
P2
L1
L2
L3
S1
S2
P1
V
4
(V
X
)
V
L3
(V
C
)
V
L2
(V
B
)
V
L1
(V
A
)
NOTES
1) CT circuits are shown connected to 1 A tap – use alternative tap for 5 A rated CTs.
2) CT and Earth connections are typical only.
3) Application shows use of I
5
as an REF input with external stabilising and voltage limiting resistor.
4) Phase Voltage Config:-V
an
V
bn
V
cn
P2P1
S1 S2 S1 S2
I
L2
(I
B
)
I
L3
(I
C
)
I
4
(I
G
)
I
5
(I
SEF
)
Figure 7.1-1 7SR22 Applied to Transformer Incomer

Table of Contents

Other manuals for Siemens Argus 7SR22

Related product manuals