EasyManua.ls Logo

Siemens Argus 7SR22 - Typical Connection: 7 SR22 Directional OC;EF and NVD

Siemens Argus 7SR22
644 pages
To Next Page IconTo Next Page
To Next Page IconTo Next Page
To Previous Page IconTo Previous Page
To Previous Page IconTo Previous Page
Loading...
7SR210 & 7SR220 Installation Guide
Unrestricted ©2018 Siemens Protection Devices Limited Page 31 of 36
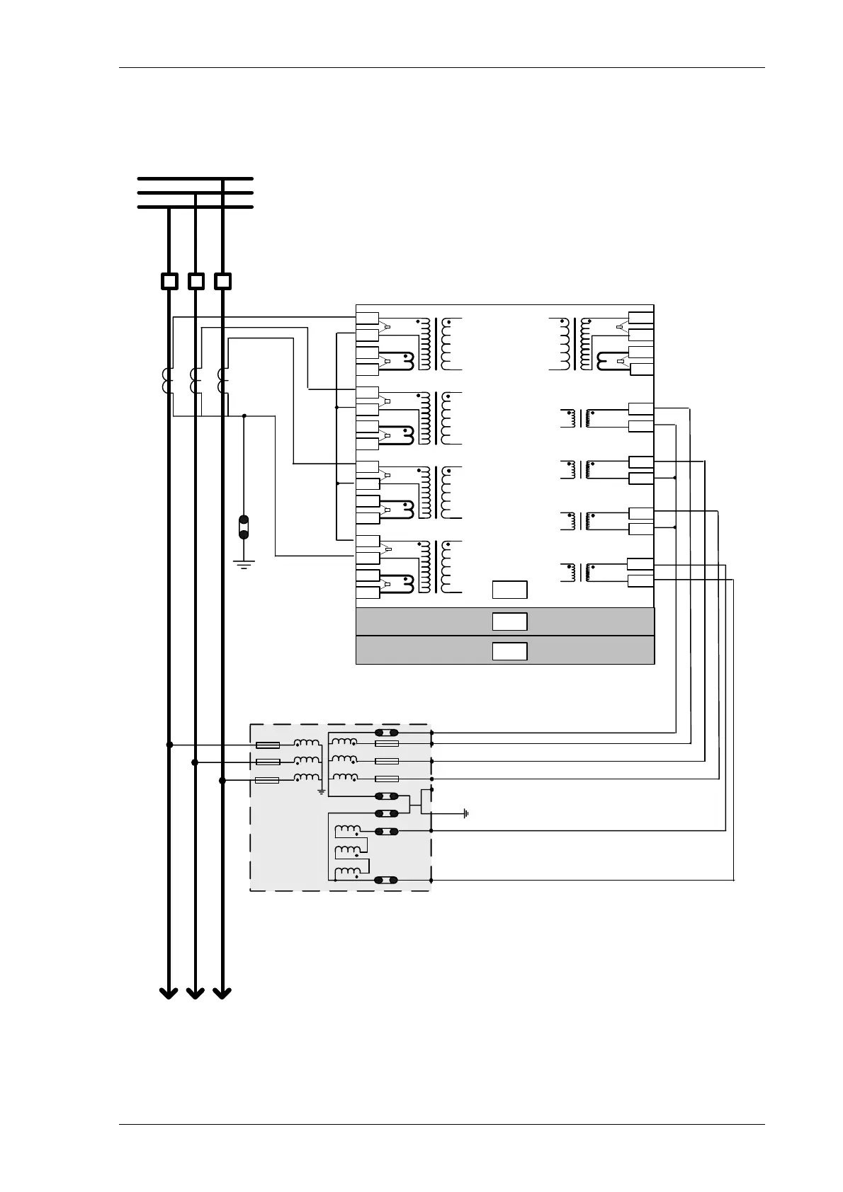
7.3 Typical Connection: 7SR22 Directional OC/EF and NVD
S1
S2
P1
P2
L1 L2 L3
V
L
V
N
NOTES
1) CT circuits are shown connected to 1 A tap – use alternative tap for 5 A rated CTs.
2) CT and Earth connections are typical only.
3) Application shows use of V
4
as an NVD input.
4) Star Connected VT: Phase Voltage Config:-V
an
,V
bn
,V
cn
I
L1
(I
A
)
1
2
5
6
9
10
13
14
A
17
18
19
20
21
22
23
24
25
26
27
28
1A
5A
1A
5A
1A
5A
1A
5A
15
16
11
12
1A
5A
3
4
7
8
B
C
V
4
(V
X
)
V
L3
(V
C
)
V
L2
(V
B
)
V
L1
(V
A
)
I
L2
(I
B
)
I
L3
(I
C
)
I
4
(I
G
)
I
5
(I
SEF
)
Figure 7.3-1 7SR22 Applied to Feeder Including NVD Protection

Table of Contents

Other manuals for Siemens Argus 7SR22

Related product manuals