EasyManua.ls Logo

Siemens SICAM - Page 34

Siemens SICAM
174 pages
Print Icon
To Next Page IconTo Next Page
To Next Page IconTo Next Page
To Previous Page IconTo Previous Page
To Previous Page IconTo Previous Page
Loading...
[lo_fault_det_ini_and_reset, 3, en_US]
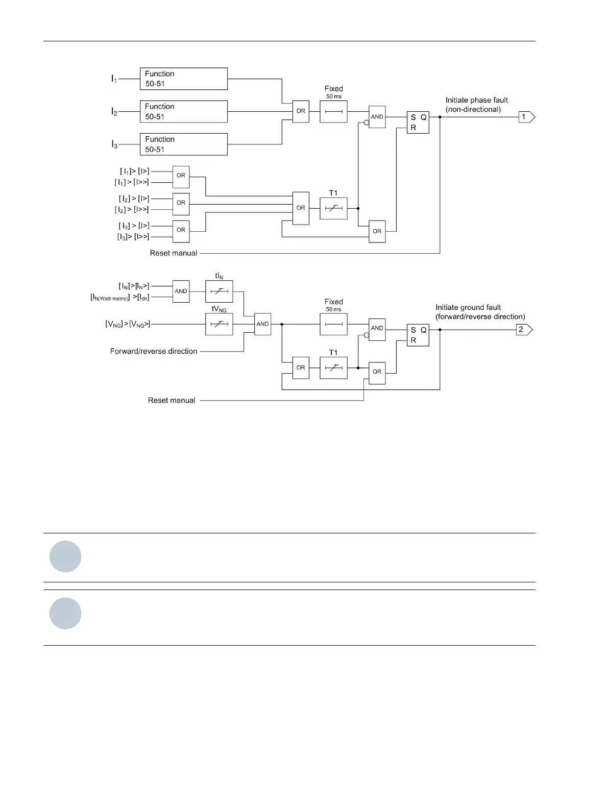
Figure 4-5
Logic Diagram for Fault-Detection Initiation and Fault Reset
For isolated ground:
I
N
(Watt-metric) = I
N
⋅ sin φ
For resonant ground:
I
N
(Watt-metric) = I
N
⋅ cos φ
For more information about ground-fault detection by watt-metric method, refer to chapter 4.1.20 Ground-
Fault Detection with Cos φ/Sin φ Measurement
i
i
NOTE
For solid ground or if I
dir
is set to 0, I
dir
is disabled and only I
N
is used for detecting the ground fault.
i
i
NOTE
For solid ground or if V
N
> is set to 0, V
NG
is disabled and only I
N
/I
N
(Watt-metric) is used for detecting the
ground fault.
The following logic diagram illustrates the fault indication and fault reset.
Device Functions
4.1 Description
34 SICAM, Feeder Condition Monitor, Manual
E50417-H8940-C580-A4, Edition 03.2019

Table of Contents

Related product manuals