EasyManua.ls Logo

Siemens SIMOTICS S-1FL6 - Torque Control (T)

Siemens SIMOTICS S-1FL6
432 pages
Print Icon
To Next Page IconTo Next Page
To Next Page IconTo Next Page
To Previous Page IconTo Previous Page
To Previous Page IconTo Previous Page
Loading...
Connecting
4.3 Control/status interface - X8
SINAMICS V90, SIMOTICS S-1FL6
144 Operating Instructions, 04/2019, A5E36037884-007
4.3.4.5
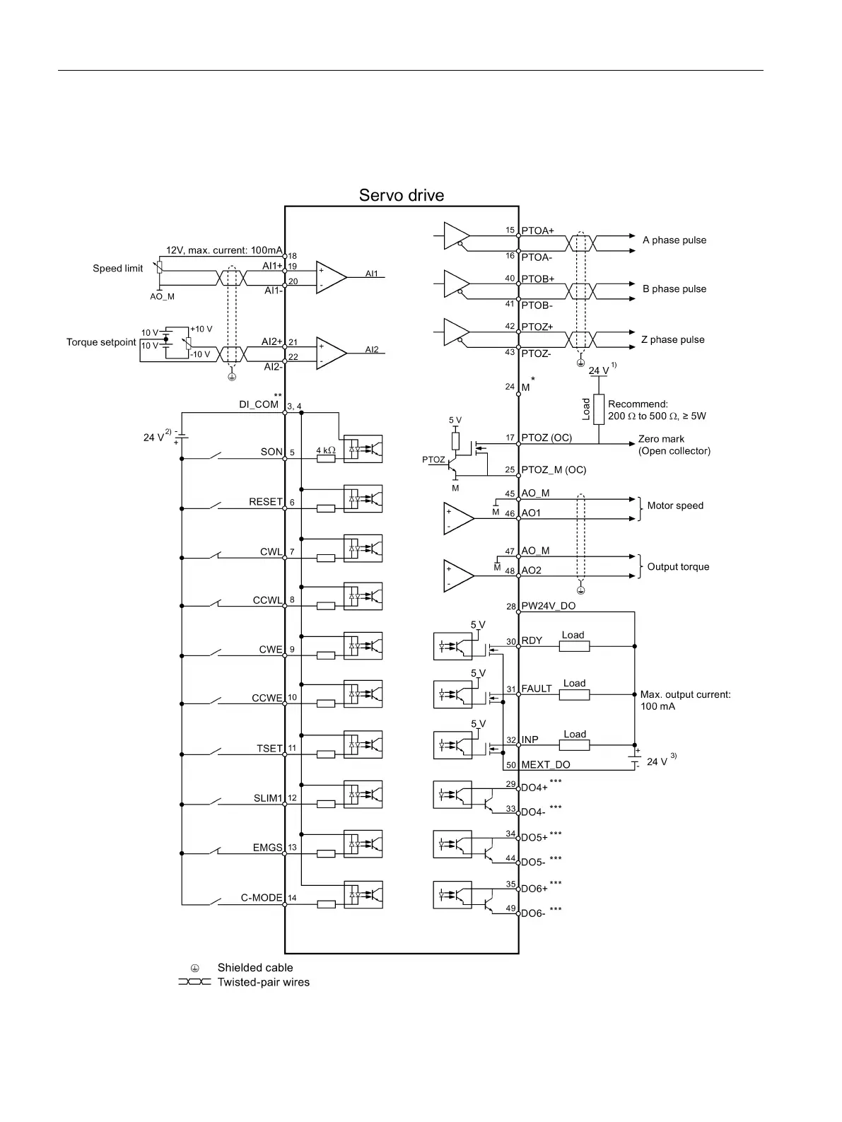
Torque control (T)
Standard wiring for torque control mode:

Table of Contents

Other manuals for Siemens SIMOTICS S-1FL6

Related product manuals