EasyManua.ls Logo

Siemens SIRIUS 3RM1 - Page 178

Siemens SIRIUS 3RM1
196 pages
To Next Page IconTo Next Page
To Next Page IconTo Next Page
To Previous Page IconTo Previous Page
To Previous Page IconTo Previous Page
Loading...
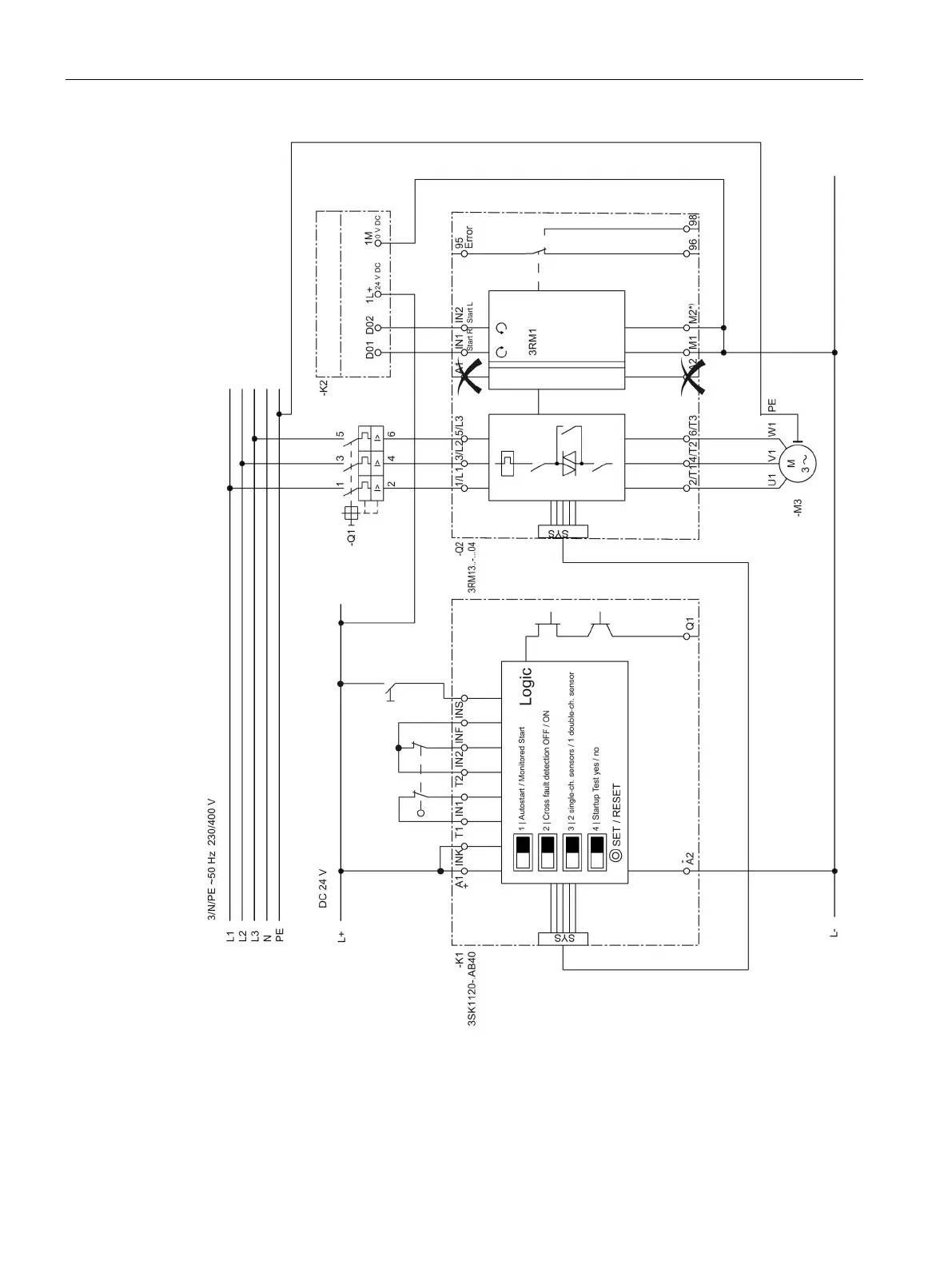
Typical circuits
A.2 Typical circuits for safety-related shutdown
SIRIUS 3RM1 motor starter
178 Manual, 06/2016, A5E0345285095020A/RS-AE/005
*
)
If there is a common reference potential for the two inputs, it is sufficient to establish a ground
connection.
If there are separate potentials or controls, both connections must be assigned.
Figure A-7 3SK1 safety relay with 3RM13 reversing starter via device connector

Table of Contents

Related product manuals