EasyManua.ls Logo

SMC Networks HRR012-A*-20 Series - Alarm History Menu

SMC Networks HRR012-A*-20 Series
160 pages
Print Icon
To Next Page IconTo Next Page
To Next Page IconTo Next Page
To Previous Page IconTo Previous Page
To Previous Page IconTo Previous Page
Loading...
HRX-OM-W002-A
Chapter 5 Display and Setting of Various Functions
HRR Series 5.5 Advanced setting mode
5-61
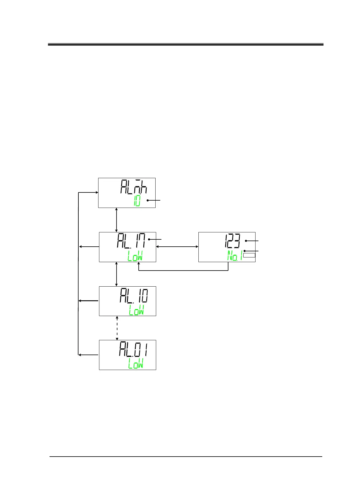
5.5.8 Alarm History menu
Displays the number of alarms and the accumulated time of energization
when each alarm occurred. A maximum of 150 alarms are displayed.
When “MENU” key is pressed while Information Monitor Menu TOP screen is displayed, the display
is changed to the “Alarm History menu TOP screen”.
Press [▼] key to display the latest alarm.
Older alarms are displayed by pressing [▼] key.
When [ENT] key is pressed while alarm is displayed, total time for energizing the product
can be confirmed.
Total time for energization
to the product.
[▲][▼]
Latest alarm history
[▲][▼]
H
[ENT]
Alarm No
Alarm log No.
No.1 is the latest.
[▲][▼]
Oldest alarm log
[MENU]
Alarm log number
Alarm history menu Top of page

Table of Contents

Other manuals for SMC Networks HRR012-A*-20 Series

Related product manuals