EasyManua.ls Logo

Sofar HYD 5KTL-3PH - Page 58

Sofar HYD 5KTL-3PH
120 pages
Print Icon
To Next Page IconTo Next Page
To Next Page IconTo Next Page
To Previous Page IconTo Previous Page
To Previous Page IconTo Previous Page
Loading...
HYD 5/6/8/10/15/20KTL-3PH USER MANUAL
56
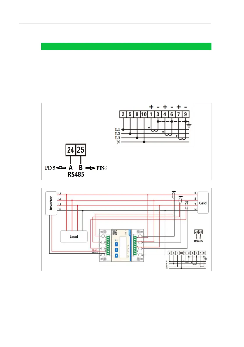
NOTE
Use the shielded twisted pair cable
The copper outer diameter should be more than 0.5 mm²
Keep away from power cables or other electric fields
Maximum distance is 1200 meters
Smart meter with CT connection (System B, default)
Smart meter pins
Public grid
Figure. 5-23 Meter

Related product manuals