EasyManua.ls Logo

Sonel PAT-1 - Page 29

Sonel PAT-1
88 pages
Print Icon
To Next Page IconTo Next Page
To Next Page IconTo Next Page
To Previous Page IconTo Previous Page
To Previous Page IconTo Previous Page
Loading...
OPERATING MANUAL PAT-1, PAT-2, PAT-2E, PAT-10 version 1.02
27
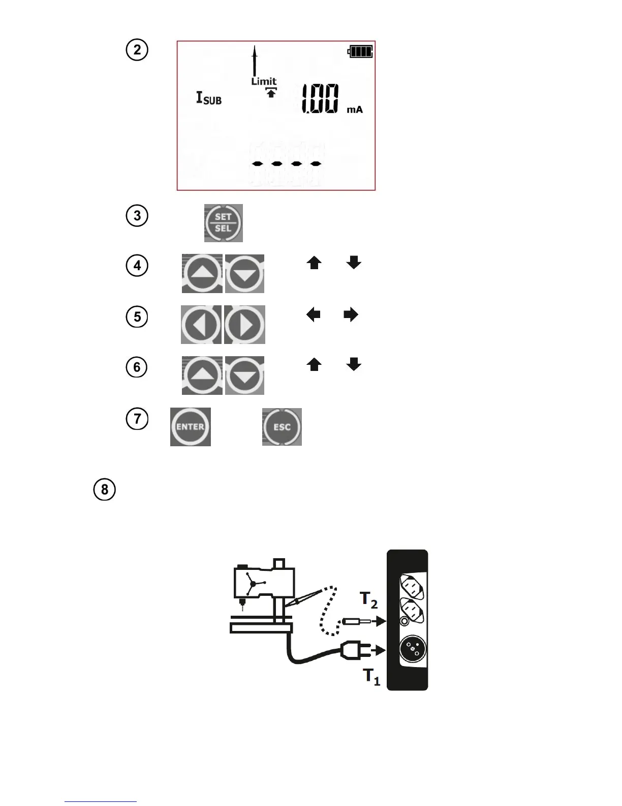
The tester is in sub-
stitute leakage cur-
rent measurement
mode.
Press SET/SEL button to set the meas-
urement parameters.
Use and
to set the upper limit of
leakage current.
Use and
to go to the test time dura-
tion settings.
Use and
to set the test time
duration value
.
or
Press
ENTER
to confirm settings or
press ESC to exit without saving
the changes.
Connect test leads according to the drawing.
For Class I appliances, the previous R
PE
test has to have positive result. As de-
scribed above, the measurement is made between shorted L, N and PE. Connec-
tion diagram for Class I appliances (there is possibility, in most cases not re-
quired, to carry out the measurement with the test lead with probe connected to T
2
terminal socket):

Table of Contents