EasyManua.ls Logo

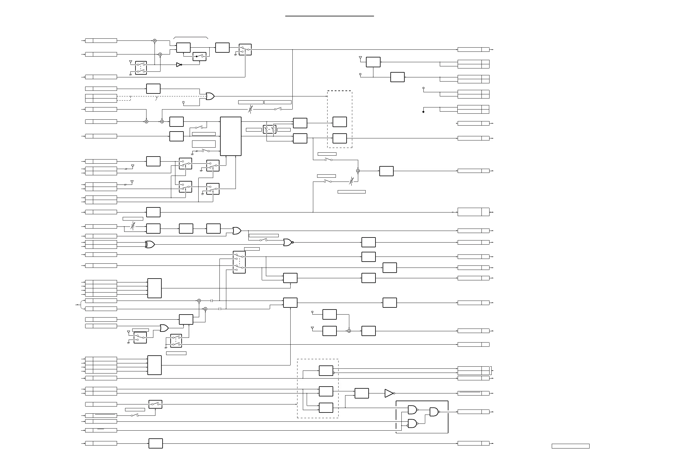
Sony CA-550 - AU-211 Board Block Diagram

Sony CA-550
114 pages
Print Icon
To Next Page IconTo Next Page
To Next Page IconTo Next Page
To Previous Page IconTo Previous Page
To Previous Page IconTo Previous Page
Loading...
6-2
CA-550
CA-550P
6-2
AU-211 BOARD
AU-211 AU-211
AU-211 BLOCK
CA-550
CA-550P
INCOM, 107-2
1-64 IMCOM MIC IN (X)
INCOM, 107-1
1-66 IMCOM MIC IN (Y)
TR, 1-42
1-41 MUTING (TALK)
1-83 UNREG IN
1-81 +24V IN
1-82 +24V IN
TR, 1-76
1-75 INCOM (X)
1-80
TRACKER TALK IN
TR, 1-70
1-69 PGM IN (X)
CN1190, 201-21
CN1190, 201-63
1-52 VF AUDIO VR
SW784, 605-1
1-57 PGM VR (X)
SW784, 605-2
1-55 PGM VR (Y)
SW784, 605-4
1-67 INC VR (X)
SW784, 605-5
1-65 INC VR (Y)
SW784, 605-11
1-16 VF AUDIO CTRL
TR, 1-22
1-21 INC MUTE IN
1-24 VTR SAVE IN
DC IN, CN105 1-84 EXT DC IN
VTR, 111-13 1-14 BATT IND IN
MB, 2-39
MB, 2-37
MB, 2-50
MB, 2-48
MB, 2-46
MB, 2-44
1-39 R TALLY
1-37 CALL
CN1190, 201-56 1-58 MIC 1 IN (X)
CN1190, 201-22 1-56 MIC 1 IN (Y)
1-50 MIC 1 GAIN 0
MIC 1 GAIN 1
MIC 1 GAIN 2
MIC 1 GAIN 3
1-48
1-46
1-44
MB, 2-34
MB, 2-32
MB, 2-30
MB, 2-28
1-30 MIC 2 GAIN 0
MIC 2 GAIN 1
MIC 2 GAIN 2
MIC 2 GAIN 3
1-32
1-30
1-28
TR, 1-9
TR, 1-6
CCU CONNECT
1-17
CCU DATA IN
1-5
MB, 2-8
CCU / RCP
1-8
VTR, 111-15
REC ALARM IN
1-7
CN1190, 201-66 1-13 CHU DATA IN
CN1164, 601-3
RX RCP DATA (X)
RX RCP DATA (Y)
1-3
CN1164, 601-4
1-1
+5V
1-6
MIC POWER IN
MIC POWER CONT
1-25
1-61
MIC 2 IN (X)
MIC 2 IN (X)
1-40
1-38
MIC, CN108
Q62
BUFF
3
4
Q78, 79
Q49-53
GAIN
CONT.
Q36-30
GAIN
CONT.
+7.0V
SW4
MIC POWER
2
3
1
1
4
3
6
SW5
AB/PHANTOM
Q36-44
MIC
POWER
SUPLLY
0.33
0.33
1
2
13
4
IC11
LOW VOLT
DETECTER
Q17
BUFF
Q18, 19 Q20
BUFF
RV4
BATT ALARM
3, 6
1, 7
2, 5
ALARM
GEN.
D9
IC10
1
5
6
7
IC9
4
9
3
5
IC9
15
10
1
2
IC9
14
11
13
12
+7.0V
+7.0V
2
1
IC4
AMP
IC5
ELECTRIC
VOLUME
16
10
15
11
1
3
4
8
7
7
SW2-2
INCOM/PGM MIX
SW2-4
CONTROL MODE
SELECT
Q9
BUFF
Q8
BUFF
DI NO MOUNT.
INCOM 7.5V
Q83
REG
13
64
SW1
INCOM +7.0V
IC1, Q1, 5
AMP
Q3, Q4
Q2
CARBON/DYNAMIC
SELECT
Q6, 7
LIMITTER
IC2
7
6
1
5
RV3
SIDE TONE LEVEL
SW2-5
SIDE TONE ON/OFF
9
10
1
SW2-1 SW2-3
INCOM MIX
PGM MIX
2
2
5
16
6
IC6
MIX
AMP
IC6
MIX
AMP
+7.0V
INCOM +7.0V
IC24, Q85
+7.0V
REG/DELAY
IC4, Q84
INCOM
+7.0V
REG/DELAY
OUTPUT
AMP &
DRIVER
+5V
-5V
Q68-77
OUTPUT
AMP &
DRIVER
Q46, 59-67
13 14
SW2-7
PGM ON/OFF
15 16
SW2-8
AUDIO MONI
RV1
AUDIO MONI LEVEL
21
IC8
AMP
SW3-1
BATT ALARM ON/OFF
2
2
11
4
12
2
3
5
6
1
4
SW6
MIC1/MIC2
IC14, Q24, 32
MIC
AMP
IC15, Q47, 55
MIC
AMP
IC16
IC18
IC17
DRIVER
3
2
1
PHOTO
COUPLER
PHOTO
COUPLER
5
5
1
3
IC19
DATA
DETECT
4
2
1
1
3
23
2
4
9
10
20
8
4
1, 2
20
6
13
12
20
11
RX DATA SELECT
REC TALLY OUT 1-60
CN1190, 201-62
RX DATA (X) 1-9
CN1190, 201-32
RCP CONNECT
1-19
MB, 2-19
1-2
REMOTE, CN602
CHU DATA OUT 1-15
TR, 1-14
TX RCP DATA (Y)
TX RCP DATA (X)
1-4
AU DIAG OUT
AU ISR OUT
1-62
TR1-28
TR MIC 2 OUT (X)
1-27
TR1-34
TR MIC 1 OUT (X)
1-33
VTR, 111-9
VTR, 111-10
VTR MIC OUT (X)
VTR MIC OUT (Y)
1-22
1-20
LP, 606-1
BACK TALLY (X) 1-79
CN1190, 201-19
BATT IND OUT 1-42
EARPHONE 1-12
VTR, 111-20
1-26
AB/PHANTOM CONT
1-59
IC22
LOW VOLT
DETECTER
IC22
LOW VOLT
DETECTER
INCOM +7.5V
+7.0V
3
5
1
7
Q45
BUFF
IC15, Q57, 58
LIMITER
IC14, Q34, 35
LIMITER
Q22
BUFF
Q23
BUFF
Q21
BUFF
VTR SAVE OUT/
AUDIO MONI IN
EARPHONE, J101
INCOM, 107-5
PGM OUT (X)
1-72
INCOM, 107-4
TR, 1-50
INCOM OUT (X)
1-78
-5V
1-86
-5V
1-85
+5V
1-90
+5V
1-89
1-92
INCOM 7.5V IN
INCOM 7.5V IN
1-91
+7.5V
1-94
+7.5V
1-93
TR INCOM (X)
1-49
INCOM MIC AMP
CA550-AU211BLOCK#1/M
7
5
SW3-2
POWER SAVE

Table of Contents

Related product manuals