EasyManua.ls Logo

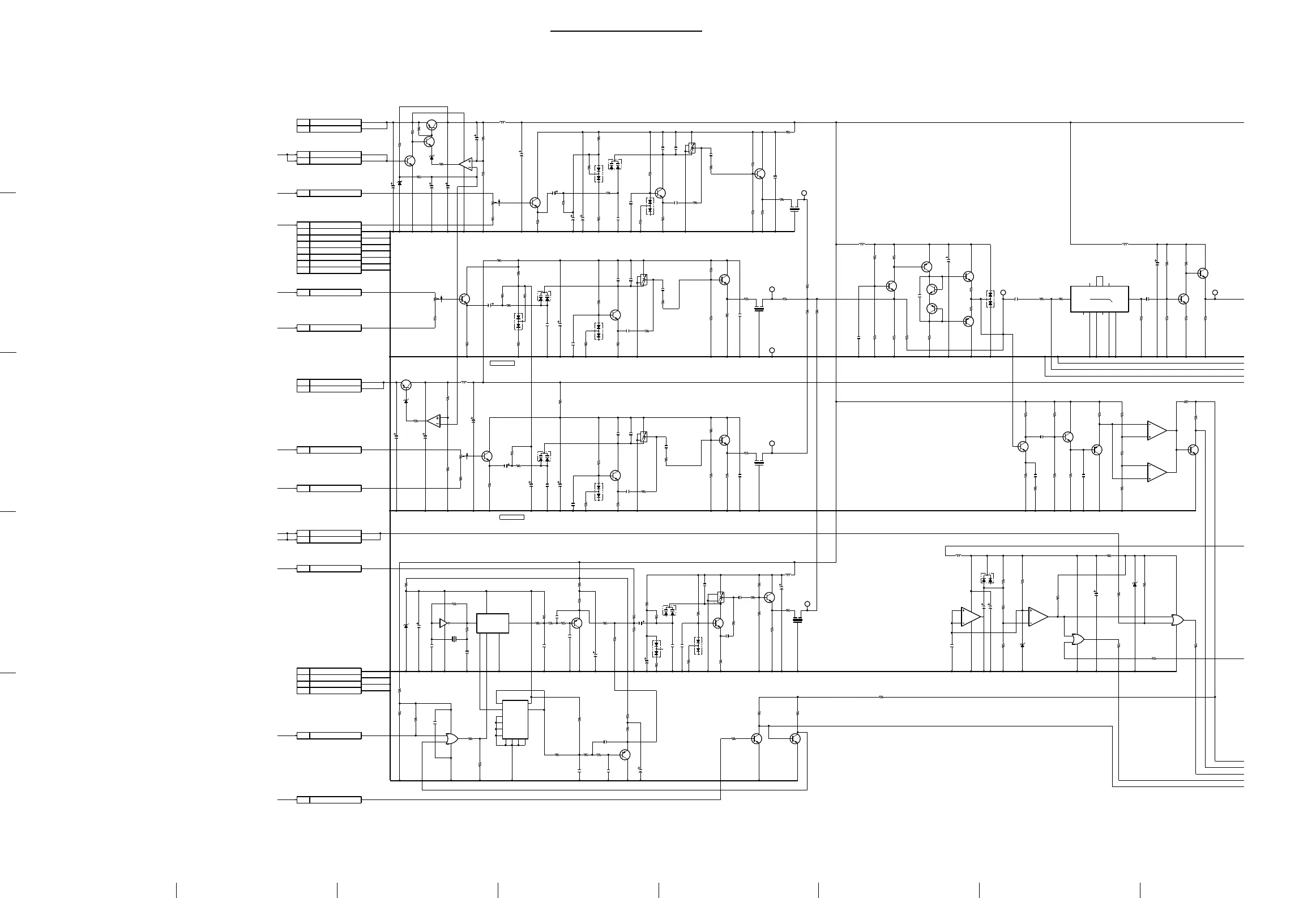
Sony CA-550 - TR-90 Board Schematic

Sony CA-550
114 pages
Print Icon
To Next Page IconTo Next Page
To Next Page IconTo Next Page
To Previous Page IconTo Previous Page
To Previous Page IconTo Previous Page
Loading...
7-6
CA-550
CA-550P
7-6
2
1
3
4
5
A
B
CDEFGH
TR-90 TR-90
TR-90 BOARD
CA-550 (UC)
CA-550 (J)
CA-550P (CE)
———————————
TR-90 (1-658-118-21)
———————————
*: B SIDE
CF1 D-2
CF2 E-2
CF3 F-2
CF4 G-2
CF200 B-4
CF201 B-4
CF202 A-4
CF203 A-4
CN1 C-1
* D1 D-4
D2 E-3
* D3 E-3
* D4 E-4
D5 E-3
* D6 E-3
D7 D-2
D8 F-3
* D9 F-3
D10 F-3
* D11 G-3
* D12 F-2
* D13 F-2
* D16 F-1
* D17 G-1
* D18 F-1
* D19 A-1
* D20 A-1
* D21 A-1
* D200 D-2
D201 B-1
* D202 B-3
* D203 A-3
E1 E-2
FL200 D-1
FL201 D-4
FL202 B-4
IC1 F-1
* IC2 F-3
IC3 F-3
IC4 G-1
* IC5 F-1
IC6 F-4
* IC7 A-1
IC8 E-1
IC200 D-4
* IC201 D-2
IC202 B-3
IC204 B-1
IC205 B-1
IC206 B-4
IC207 A-4
LV1 E-3
LV2 E-3
LV3 F-3
LV4 F-2
LV200 D-3
LV201 B-2
L1 A-1
L2 D-2
* L3 B-1
L4 F-2
L6 F-2
L200 D-2
L201 D-2
L202 C-1
* L203 B-1
L204 B-3
L205 B-3
L206 A-1
L207 A-3
L208 A-3
L209 C-1
* Q1 E-3
* Q3 E-2
* Q4 E-3
* Q6 E-2
* Q7 D-1
* Q8 D-1
* Q9 D-1
* Q10 D-1
* Q11 D-1
* Q12 D-1
* Q13 F-3
* Q15 F-2
Q16 E-1
Q17 F-1
Q18 F-1
* Q19 G-3
* Q20 F-2
* Q21 F-2
* Q22 G-3
* Q23 F-1
* Q24 B-1
* Q25 B-1
* Q135 A-2
* Q136 A-1
* Q137 A-1
* Q139 A-1
* Q141 E-4
Q142 E-4
* Q143 F-4
Q144 E-2
* Q200 D-2
* Q201 D-2
* Q202 D-2
* Q203 B-1
Q204 B-4
* Q205 B-3
Q206 A-4
* Q207 A-3
RV1 D-4
RV2 E-4
RV3 F-4
RV200 C-2
TP1 E-2
TP2 E-2
TP3 D-1
TP4 F-2
TP5 F-2
TP200 D-2
TP201 D-4
TP203 B-3
TP204 A-3
TP206 B-1
T200 B-2
T201 B-2
T202 A-2
T203 A-2
X1 F-3
V
V
SS
CK
RS
dd
Q6
LPF
CLKA a V dd
CLKB
GND RST a
a
L1
10µH
C1
33
16V
TP1
RV1
10k
R2
100k
R5
4.7k
R10
2.2k
R15
33k
R19
470
D4
1SS302-TE85L
D5
KV1470TL00
D6
1SS302-TE85L
D8
KV1470TL00
D9
1SS302-TE85L
D11
1SS302-TE85L
D12
KV1470TL00
D13
1SS302-TE85L
C2
1
25V
C7
68p
RH
C8
68p
RH
RV2
10k
C14
1
25V
C15
120p
C17
0.1
C28
0.1R21
100k
R22
2.7k
R29
2.2k
R34
33k
R35
68k
R36
4.7k
R43
13k
:RN-C
R44
560
R47
1k
:RN-C
TP2
E1
L2
10µH
TP3
RV3
10k
TP4
R53
100k
R54
2.7k
R59
2.2k
R64
33k
R65
68k
C29
1
25V
C30
10
10V
C33
0.1
C34
68p
:RH
C36
390p
C37
220p
C40
0.1
C41
33
16V
C43
0.01
R71
330
R74
1M
R75
22k
R85
270k
R87
1k
R88
10k
R94
100k
R101
2.2k
R100
33k
R102
68k
R103
5.6k
R110
10k
C45
10
6.3V
C46
33p
C47
33p
C50
330p
C51
10
10V
C52
1
25V
C53
10
10V
C54
68p
C55
0.1
C56
47p
:RH
TP5
D18
RD3.3UH-T1
L3
10µH
L4
10µH
L6
10µH
R115
68k
R116
22k
R119
1k
R120
10k
C65
0.01
C68
10
10V
TP200
L200
10µH
R202
22k
C200
0.01
C44
0.1
R1
470
C3
4.7
10V
C4
10
10V
R3
15k
:RN-C
R6
22k
:RN-C
R7
22k
:RN-C
R8
11k
:RN-C
C9
390p
C10
220p
R16
68k
C13
0.1
R20
470
R23
15k
:RN-C
C16
10
10V
R25
22k
:RN-C
R26
22k
:RN-C
C18
82p
:RH
C19
82p
:RH
R27
12k
:RN-C
C20
390p
C21
220p
R38
470
:RN-C
R39
470
:RN-C
R40
470
:RN-C
R41
470
:RN-C
R42
620
:RN-C
C25
0.1
R45
22k
:RN-C
C27
10
10V
R49
4.7
R50
4.7
R200
1k
:RN-C
R52
470 C32
10
10V
R55
22k
:RN-C
R56
22k
:RN-C
R57
12k
:RN-C
C35
82p
:RH
R68
470
:RN-C
R72
10k
:RN-C
R81
3.3M
R82
330k
R90
180k
:RN-C
R92
2.2k
:RN-C
R93
15k
:RN-C
R96
22k
:RN-C
R97
22k
:RN-C
R98
13k
:RN-C
C57
390p
R104
620
:RN-C
C59
10
10V
C61
4.7
10V
C62
1
25V
R113
10k
R114
100k
C63
1
25V
R123
100k
R124
100k
R125
22k
R126
47k
C201
4.7
10V
C69
0.01
R127
1k
R128
1k
R129
1k
R130
47k
R131
10k
R133
100
R79
10k
C5
68p
50V
C6
0.1
25V
C24
0.1
25V
C26
0.1
25V
C31
120p
50V
C42
0.01
CF1
CF2
CF3
CF4
FL200
LV1
LV2
LV3
LV4
Q23
DTC144EE-TL
R46
2.2k
:RN-C
R48
2.2k
R69
1.5k
R70
3.3k
R73
2.2k
:RN-C
R80
4.7k
R84
68k
R201
1.2k
:RN-C
R203
4.7k
R204
4.7k
R205
1.2k
R206
1.5k
X1
R121
,N'M
R122
,N'M
C49
0.1
:RN-C
R86
11k
:RN-C
D17
RD6.2M-T1B
R108 330
R89
18k
:RN-C
C58
220p
:CH
R111
100k
R112
150k
R76
22k
R312
47k
R319
22k
R320
22k
R321
22k
C282
2.2
16V
C283
2.2
10V
C284
22
10V
R350
10k
R353
100
D21
RD3.3UH-T1
IC1(2/4)
µPC339G2-T2
R4
22k
:RN-C
R9
680
:RN-C
R17
3.3k
R24
22k
:RN-C
R28
680
:RN-C
R51
75
R58
680
:RN-C
R66
3.9k
R95
22k
:RN-C
R99
680
:RN-C
R117
1M
R118
47k
R354
1M
C285
22
10V
C286
22
10V
C287
22
10V
R317 47k
C48
0.022
R83
100k
R356
10k
R355
1M C288
0.1
CN1(50/100)
CN1(88/100)
CN1(87/100)
CN1(91/100)
CN1(92/100)
CN1(15/100)
CN1(48/100)
CN1(13/100)
CN1(100/100)
CN1(99/100)
CN1(98/100)
CN1(97/100)
CN1(34/100)
CN1(32/100)
CN1(94/100)
CN1(93/100)
CN1(28/100)
CN1(30/100)
CN1(66/100)
CN1(65/100)
CN1(14/100)
CN1(1/100)
CN1(2/100)
CN1(3/100)
CN1(4/100)
CN1(80/100)
CN1(84/100)
Q135
DTC144EE-TL
Q137
DTC144EE-TL
R352
10k
R351
100
D20
RD3.3UH-T1
Q136
2SB624-T1BV3
IC7(1/2)
TLC272CPW-E05
D2
KV1470TL00
D3
1SS302-TE85L
D1
1SS302-TE85L
Q141
2SC4177-T1L7
Q1
2SC4177-T1L7
Q3
2SC4177-T1L7
Q142
2SC4177-T1L7
Q139
2SB624-T1BV3
IC7(2/2)
TLC272CPW-E05
Q143
2SC4177-T1L7
Q4
2SC4177-T1L7
Q13
2SC4177-T1L7
Q6
2SC4177-T1L7
Q7
2SC2714Y-TE85L
Q10
2SA1226-T1E4
Q9
2SC2714Y-TE85L
Q8
2SA1226-T1E4
Q11
2SC2714Y-TE85L
D7
1SS302-TE85L
Q12
2SA1226-T1E4
Q200
2SC2714Y-TE85L
Q201
2SC4177-T1L7
IC1(4/4)
µPC339G2-T2
Q18
2SA1611-T1M7
Q16
2SC2714Y-TE85L
Q17
2SC4177-T1L7
Q15
2SC4177-T1L7
IC1(3/4)
µPC339G2-T2
IC4
TC4S71F(TE85R)
IC5
TC4S71F(TE85R)
D16
1SS301-TE85L
IC1(1/4)
µPC339G2-T2
IC2
TC4SU69F(TE85R)
IC3
MC14020BF-T2
Q19
2SA1611-T1M7
D10
RD3.3UH-T1
Q20
2SC4177-T1L7
Q21
2SC4177-T1L7
Q25
DTC144EE-TL
Q24
DTC144EE-TL
Q22
2SA1611-T1M7
IC6
MC14018BF-T2
IC8
TC4S71F(TE85R)
R311
22k
:RN-C
R318
56k
:RN-C
R18
100
CN1(17/100)
R37
100
R400
22k
:RN-C
R401
56k
:RN-C
R67
100
R77
10k
R78
12k
R357
22k
R91
10k
:RN-C
C67
0.01
R132
,N'M
C66
0.1
D19
LM4040BIM3X-5.0
8
9
14
1
2
3
4
5
3
5
4
12
2
7
6
1
1
2345
6
711891210
3
6
7
2
1
3
6
7
1
2
3
2
6
7
1
10
11
13
3
2
1
6
7
1
7
8
16
13
9 101215
14
2
3
5
2
3
410
16
4
11 8
1
2
3
4
5
5
8
1
4
2
3
5
6
7
5
4
1
2
3
7.1M;FREQ ADJ
MIC 1 DEV
MIC 2 DEV
6.7M;FREQ ADJ
6.2M;FREQ ADJ
5.6M;FREQ ADJ
INCOM+7.5V
INCOM+7.5V
INCOM(X)
INCOM(G)
MIC1(X)
MIC1(G)
+7.5V
+7.5V
GND
GND
MIC2(X)
MIC2(G)
CHU DATA IN
IN TALK ON
TONE CTRL IN
91
92
50
48
15
13
34
32
94
93
28
30
14
3
6
11
1
1
2
100
99
98
97
A GND
A GND
A GND
A GND
66
65
4
EXT DC IN
80
84
5
88
Q135
Q136
Q137
Q139
87
POWER SAVE IN
POWER SAVE IN
1
2
3
4
A GND
A GND
A GND
A GND
7
Q143
Q13
Q15
D11 D13
Q24 Q25
D10
7
D19
Q3
D3
D1 D2
Q4
Q6
Q142
D20
Q22
8
Q21
Q20
Q19
DC IN,CN105
MB,31-2
AU,1-15
RET CONT,CN109-1
SW784,605-9
AU,1-29
AU,1-27
AU,1-31
AU,1-33
AU,1-49
VTR,CN111-1,2,3,4
AU,1-47
A GND17
IN TALK ON

Table of Contents

Related product manuals