EasyManua.ls Logo

Sony EVO-720P - Page 215

Sony EVO-720P
287 pages
Print Icon
To Next Page IconTo Next Page
To Next Page IconTo Next Page
To Previous Page IconTo Previous Page
To Previous Page IconTo Previous Page
Loading...
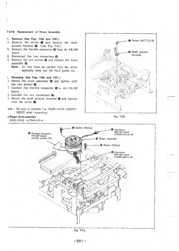
7-3-18.
Replacement
of
Drum
Assembly
1,
Removal
(See
Figs,
7-50.
and
7-51.)
1)
Remove
the
screw
@
and
remove
the
shaft
ground
terminal
@.
(See
Fig.
7-50.)
2).
Remove
the
flexible
connector
@
from
the
FR-30P
ees
eee,
"
board.
terminal
Disconnect
the
two
connectors
@.
1)
Remove
the
two
screws
@
and
remove
the
drum
assembly
@,
Note;
At
this
time,
be
careful
that
the
drum
assembly
does
not
hit
No.3
guide,
etc,
@
Screw
(BVTT2x6)
1.
Mounting
(See
Figs,
7-50.
and
7-51.)
)
Mount
the
drum
assembly
@
and
tighten
with
the
two
screws
@.
:
}
Connect
the
flexible
connector
@
to
the
FR-30P
board,
)
Connect
the
two
connectors
@.
)
Mount
the.
shaft
ground
terminal
@
and
tighten
with
the
screw
@.
‘ote:
Be
sure
to
perform
7-4,
TAPE
PATH
ADJUST-
MENT
after
mounting.
«
Repair
drum
assembly
Fig.
7-50,
DGH-12D-R_
A-7048-102-A
e—
©
Screw
(fitting)
©
Goniiesak
MD-18P
board
®
Fiexible
connector
CN805
(white)
4P
FR-30P
board
Re
CN101
(white)
19°
"4
©
Drum
assembly
@
Screw
(fitting)
@
Connector
MD-18P
board
CNB06
{black}
4P
Fig.
7-51.
—291-—

Table of Contents

Related product manuals