EasyManua.ls Logo

Sony EVO-720P - Page 218

Sony EVO-720P
287 pages
Print Icon
To Next Page IconTo Next Page
To Next Page IconTo Next Page
To Previous Page IconTo Previous Page
To Previous Page IconTo Previous Page
Loading...
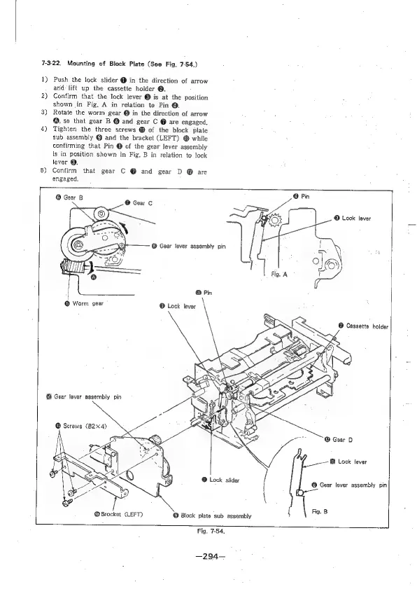
7-3-22,
Mounting
of
Block
Plate
(See
Fig.
7-54.)
1)
Push
the
lock
slider
@
in
the
direction
of
arrow
and:
lift
up
the
cassette
holder
@.
2)
Confirm
that
the
lock
lever
@
is
at
the
position
shown
in
Fig,
A
in
relation
to
Pin
@.
3)
Rotate
the
worm
gear
@
in
the
direction
of
arrow
@,
so
that
gear
B
@
and
gear
C
@
are
engaged,
4)
Tighten
the
three
screws
@
of
the
block
plate
sub
assembly
@
and
the
bracket
(LEFT)
while
confirming
that
Pin
@
of
the
gear
lever
assembly
is
in
position
shown
in
Fig,
B
in
relation
to
lock
lever
®.
5)
Confirm
that
gear
C
@
and
gear
D
@
are
engaged.
©
Gear
B
“QT
O
©
Lock
lever
©
Gear
lever
assembly
pin
O
Pin
@
Worm
gear
®
Lock
lever
®
Cassette
holder
©
Gear
lever
assembly
pin
®
Gear
D
®
Lock
iever
@
Lock
slider
©
Gear
lever
assembly
pin
Fig.
B
@Brocket
(LEFT)
©
Block
plata
sub
assembiy
Fig.
7-54,
—294—

Table of Contents

Related product manuals