EasyManua.ls Logo

Sony HCD-FX10 - Printed Wiring Board - CHANGER Section

Sony HCD-FX10
104 pages
Print Icon
To Next Page IconTo Next Page
To Next Page IconTo Next Page
To Previous Page IconTo Previous Page
To Previous Page IconTo Previous Page
Loading...
3333
HCD-FX10
HCD-FX10
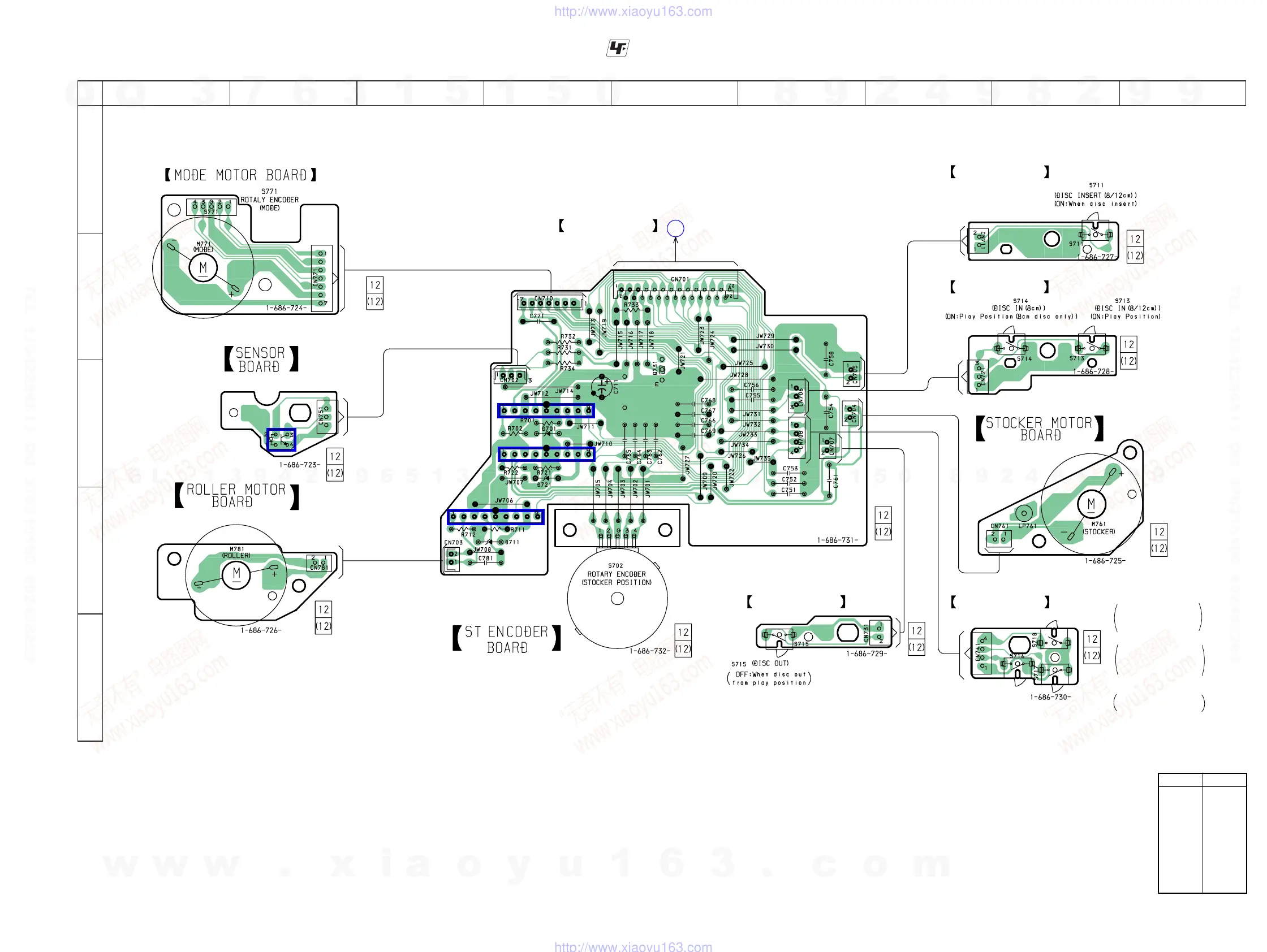
6-2. PRINTED WIRING BOARD – CHANGER SECTION –
Semiconductor
Location
Ref. No.
Location
D701 C-4
D711 C-4
D721 C-4
IC701 C-4
IC711 D-4
IC721 C-4
IC751 C-2
Q731 B-5
See page 27 for Circuit Boards Location. :Uses unleaded solder.
IC701
IC721
IC711
IC751
In the midst disc is moving
between play position and stocker
ON : disc is play position side
OFF : disc is stocker side
OFF: In the Midst disc is moving
between play position and
stocker
S716 (STOCKER IN/OUT)
S717 (DISC POSITION)
S718 (STOCKING)
ON:The moment disc in/out
from stocker
12
A
B
C
D
E
34567 9
8
MAIN
BOARD
CN502
(Page 41)
RELAY BOARD
SW(1) BOARD
SW(2) BOARD
SW(4) BOARDSW(3) BOARD
G
w
w
w
.
x
i
a
o
y
u
1
6
3
.
c
o
m
Q
Q
3
7
6
3
1
5
1
5
0
9
9
2
8
9
4
2
9
8
T
E
L
1
3
9
4
2
2
9
6
5
1
3
9
9
2
8
9
4
2
9
8
0
5
1
5
1
3
6
7
3
Q
Q
TEL 13942296513 QQ 376315150 892498299
TEL 13942296513 QQ 376315150 892498299
http://www.xiaoyu163.com
http://www.xiaoyu163.com

Table of Contents

Related product manuals