EasyManua.ls Logo

Sony HCD-FX10 - DVD Mechanism Deck Section-3 (CDM69 EH-DVBU101)

Sony HCD-FX10
104 pages
Print Icon
To Next Page IconTo Next Page
To Next Page IconTo Next Page
To Previous Page IconTo Previous Page
To Previous Page IconTo Previous Page
Loading...
78
HCD-FX10
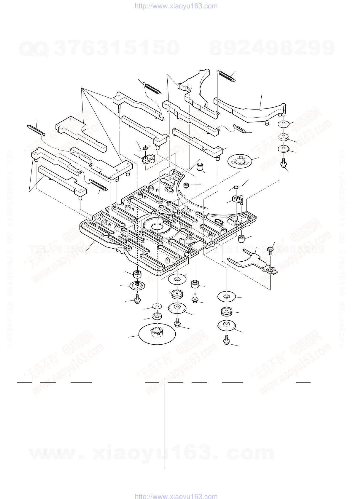
Ref. No. Part No. Description Remark Ref. No. Part No. Description Remark
401 4-240-040-01 SPRING (DISC STOPPER), TORSION
402 4-992-069-01 SCREW (+PTPWH) (M2) (DIA. 7)
403 4-239-648-01 PARASOL (ROLLER)
404 4-239-646-01 ROLLER (ROLLER)
405 4-239-641-01 SPRING (1.2), TENSION
406 4-239-642-01 SPRING (3), TENSION COIL
407 4-239-679-01 SPRING (5), TENSION COIL
408 2-345-860-01 PULLEY (A (310)), CHUCKING
409 4-239-649-01 PARASOL (STOCKER)
411 4-244-035-01 ROLLER (STOCKER), RUBBER
412 4-239-640-02 PINION (SLIDER)
413 4-243-291-01 SPRING, TORSION
414 4-240-039-01 LEVER (DISC STOPPER)
415 4-239-702-01 ROLLER (DISC STOPPER)
416 4-985-672-01 SCREW (+PTPWH M2.6), FLOATING
417 4-243-713-01 LEVER (LIFTER)
418 4-239-647-01 PARASOL (MAIN)
419 4-243-916-01 ROLLER (S), RUBBER
420 4-241-599-01 LEVER (SUPPORT)
421 4-243-703-02 YOKE (213)
422 4-239-643-01 SPRING (4), TENSION COIL
423 4-244-032-01 ROLLER, RUBBER
424 1-471-244-11 MAGNET
7-7. DVD MECHANISM DECK SECTION-3 (CDM69EH-DVBU101)
405
406
407
402
409
409
411
not supplied
not supplied
not
supplied
414
422
408
not
supplied
415
412
404
402
416
417
415
418
418
402
423
402
403
404
421
424
401
405
420
413
not
supplied
418
418
402
419
not supplied
not supplied
w
w
w
.
x
i
a
o
y
u
1
6
3
.
c
o
m
Q
Q
3
7
6
3
1
5
1
5
0
9
9
2
8
9
4
2
9
8
T
E
L
1
3
9
4
2
2
9
6
5
1
3
9
9
2
8
9
4
2
9
8
0
5
1
5
1
3
6
7
3
Q
Q
TEL 13942296513 QQ 376315150 892498299
TEL 13942296513 QQ 376315150 892498299
http://www.xiaoyu163.com
http://www.xiaoyu163.com

Table of Contents

Related product manuals