EasyManua.ls Logo

Sony HCD-FX10 - Schematic Diagram - MAIN Section (3;8)

Sony HCD-FX10
104 pages
Print Icon
To Next Page IconTo Next Page
To Next Page IconTo Next Page
To Previous Page IconTo Previous Page
To Previous Page IconTo Previous Page
Loading...
4545
HCD-FX10
HCD-FX10
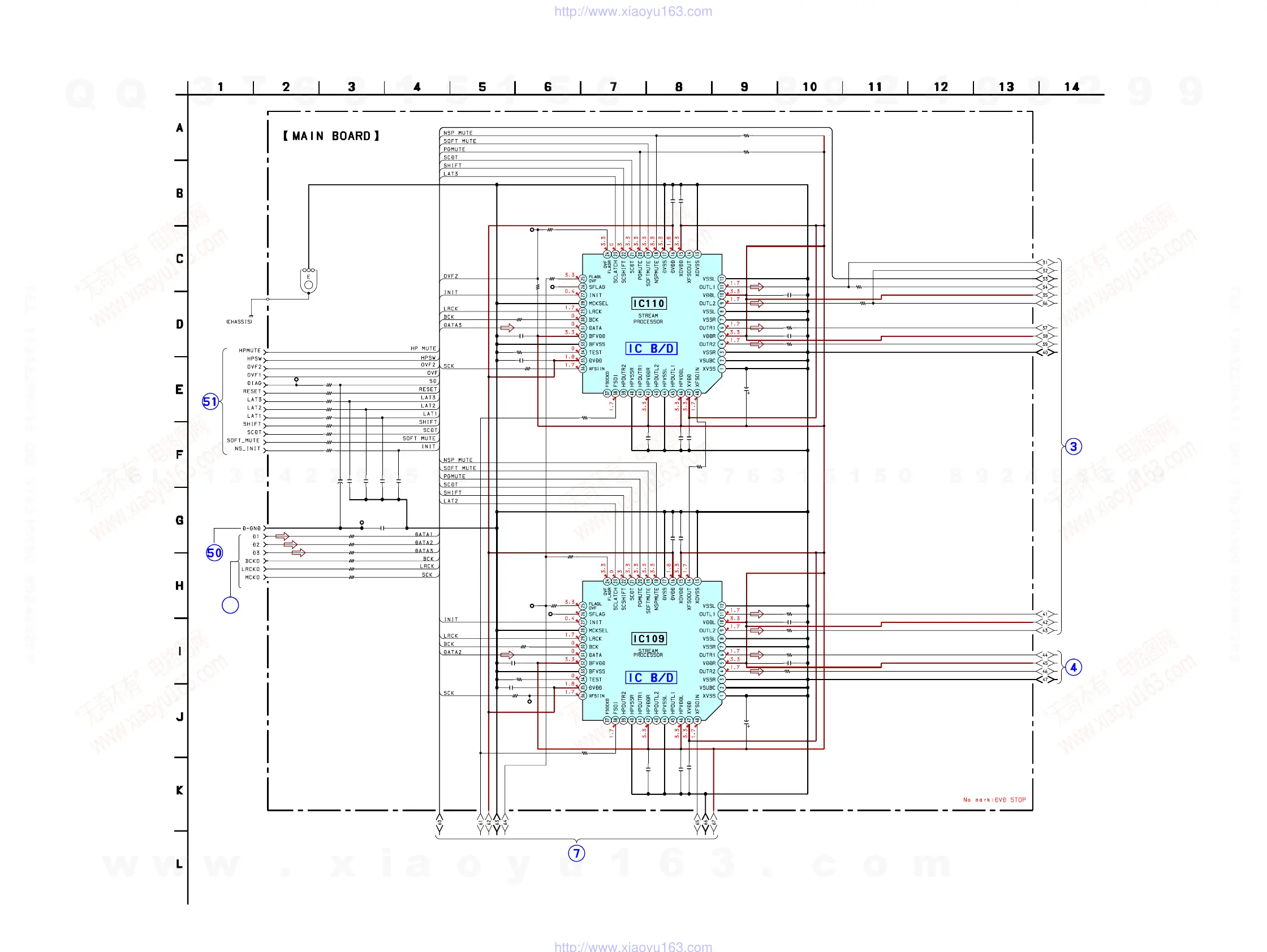
6-14. SCHEMATIC DIAGRAM – MAIN SECTION (3/8) –
• See page 59 for IC Block Diagrams.
73
(3/8)
IC109
C335
IC110
R310
R311
R312
R313
R314
R315
C312
C311
C318
R324
C319
R327
R329
R381
C327
R328
C328
R326
C402
C120
47
10v
+
C403
C404
C405
TP305
TP329
TP331
TP368
R353
R354
R356
R357
TP334
TP333
EB907
R309
R308
R306
R305
R304
R303
R302
R351
R300
R376
R377
TP335
C406
C313
C326
C325
C323
R380
C324
C321
C320 C322
C315
C314
C317
C316
C332
R375
R378
R318
R379
R382
R345
R347
R317
R316
R319
R344
0
CXD9843AR
47
16V
CXD9843AR
100
100
100
0
100
0.1
25V
F
0.1
25V
F
0.1 25V F
0
0.1 25V F
0
0
560
0.1 25V F
0
0.1 25V F
0
100p
50V
CH
100p
50V
CH
100p
50V
CH
0.001
50V
B
100
100
33
33
TERMINAL BOARD
100
100
100
100
100
100
100
100
100
560
560
0.0047 50V B
0.1
25V
F
0.1
25V
F
0.1
25V
F
0.1 25V F
560
0.1 25V F
0.1
25V
F
0.1
25V
F
0.1
25V
F
0.1 25V F
0.1 25V F
0.1
25V
F
0.1
25V
F
47 1 6 V
560
560
470
560
560
10k
10k
470
470
10k
470
MAIN
BOARD
(2/8)
(Page 44)
MAIN
BOARD
(8/8)
(Page 50)
MAIN
BOARD
(8/8)
(Page 50)
MAIN
BOARD
(5/8)
(Page 47)
MAIN
BOARD
(6/8)
(Page 48)
MAIN
BOARD
(4/8)
(Page 46)
w
w
w
.
x
i
a
o
y
u
1
6
3
.
c
o
m
Q
Q
3
7
6
3
1
5
1
5
0
9
9
2
8
9
4
2
9
8
T
E
L
1
3
9
4
2
2
9
6
5
1
3
9
9
2
8
9
4
2
9
8
0
5
1
5
1
3
6
7
3
Q
Q
TEL 13942296513 QQ 376315150 892498299
TEL 13942296513 QQ 376315150 892498299
http://www.xiaoyu163.com
http://www.xiaoyu163.com

Table of Contents

Related product manuals