EasyManua.ls Logo

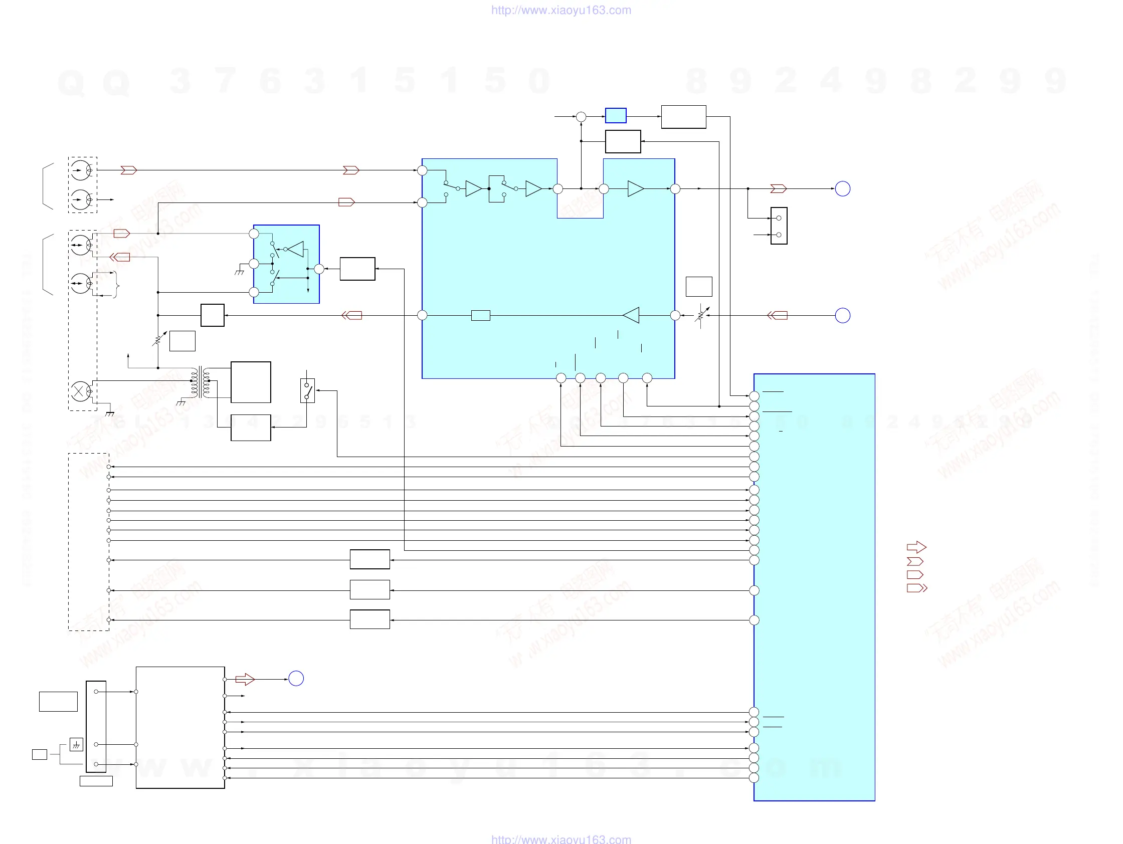
Sony HCD-GN77D - Block Diagram: Tuner;Tape Deck Section; Tuner;Tape Deck Signal Paths; Tuner;Tape Deck Block Diagram

Sony HCD-GN77D
114 pages
Print Icon
To Next Page IconTo Next Page
To Next Page IconTo Next Page
To Previous Page IconTo Previous Page
To Previous Page IconTo Previous Page
Loading...
HCD-GN77D
2828
TAPE L-CH
TEST
CONNECTOR
CN301
R-CH R
L
E
MAIN
SECTION
(Page 29)
TUNER L – CH
F
MAIN
SECTION
(Page 29)
REC L-CH
G
MAIN
SECTION
(Page 29)
PB
HEAD
DECK-A
DECK-B
TC BLOCK
32
BIAS OSC
Q302, 303
RIPPLE
FILTER
Q301
A TRIG
DRIVE
• SIGNAL PATH
: PLAYBACK (DECK A)
: PLAYBACK (DECK B)
: RECORD
: TUNER (FM/AM)
R-CH
FM/AM TUNER UNIT
CN304
ANTENNA
ST-L
FM ANT
AM ANT
AM ANT
ST-R
ST-MUTE
STEREO
TUNED
ST-DOUT/MC-DIN
ST-DIN/MC-DOUT
ST-CLK
ST-CE
FM 75
COAXIAL
CAP M+
BTRGM+
ATRGM+
AHALF
BHALF
APLAY
BPLAY
BSHUT
ASHUT
REC(FWD)
REC(REV)
CAPM-CTRL
B-TRIG
A-TRIG
TC-RELAY
A-HALF
B-HALF
A-PLAY
B-PLAY
B-SHUT
A-SHUT
A REC, FWD
B REC, REV
REC BIAS
PB-A/B
ALC
REC-MUTE
TC-MUTE
AMS-IN
AM
• R-ch is omitted due to same as L-ch.
93
EQ OUT1
A
B
120
ST-MUTE
STEREO
TUNED
ST-DIN
ST-DOUT
ST-CLK
ST-CE
BIAS
TRAP
REC
BIAS(L)
34
1
2
3
4
28 27 26
24
21
56
53
54
EQ-H/N
65
51
52
63
60
66
90
89
61
69
91
67
55
59
B TRIG
DRIVE
58
CAP MOTOR
DRIVE
57
100
1
2
97
87
65
88
13 12 11 15 14
BUFFER
Q304,305
HPF
R-CH
PB OUT1
TAI1
REC IN1
MUTE
Q306,389
AMS DETECT
Q390, 398, 399
R-CH
R-CH
L – CH
R – CH
R-CH
R-CHSWP1
GND
SWR1
AIN1
BIN1
RV304
REC(L)
LEVEL
RV301
C332, 333
TC A+9V
REC/PB SWITCH
IC302
REC/PB
HEAD
ERASE
HEAD
A/B
NORM/HIGH SPEED
ALC ON/OFF
REC MUTE ON/OFF
MUTE ON/OFF
IC303
DECK A/B SELECT
PB/REC EQUALIZER AMP
IC301
Q307,310
T301
Q391, 392
Q395, 396
Q393,394
SYSTEM CONTROL
(CD/TAPE MECHANISM CONTROL)
IC501(2/5)
REC-OUT1
+
L – CH
R – CH
EQ
TUNER/TAPE DECK Section –
w
w
w
.
x
i
a
o
y
u
1
6
3
.
c
o
m
Q
Q
3
7
6
3
1
5
1
5
0
9
9
2
8
9
4
2
9
8
T
E
L
1
3
9
4
2
2
9
6
5
1
3
9
9
2
8
9
4
2
9
8
0
5
1
5
1
3
6
7
3
Q
Q
TEL 13942296513 QQ 376315150 892498299
TEL 13942296513 QQ 376315150 892498299
http://www.xiaoyu163.com
http://www.xiaoyu163.com

Table of Contents

Related product manuals