EasyManua.ls Logo

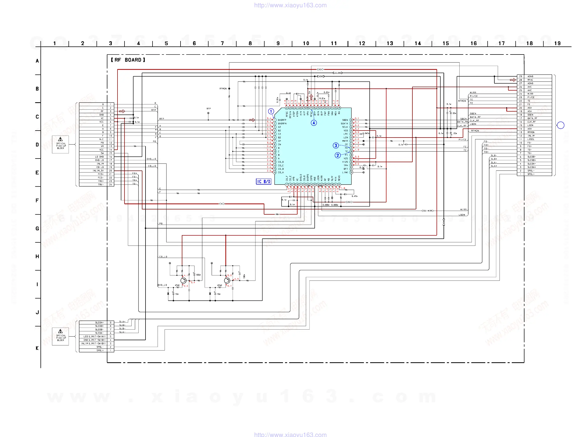
Sony HCD-GN77D - Schematic Diagram: RF Board; DVD;CD RF Amplifier Schematic; Connection to DMB03 Board

Sony HCD-GN77D
114 pages
Print Icon
To Next Page IconTo Next Page
To Next Page IconTo Next Page
To Previous Page IconTo Previous Page
To Previous Page IconTo Previous Page
Loading...
HCD-GN77D
3333
7-4. SCHEMATIC DIAGRAM – RF Board –
JL001
JL003
JL006
C002 C004
C005
C006
C008
C009
C010
C011
C012
C013
C014
C015
C016
C017
C018
C019
C024
C029
C030
C031
C033
C035
C040
C041
C001
C003
C027
JL002
JL004
C020
C021
C022
C023
C037
C042
IC001
L001
L002
Q001 Q002
R003
R005
R006
R007
R009
R010
R011
R012
R013
R014
R015
R016
R017
R018
R021
R024
R025
R026
R027
R028
R029
R033
R034
IOP1IOP2
JL005
JL007
C036
R022
R023
D001 D002
R032
C049
C025
C026
R001
CN001
CN003
C039 C038
CN002
C032
C034
C028
R008R004
R035
R041
R019 R020
16V 16V
10V
10V
B
B
1000p
CH
1000p
CH
B
B
2200p B
2200p B
2200p B
2200p B
5600p B
5600p B
B
B
B
1000p
CH
B
B
B
B
6.3V
6.3V
B
22p
CH
22p
CH
22p
CH
22p
CH
330p
CH
180p CH
SP3723BDA0PM
2SB1132-T100-QR
LD DRIVE
LD DRIVE
2SB1132-T100-QR
33
47k
470
33
47k
470
0
0
0
0
0
0
0
0
0
0
100
12k
E
0
0
0
0
10M
B
220
820
1SS355TE-17 1SS355TE-17
100
B
B
B
100 E
24P
9P
29P
B
B
B
3333
0
1k
00
DVD/CD RF AMP
A
TO
DMB03
BOARD
(2/8)
(Page 39)
(TDP022W)
(TDP022W)
w
w
w
.
x
i
a
o
y
u
1
6
3
.
c
o
m
Q
Q
3
7
6
3
1
5
1
5
0
9
9
2
8
9
4
2
9
8
T
E
L
1
3
9
4
2
2
9
6
5
1
3
9
9
2
8
9
4
2
9
8
0
5
1
5
1
3
6
7
3
Q
Q
TEL 13942296513 QQ 376315150 892498299
TEL 13942296513 QQ 376315150 892498299
http://www.xiaoyu163.com
http://www.xiaoyu163.com

Table of Contents

Related product manuals