EasyManua.ls Logo

Sony HCD-GN77D - Schematic Diagram: Trans Board; Main Board (1;4) Link; Power Transformer and Sub Trans Board Schematics

Sony HCD-GN77D
114 pages
Print Icon
To Next Page IconTo Next Page
To Next Page IconTo Next Page
To Previous Page IconTo Previous Page
To Previous Page IconTo Previous Page
Loading...
HCD-GN77D
6262
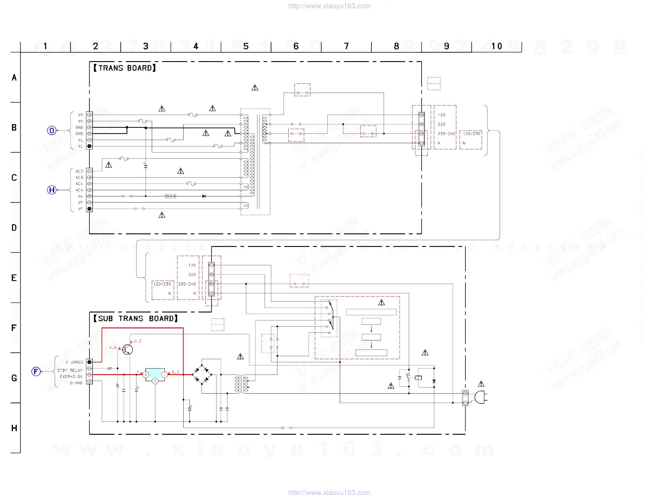
7-32. SCHEMATIC DIAGRAM – TRANS Board –
CN974
D975
D973
D972
D974
CN998
CN976
RY971
D971
C975
R975
C973
R974
C978
C977
C976
C971
JW
920
T972
SUB POW
ER
TRANSFORM
ER
CN997
POWER AMP
BOARD
(Page 58)
MAIN
BOARD
(1/4)
(Page 49)
6P
7P
JW
928
JW
929
F976
F977
F974
F975
C941
F978
D977
JW924
JW923
JW
925
S901
JW
914
JW
912
JW
911
JW
913
T910
IC971
Q971
CN971
NO973
R941
2P
VH
11ES2
11ES2
11ES2
11ES2
1SS133T
2200
16V
10k
100
16V
100k
0.1
0.1
0.1
10000p
T8.0AL/250V
T8.0AL/250V
T6.3AL/250V
F979
3.15A/250V
T6.3AL/250V
100
63V
T4.0AL/250V
11ES2
TA7804LS
+3.9V REG
2SC2785
1
*3
TH
TH
VOLTAGE SELECTOR
120V
220V
230-240V
TH
AUS,M
X,TH
TH
EXCEPT TH
EXCEPT TH
TH
EXCEPT TH
TH
EXCEPT TH
TH
EXCEPT TH
EXCEPT TH
POW
ER
TRANSFORM
ER
BUILT IN TRANSFORM
ER
NOT REPLACEABLE:
*
*
AC IN
EXCEPT TH
*2 NO973
4P
2P
EXCEPT TH
TH
4P
EXCEPT TH
MAIN
BOARD
(4/4)
(Page 52)
2P
*3 CN971
RELAY DRIVE
POW
ER ON/OFF
w
w
w
.
x
i
a
o
y
u
1
6
3
.
c
o
m
Q
Q
3
7
6
3
1
5
1
5
0
9
9
2
8
9
4
2
9
8
T
E
L
1
3
9
4
2
2
9
6
5
1
3
9
9
2
8
9
4
2
9
8
0
5
1
5
1
3
6
7
3
Q
Q
TEL 13942296513 QQ 376315150 892498299
TEL 13942296513 QQ 376315150 892498299
http://www.xiaoyu163.com
http://www.xiaoyu163.com

Table of Contents

Related product manuals