EasyManua.ls Logo

Sony HCD-GN77D - Schematic Diagrams: Video and Regulator; Video Amplifier and Selector Schematics; Regulator Board Schematic

Sony HCD-GN77D
114 pages
Print Icon
To Next Page IconTo Next Page
To Next Page IconTo Next Page
To Previous Page IconTo Previous Page
To Previous Page IconTo Previous Page
Loading...
HCD-GN77D
4747
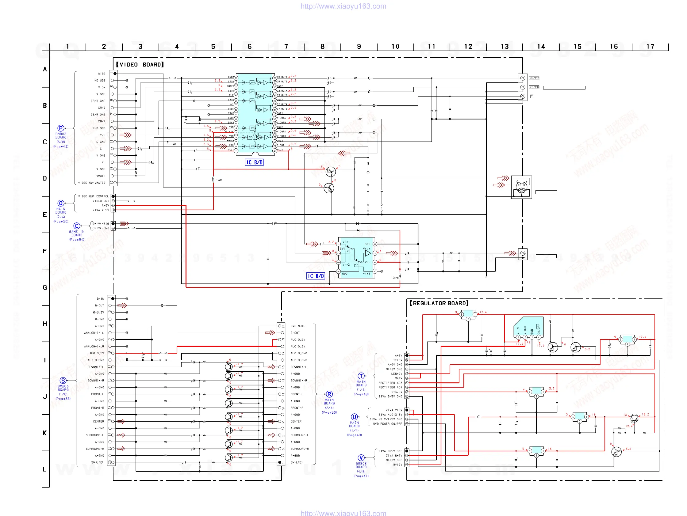
7-17. SCHEMATIC DIAGRAM – VIDEO, REGULATOR Board –
TP710
TP711
TP712
TP713
Q904
R901
C714
C717
C724
C726
C728
C730
C731
C732
C733
C737
C738
C739
C742
CN712
D710
D711
J711
L710
R710
R712
R713
R714
R715
R716
R718
R719
R721
J710
FB710
FB711
FB712
FB713
FB714
FB715
C713
CN713
JR716
JR717
C741
TP714
R720
R905
R906
C712
IC905
C709
C918
C919
C922
CN714
C926
C917
C924
C848
TP798
TP799
CN207
CN208
R225
R226
R227
R228
R229
R230
R231
R232
TP804
Q215
Q216
Q217
Q218
Q219
Q220
Q221
Q222
C215
R215
C216
R216
C217
R217
C218
R218
C219
R219
C220
R220
C221
R221
C222
R222
JW799
TP805
TP806
JW798
FB798
CN715
FB205
CN711
JR720
JR721
CN710
C913
R717
C735
C734
C736
C715
C716
C721
C722
R711
C723
C740
JW719
L711
R902
IC904
IC906
IC903
C911
C912
IC901
R903
C849
C711
C923
C910
C925
C915
C921
IC711
C729
C727
C725
Q710
Q711
J712
IC710
R235
R236
R237
R238
R239
R240
R241
R242
Q903
Q906
IC902
Q905
C718
C719
C720
C710
FA1A4M
2.7k
100
16V
1
50V
470
6.3V
470
6.3V
470
6.3V
100
16V
22
50V
100
16V
22
50V
220p
22p
50V
22p
50V
47
16V
17P
1MM
1SS355
1SS355
1P
10k
75
75
75
75
75
100k
10k
10k
0P
JACK 3P (V)
0
0
0
0
0
0
0.01
10P
2.5MM
0
0
22
50V
75
10k
10k
1000
10V
TA7805LS
100p
0.1
0.1
2200
6.3V
4P
2.5MM
470
10V
470
6.3V
470
6.3V
0.1
21P
1MM
25P
1MM
10k
10k
10k
10k
10k
10k
10k
10k
2SC3661
2SC3661
2SC3661
2SC3661
2SC3661
2SC3661
2SC3661
2SC3661
10
50V
1k
10
50V
1k
10
50V
1k
10
50V
1k
10
50V
1k
10
50V
1k
10
50V
1k
10
50V
1k
MT
MT
0
4P
2.0MM
0
2P
AMP-L
0
0
4P
AMP-L
2200
16V
68
22p
50V
22p
50V
22p
50V
1
50V
1
50V
100
16V
0.1
25V
10k
0.1
0.1
2.2k
TA7804LS
TA7805LS
TA7809LS
470
10V
0.1
TA7809LS
2.2k
1000
6.3V
10
50V
0.1
0.1
0.1
0.1
0.1
MM1568AJ
22
25V
22
25V
22
25V
FN1F4M
FA1A4M
NJM2244M
10k
10k
10k
10k
10k
10k
10k
10k
FA1A4M
FA1A4M
PQ12RF21
2SB1375
1
50V
1
50V
1
50V
10
50V
VIDEO OUT
COMPONENT VIDEO-OUT
9V REGULATOR
VIDEO AMP/BUFFER
BUFFER
BUFFER
S VIDEO OUT
VIDEO SELECTOR
MUTE
Q215-222
BUFFER
BUFFER
+9V REGULATOR
+12V REGULATOR
+3.9V REGULATOR
+5V REGULATOR
+5V REGULATOR
+B SWITCH
+B SWITCH
w
w
w
.
x
i
a
o
y
u
1
6
3
.
c
o
m
Q
Q
3
7
6
3
1
5
1
5
0
9
9
2
8
9
4
2
9
8
T
E
L
1
3
9
4
2
2
9
6
5
1
3
9
9
2
8
9
4
2
9
8
0
5
1
5
1
3
6
7
3
Q
Q
TEL 13942296513 QQ 376315150 892498299
TEL 13942296513 QQ 376315150 892498299
http://www.xiaoyu163.com
http://www.xiaoyu163.com

Table of Contents

Related product manuals