EasyManua.ls Logo

Sony VPH-D50HTU - Page 6

Sony VPH-D50HTU
115 pages
Print Icon
To Next Page IconTo Next Page
To Next Page IconTo Next Page
To Previous Page IconTo Previous Page
To Previous Page IconTo Previous Page
Loading...
Installation
6 (GB) Installation
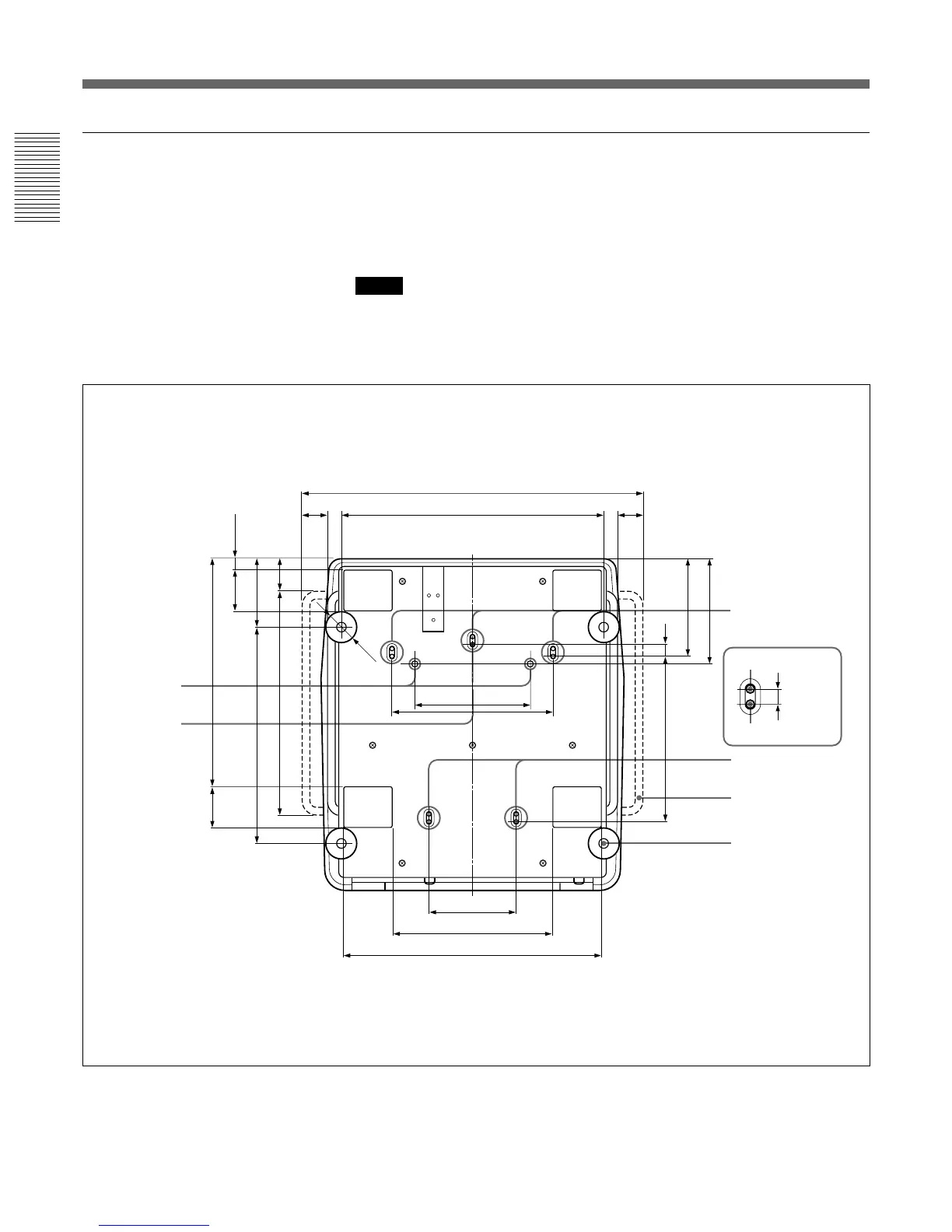
Bottom
The standard hole for installation on the bottom surface is useful for
reference when measuring for installation. There are seven holes on the
bottom surface of the projector. For ceiling installation using the optional
PSS-70 Projector Suspension Support, use five holes to attach the PSS-70.
The other two holes are spare ones.
Notes
Use only the M8 meter screws of 10 mm (
13
/
32
inches) to 30 mm (1
3
/
16
inches)
long for the attachment holes for the PSS-70.
When attaching the PSS-70, use the M8 meter screws of 20 mm (
25
/
32
inches)
supplied with the PSS-70.
Installation Diagrams
Unit: mm (inches)
524 (20
5
/8)
322 (12
11
/16)
679 (26
23
/32)
22.8 (
29
/
32
)
137.8 (5
7
/
16
)
83 (3
9
/
32
)
64.8 (2
9
/
16
)
451 (17
3
/
4
)
435 (17
1
/
8
)
457.8 (18
1
/
32
)
83 (3
9
/
32
)
230 (9
1
/
16
)
174 (6
27
/32)
318 (12
17
/32)
515 (20
9
/32)
330.7 (13
1
/
32
)
194.6
(7
21
/
32
)
211.8 (8
11
/
32
)
25 (
31
/
32
)
14 (
9
/
16
)
Holes for attaching
the PSS-70/spare
holes (M8 meter
screws, 20 mm
(
25
/32 inches))
Holes for attaching the
PSS-70/Spare holes
Receptacles for
the projections
of the PSS-70
Standard hole
for installation
Handle
Adjuster
Ø 60
Holes for attaching
the PSS-70
Spare holes
50 (1
31
/32)
50 (1
31
/32)

Table of Contents

Related product manuals