EasyManua.ls Logo

Söring Arco-3000 - Block Diagram Frontpanel

Söring Arco-3000
89 pages
Print Icon
To Next Page IconTo Next Page
To Next Page IconTo Next Page
To Previous Page IconTo Previous Page
To Previous Page IconTo Previous Page
Loading...
25/08/2004 ©
Söring
Service-Manual Arco- and RF-units
1
not valid for A-3000/ -2000
2
not valid for Arco-2000
-29-
3
not valid for MBC600
4
not valid for Arco-1000
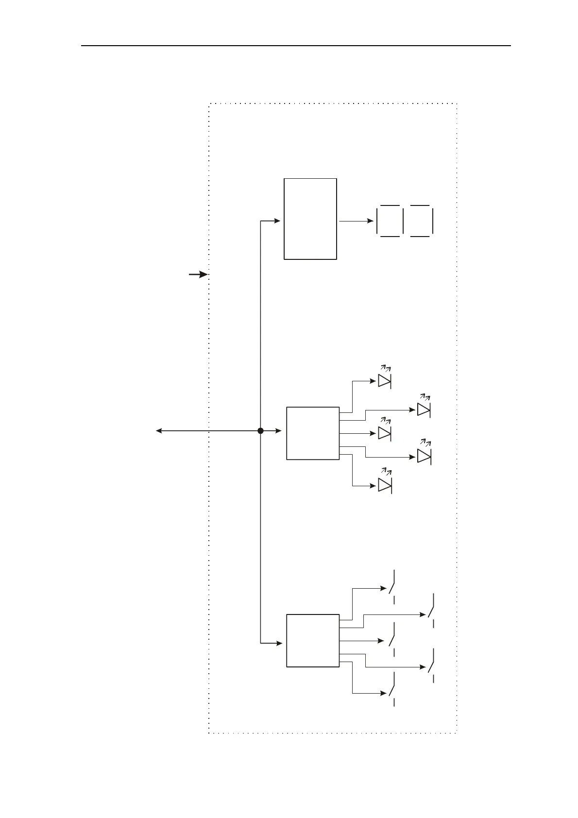
Block diagram Frontpanel
7-Segment
driver
CPU
I C/+5V
2
+5V
keyboard
check
LED
driver

Table of Contents