EasyManua.ls Logo

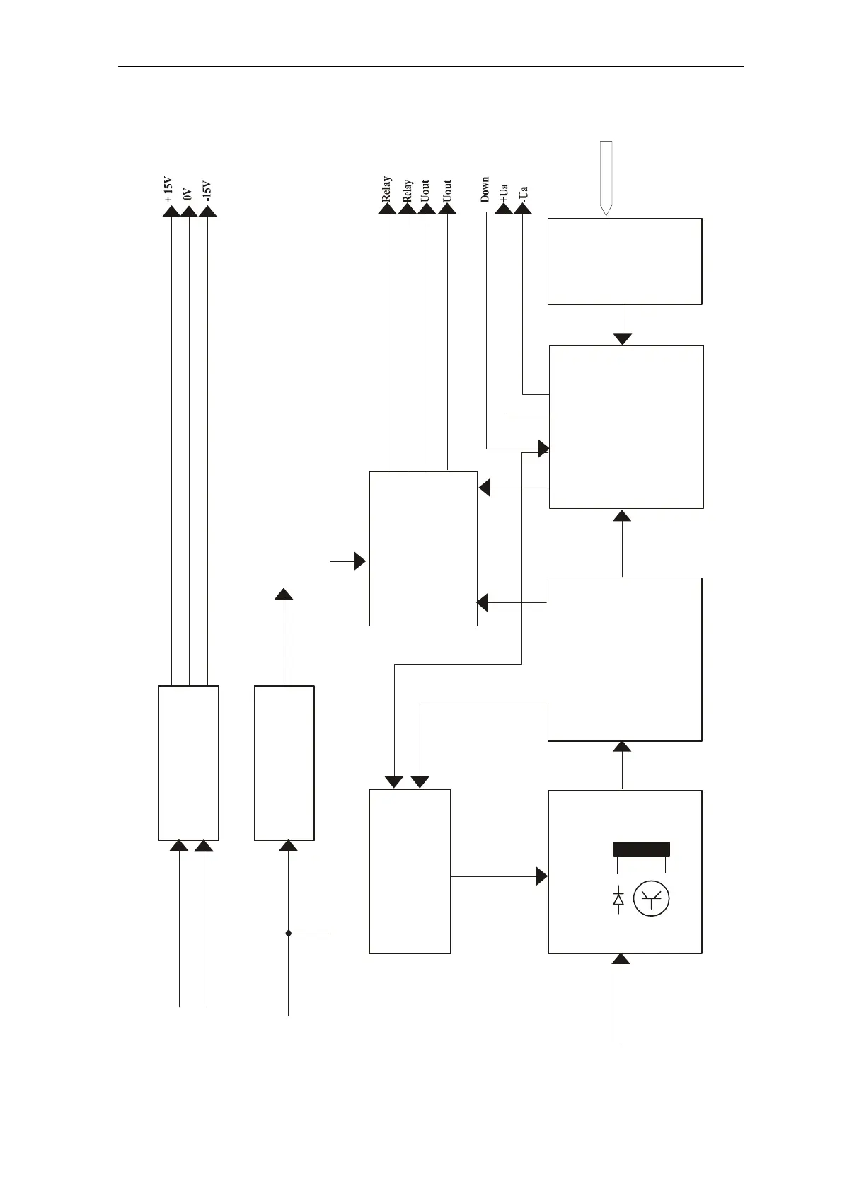
Söring Arco-3000 - Block Diagram High Power Supply

Söring Arco-3000
89 pages
Print Icon
To Next Page IconTo Next Page
To Next Page IconTo Next Page
To Previous Page IconTo Previous Page
To Previous Page IconTo Previous Page
Loading...
25/08/2004 ©
Söring
Service-Manual Arco- and RF-units
1
not valid for A-3000/ -2000
2
not valid for Arco-2000
-32-
3
not valid for MBC600
4
not valid for Arco-1000
Block diagram High power supply
voltage regulator
Voltage regulator
From transformer
From transformer
~ !8V
~ 18V
~ 15V
+12V
Monitoring
Pulsewidth-
control
MOS-Switch
From Mains power
relay board 130V =
Current
limiting
Voltage
regulation
Processor-
interface
D/A
Equipment-bus
Internal control voltage

Table of Contents

Related product manuals