EasyManua.ls Logo

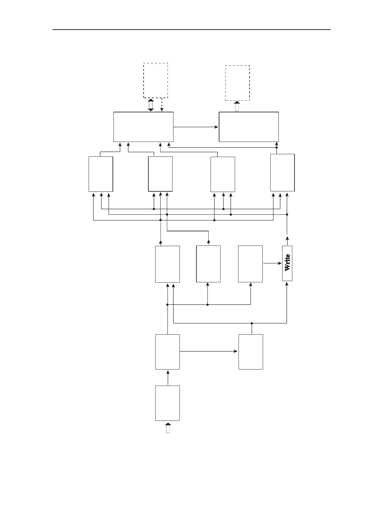
Söring Arco-3000 - Block Diagram Interfaceboard

Söring Arco-3000
89 pages
Print Icon
To Next Page IconTo Next Page
To Next Page IconTo Next Page
To Previous Page IconTo Previous Page
To Previous Page IconTo Previous Page
Loading...
25/08/2004 ©
Söring
Service-Manual Arco- and RF-units
1
not valid for A-3000/ -2000
2
not valid for Arco-2000
-49-
3
not valid for MBC600
4
not valid for Arco-1000
Block diagram Interfaceboard
driver
Opto-
coupler
Decoder
intermediate
memory 1
Chip-
Selector
Address-
c
omparator
D/A
converter
D/A
converter
D/A
converter
intermediate
memory2
Module
+/- 15V
RF-
output
board
Module-
con-
nection
Opto-
coupler
CPU
unit-bus
and +5V/GND

Table of Contents

Related product manuals