EasyManua.ls Logo

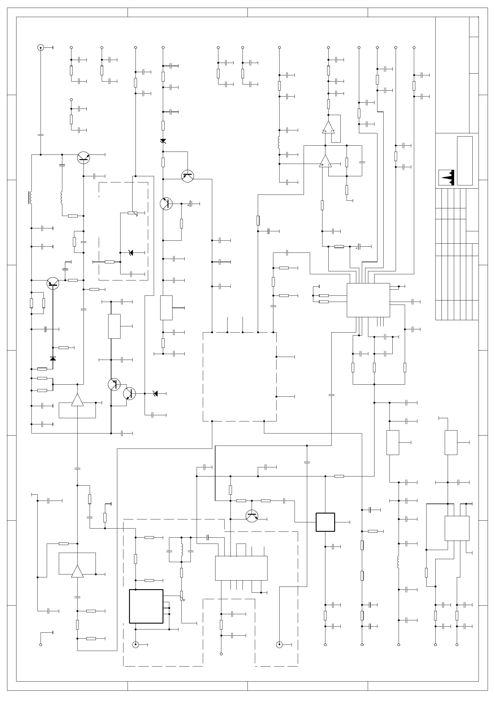
Spectra Engineering MX800 - Circuit Diagram: MX800 EXCITER MODULE; Exciter Module Circuit Diagram

Spectra Engineering MX800
201 pages
Print Icon
To Next Page IconTo Next Page
To Next Page IconTo Next Page
To Previous Page IconTo Previous Page
To Previous Page IconTo Previous Page
Loading...
1 2 3 4 5 6 7 8
A
B
C
D
8
7654321
D
C
B
A
9 TRADE ROAD
MALAGA 6062
WESTERN AUSTRALIA
PHONE +618-92482755
R6
56R
ETH
R8
470R
+12
L7
390nH
L6
390nH
R17
120R
R66
1K
C51
1n
C50
1n
ETH
C12
1n
C6
1n
ETH
ETH
C42
1n
ETH
C43
1n
C45
10n
R36
4K7
ETH
SKC-1
ETH
C23
100n
+12
ETH
C22
100n
R21
10R
Vin
8
GND
2-7
Vout
1
IC8
78L08
ETH
C24
100n
ETH
C94
100n
ETH
ETH
+12
ETHETH
ZD1
BZX84C10V
+12
TR2
BC847
ETH
C33
1n
SKC-20
ETH
VR1
5K 10T
C36
100n
L5
1u8H
ETH
C41
100n
C40
1n
ETH
TR7
BC847
ETH
C35
1n
L3
0R
C19
100n
TR3
BC857
ETH
C18
NF
C11
1n
SKC-19
ETH
C54
1n
ETH
ETH
C34
1n
C37
1n
ETH
Q4A
6
Q2B
10
Q1B
11
CLKB
13
Q3A
5
VCC
14
RESA
2
RESB
12
GND
7
CLKA
1
Q2A
4
Q1A
3
Q4B
8
IC4
74HC393
Vin
8
GND
2-7
Vout
1
IC5
78L05
CN3
ETH
ETH ETH
ETH
SKC-9
SKC-12
C101
100n
VCC
8
GND
7
CLK
6
DATA
5
A0
1
A1
2
A2
3
VEE
4
IC6
* X24C16
R64
10K
ETH
C15
47p
ETH
ETHETH
R18
100R
R19
470R
R20
100R
R5
470R
ETH
CN2
C21
1n
R14
1K
ETH
ETH
C8
1n
ETH
C1
1n
ETH
C10
100n
TR8
FZT751
ETH
C14
100n
ETH
ETH
C7
100n
+8
ETH
C4
100n
ETH
ETHETH
C3
1n
C2
1n
SKC-4
D1
BAV99
TR4
BFG591
ETHETH
C20
1n
CN1
ETH
C17
100n
ETH
+8
ETH
C16
1n
IC1
MAR-6
IC2
MAV-11
Vin
8
GND
2-7
Vout
1
IC3
78L08
+5
ETH
ETH
R33
220R
C44
1n
CLK
1
DAT
2
STB
3
VSS
4
RFIN
5
*RFIN
6
VCCP
7
REFIN
8
RA
9
AUX
10
PHA
11
VSSA
12
PHI
13
PHP
14
VDDA
15
RN
16
RF
17
LOCK
18
TST
19
VDD
20
IC10
SA7025DK
R50
1K5
R51
100R
C67
47n
C64
1n
C63
100n
C62
1n
R48
10K
R49
33K
ETH
ETH
R45
33R
C66
10n
ETH
ETH
C65
1n
C61
1n
R46
33R
ETH
ETH
ETH
C87
1n
ETH
C68
3u3/16V
SKC-16
ETH
ETH
C71
100n
ETH
SKC-13
ETH
C88
1n
C81
100p
C82
100p
C86
100p
C85
100p
C84
100p
C83
100p
ETH
ETH
ETH ETH
ETH
ETH
ETH
SKC-15
SKC-18
SKC-17
SKC-14
ETH
SKC-2
C89
100n
C92
1n
ETH ETHETHETH
ZD2
3V9
ETH
SKC-11
SKC-10
C53
1n
C52
1n
ETH ETH
ETH ETH
C13
1n
ETH
L4
390n
SKC-8
C58
1n
ETH
ETH
C55
1n
ETH
C97
100p
C98
100p
C99
100p
C100
100p
ETH ETH
ETHETH
ETH
C57
1n
R42
1K
C60
1n
ETH
R47
33R
ETH
C56
1n
Vin
8
GND
2-7
Vout
1
* IC7
78L05
+12
ETH
ETHETH
C93
1n
ETH
C29
1n
ETH
C31
1n
ETHETH
C78
1n
C77
1n
ETH
ETHETH
C80
1n
C79
1n
SKC-7
ETH
C28
1n
R23
33K
R24
100R
TR6
BC857
ETH
ETH
R22
1K
TR5
BC847
C26
10u
R32
1K
R35
220R
R34
22R
R53
22K
R54
82K
R56
1K
R57
1K
R59
220R
R60
220R
R61
220R
R62
1K
R39
1K
R40
1K
R58
100R
R15
150R
R16
470R
R12
15R
R11
10K
R10
1K5
R9
120R
R13
1K
R4
100R
R3
120R
R2
56R
R1
120R
R27
1K
R29
100R
R31
100K
R30
470R
R41
1K
R43
10K
R44
1K
R63
220R
R65
220R
R25
1K
R26
100R
ETH
C32
1n
ETH
C30
1u
ETH ETH
C74
100n
ETH
3
2
1
84
IC9A
MC33272
5
6
7
IC9B
MC33272
C76
1n
R28
18R
SKC-6
SKC-5
SKC-3
R78
1K
R80
1K
R81
1K
C116
1n
C115
1n
C118
1n
C119
1n
C120
1n
C121
1n
ETH ETH
ETH ETHETHETH
D2
BZX84C10V
ETH
C48
1u
ETH
VR2
1K 10T
ETH
R7
100R
C46
1n
C47
220p
C90
470n
C91
470n
C96
1u
C38
1u
ETH
C25
470n
C27
1u
C5
1u
ETH
C72
470n
C73
470n
C9
100n
22/8/00 D: TANT REMOVE
SET POWER
SPECIAL APPLICATION
FITTED ONLY ON
LRFMS-2
VCO
SKT-6
ETH
MOD
RF OUT
X1
TCXO
+VE
MIXER
MX1
TEST OUT
IF RF
LO
VCO RF
ININ
(C) Copyright 1996
ENGINEERING
SPECTRA
GJ
GJ
APP
APPROVED
CHECKED
DRAWN
DESIGNED
DATEBY
PCB
REF
REVSHEETDRAWING No
TITLEREVISIONDATE
MX800 EXCITER MODULE
20MHz to 1000MHz
CS002-1G G
29/1/96
11/6/97
VCO MOD
SAMPLE RF
CONTROL
PTT
SKT-4
SKT-5
SKU-1
SKT-1
SKT-3
SKT-2
SKU-3
SKU-2
RF OUT
1 OF 1
TRM
ETH
REF
REF MOD
VCO MOD
+12V IN
EE DATA
EE CLK
LOCK
STROBE
DATA IN
CLOCK IN
TUNE VOLTS
+28V
PTT
POWER CONT
RF OUT
CIRCUIT DIAGRAM
NOTE:
1. NOT ALL COMPONENTS FITTED
2. * DEPENDS ON APPLICATION
TRM OPTION
B: DEL SPARE COMP15/2/98
EXMOD-2 REVE
1/3/00 C: PLL OPTIMIZE
RX TEST LEVEL
16/6/03 E: EE CLK & DATA

Table of Contents

Related product manuals