EasyManua.ls Logo

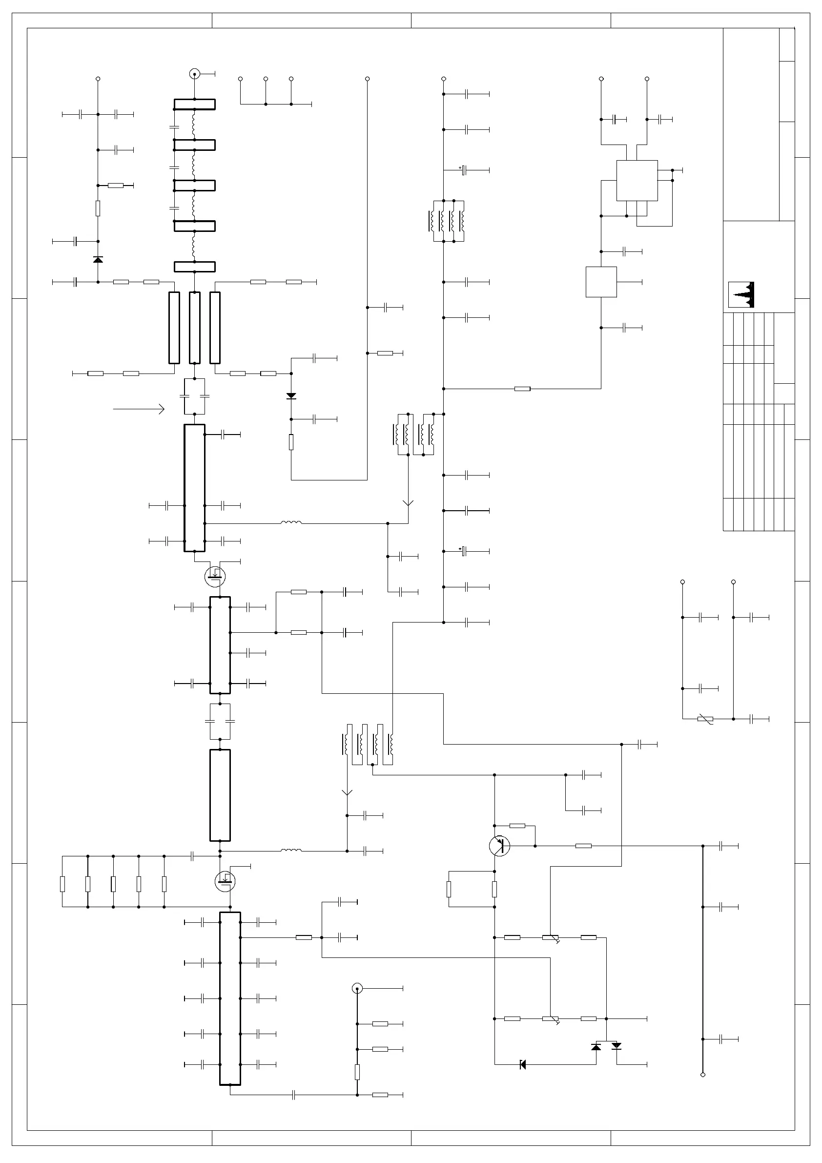
Spectra Engineering MX800 - Circuit Diagram: MX800 PA CIRCUIT DIAGRAM; PA Circuit Diagram Details (continued)

Spectra Engineering MX800
201 pages
Print Icon
To Next Page IconTo Next Page
To Next Page IconTo Next Page
To Previous Page IconTo Previous Page
To Previous Page IconTo Previous Page
Loading...
1 2 3 4 5 6 7 8
A
B
C
D
8
7654321
D
C
B
A
9 TRADE ROAD
MALAGA 6062
WESTERN AUSTRALIA
PHONE (618) 92482755
FAX (618) 92482756
R33
1K
ETH
ETH CN4-10
CN4-7
C75
100n
VCC
8
TST
7
CLK
6
DATA
5
A0
1
A1
2
A2
3
VEE
4
IC1
24LC02
IC2
78L05
ETH
C4
100p
ETH
C19
100p
ETH
ETH
C74
100n
R32
100R
ETH
R31
180R
R30
180R
C3
12p
ETH
C5
18p
ETH
ETH
C6
15p
C68
1n
ETH
ETH
C69
1n
ETH
C58
1n
ETHETH
C39
100n
C38
1n
C1
82p
ETHETH
ETHETH
R16
47R
R9
47R
ETH
C28
5p6
ETH
R2
560R
ETH
CN4-9
C42
82p
ETH
CN1
CN4-6
ETH
CN4-2
ETH ETH
ETH
C59
1n
ETH
C43
1n
CN4-5
ETH
R13
33R
R12
39R
D4
HSMS-2800
C47
1n
ETH
ETH
C45
1n
D3
HSMS-2800
C41
22p
C34
56p
L8
CN3
ETH
R18
39R
R19
33R
ETH
ETHETH
ETH
C30
1n
C31
1u
ETH ETH
L7
RFC
CN2-2
C54
1n
ETH
C62
100n
ETH
C61
1n
ETH
C64
100n
ETH
C13
18p
ETH
C11
18p
TS1
KTY10-5
C44
1n
ETH
CN4-4
C57
1n
ETH
C56
1n
ETH
ETH
CN4-8
CN4-1
R15
1K
R10
1K
R11
10K
R14
10K
ETH
R3
18R
R4
270R
ETH
L1L2L3L4
C48
5p6
ETH
R17
68R
C46
5p6
ETH
R8
68R
C53
100n
ETH
C55
1n
ETH
ETH
C66
100n
ETH
C67
1n
ETH
CN2-1
C32
82p
C35
22p
ETH
C37
22p
C36
56p
ETH
C26
100p
C25
82p
C33
82p
C63
1n
ETH
TR1
PD55008S
TR2
RD70HVF
L9
17.5nH
C12
15p
C10
15p
C9
15p
C8
10p
TR3
BC857
R20
10K
R21
4K7
C60
220u
ETH
L5
RFC
L6
RFC
C65
220u
ETH
C17
1n
C18
100n
ETHETH
R7
560R
R6
560R
R5
270R
C14
1n
C15
1u
ETHETH
C72
1n
C73
100n
ETH ETH
R28
1K
D2
3V9
ETH
R26
1K
R22
1K
R24
1K
R23
1K
C81
1n
ETH
R1
560R
ETH
ETH
C7
15p
C71
1n
ETH
C70
1n
ETH
C2
10p
ETH
C29
8p2
ETH
RV2
2K
RV1
2K
D1
BAV99
C27
5p6
ETH
C50
2p7
C51
3p3
C52
1p8
R29
180R
R27
180R
R25
180R
C16
100n
DATA
CLOCK
5.68V
3.9V
3.4V
-3dB PAD
BAND K-M 320-400MHz
MX800 50 WATT POWER
1 OF 1
29-8-01
DCS033-1D
AMPLIFIER MODULE
DATE REVISION TITLE
DRAWING No SHEET REV
REF
DWGS
BY DATE
DESIGNED
DRAWN
CHECKED
APPROVED
APP
GJ
SPECTRA
ENGINEERING
(C) Copyright
RF OUTPUT
REFL VOLTS
FWD VOLTS
+13.8V IN
PTT IN
RF IN
NOTE:
1. NOT ALL COMPONENTS FITTED
2. * DEPENDS ON APPLICATION
(0.2W)
SET BIAS TR1 SET BIAS TR2
(50W)
(57W)
7Amp
1Amp
JJ 5-09-01
7-09-01GJ
2K
(IN HEATSINK)
TEMP SENSOR

Table of Contents

Related product manuals