EasyManua.ls Logo

Subaru impreza 2017 - Page 561

Subaru impreza 2017
786 pages
Print Icon
To Next Page IconTo Next Page
To Next Page IconTo Next Page
To Previous Page IconTo Previous Page
To Previous Page IconTo Previous Page
Loading...
CTCT
Combi
Sensor
Merging
Unit
Merging
Unit
Ethernet Switch
Combi
Sensor
Conventional VT
IEC/UCA 61850-9-2LE
IEC/UCA 61850-9-2LE
IEC/UCA 61850-9-2LE
Splitter
Electrical-to-
Optical Converter
1PPS
1PPS
1PPS
110 V 1 A
Station Wide
GPS Clock
IEC080000723enOriginal.vsd
Preprocessing blocks
SMAI
Application
MU1 MU2
1 A
TRM module
Preprocessing blocks
SMAI
IED
Access Point
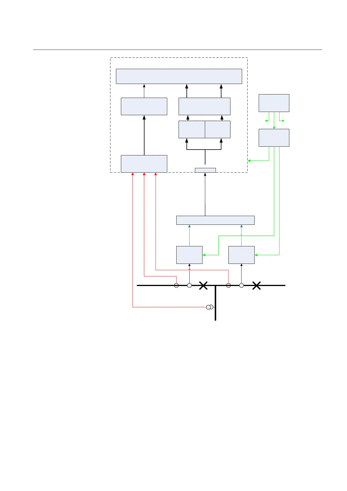
IEC08000072 V3 EN-US
Figure 261: Example of signal path for sampled analogue values from MU and
conventional CT/VT
The function has the following alarm signals:
MUDATA:
Ok[0] indicates that the merging unit samples are received from the
merging unit and are accepted.
ERROR[1] indicates that the merging unit samples are generated by
internal substitution.
SYNCH:
OK[0] indicates
1MRK 505 384-UEN A Section 14
Station communication
Breaker protection REQ650 2.2 IEC 555
Technical manual

Table of Contents

Other manuals for Subaru impreza 2017

Related product manuals