EasyManua.ls Logo

Suntex PC-3310 - Illustration of Electrical Connection

Suntex PC-3310
56 pages
Print Icon
To Next Page IconTo Next Page
To Next Page IconTo Next Page
To Previous Page IconTo Previous Page
To Previous Page IconTo Previous Page
Loading...
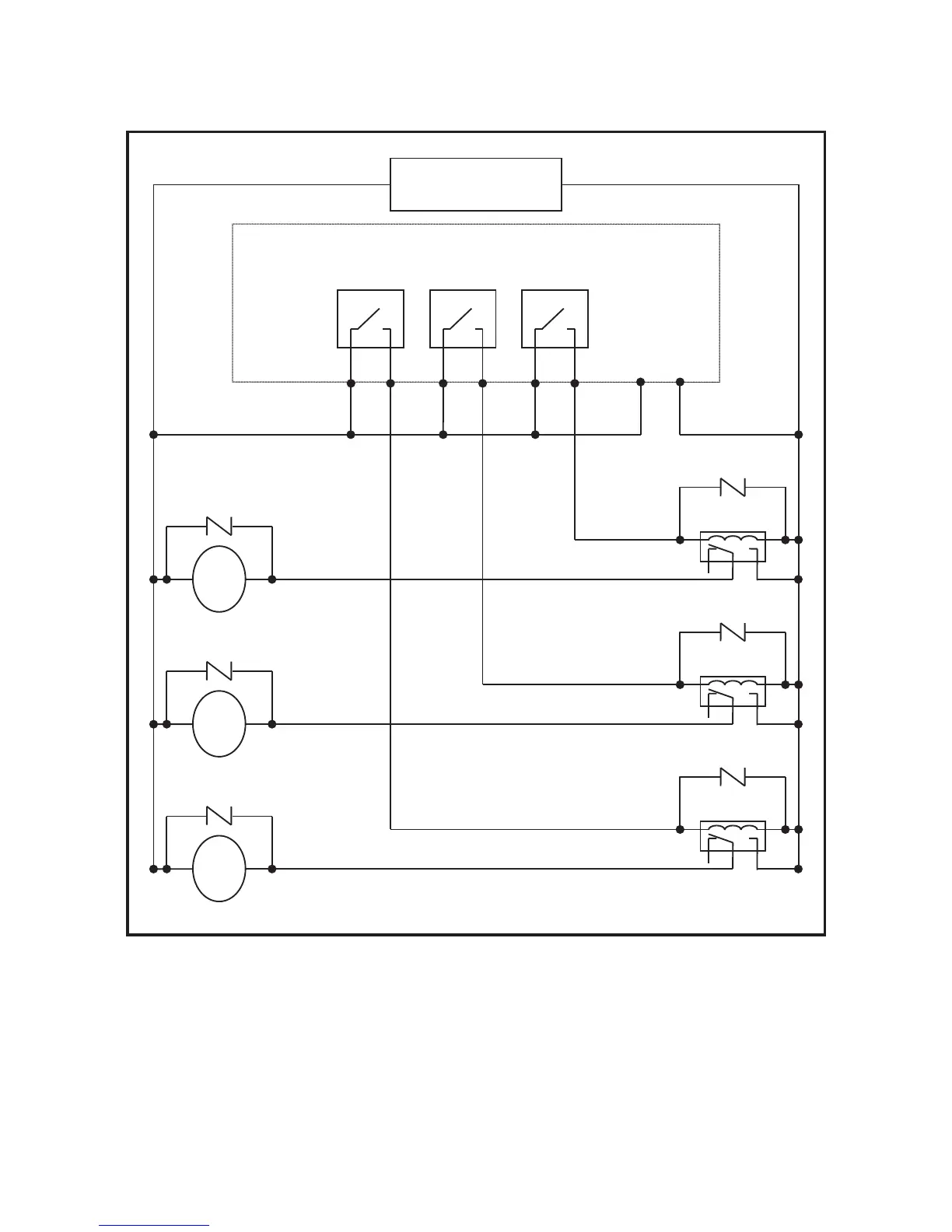
3.7 Illustration of electrical connection
Surge absorber
Surge absorber
Surge absorber
Surge absorber
Transmitter
Cleaning device
Dose feeder
Dose feeder
100 ~ 240VAC
Surge absorber
Surge absorber
External relay
External relay
External relay
Note: The transmitter built-in miniature relays is necessary to be repaired and replaced by professional technicians.
It is recommended to use an external relay (Power Relay) to activate the external equipments.
100V~240VAC
Relay 2Relay 1 WASH/Cln
100V~240VAC
Transmitter
ńŭŦŢůŪůŨġťŦŷŪŤŦġ
ŔŶųŨŦġŢţŴŰųţŦųġ
M
ŔŶųŨŦġŢţŴŰųţŦųġ
ņŹŵŦųůŢŭġųŦŭŢźġ
ŅŰŴŦġŧŦŦťŦųġ
ŔŶųŨŦġŢţŴŰųţŦųġ
M
ŅŰŴŦġŧŦŦťŦųġ
ŔŶųŨŦġŢţŴŰųţŦųġ
M
ŔŶųŨŦġŢţŴŰųţŦųġ
ņŹŵŦųůŢŭġųŦŭŢźġ
ŔŶųŨŦġŢţŴŰųţŦųġ
ņŹŵŦųůŢŭġųŦŭŢźġ
Note: The transmitter built-in miniature relays is necessary to be repaired and replaced by professional technicians.
It is recommended to use an external relay (Power Relay) to activate the external equipments.
ко

Table of Contents

Related product manuals