EasyManua.ls Logo

TDE MACNO OPDE - Page 55

TDE MACNO OPDE
90 pages
Print Icon
To Next Page IconTo Next Page
To Next Page IconTo Next Page
To Previous Page IconTo Previous Page
To Previous Page IconTo Previous Page
Loading...
53
MP00000B00 V_2.6
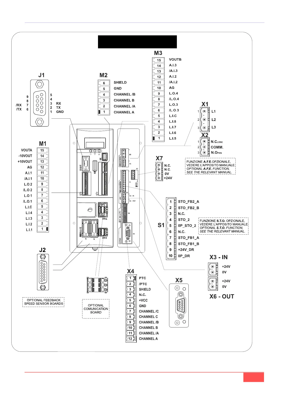
VISTA ANTERIORE / FRONT VIEW
FIG. 12B (Collegamenti logici / Logic connections)
Mod. 70A - 90A - 110A - 150A - 175A
220A - 250A - 310A - 370 - 460A

Table of Contents

Related product manuals