EasyManua.ls Logo

TDE MACNO OPDE - Page 62

TDE MACNO OPDE
90 pages
Print Icon
To Next Page IconTo Next Page
To Next Page IconTo Next Page
To Previous Page IconTo Previous Page
To Previous Page IconTo Previous Page
Loading...
60
MP00000B00 V_2.6
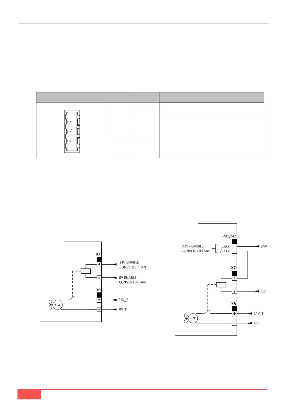
Il morsetto X8 serve solo per l’alimentazione dei venti-
latori (+24Vdc).
Il morsetto X7 serve ad abilitare le ventole, per cui è
necessario collegarci una tensione di +24V tra il mor-
setto 3 e 4.
Utilizzando un’uscita logica generica L.O.x. impostata
come “O39 - Enable converter fans” e seguendo il
collegamento di fig. 17 è possibile comandare l’accen-
sione delle ventole in base alla temperatura del radia-
tore.
X8 is only the power supply connector of the fans.
The connector X7 is used to enable the fans, so is
necessary to connected +24Vdc between terminal 3
and 4.
By using a generic logic output L.O.x. set as “O39 -
Enable converter fans” and following the connection of
fig. 17 it is possible to control the switching of the fans
according to the temperature of the radiator.
TAB. 18 (Collegamenti ingresso alimentazione ventole di raffreddamento (opzionale) /
Cooling fans power supply input connections (option))
FIG. 17
(Esempio collegamento morsetto alimentazione ventole (X8) e morsetto abilitazione ventole (X7) /
Example of fans power supply connection terminal (X8) and enable fans terminal (X7)
Nella figura seguente sono rappresentati due esempi
di collegamento morsetto alimentazione ventole (X8) e
morsetto abilitazione ventole (X7). A sinistra, collega-
mento con ventole sempre accese, a destra collega-
mento con ventole comandate tramite uscita logica
L.O.x. impostata come “O39 - Enable converter
fans” (accensione automatica in base alla temperatura
del radiatore).
The following figure shows two examples of fans po-
wer supply connection terminal (X8) and enable fans
terminal (X7). On the left, connection with fans always
on, on the right, connection with controlled fans via
logic output L.O.x set as “O39 - Enable converter
fans” (automatic depending on the radiator tempera-
ture)
X7 PIN FUNZIONE DESCRIZIONE
1 N.C.
Non utilizzato / Not used
2 N.C.
Non utilizzato / Not used
3
0V ENABLE
CONVERTER
FAN
4
+24V
ENABLE
CONVERTER
FAN
Ingresso abilitazione delle ventole interne di raf-
freddamento del radiatore
/ Enable input of the radiator internal cooling fans.
+24V ±10% - min. 20mA
1
2
3
4

Table of Contents

Related product manuals