EasyManua.ls Logo

Toro 34215 - Page 71

Toro 34215
76 pages
Print Icon
To Next Page IconTo Next Page
To Next Page IconTo Next Page
To Previous Page IconTo Previous Page
To Previous Page IconTo Previous Page
Loading...
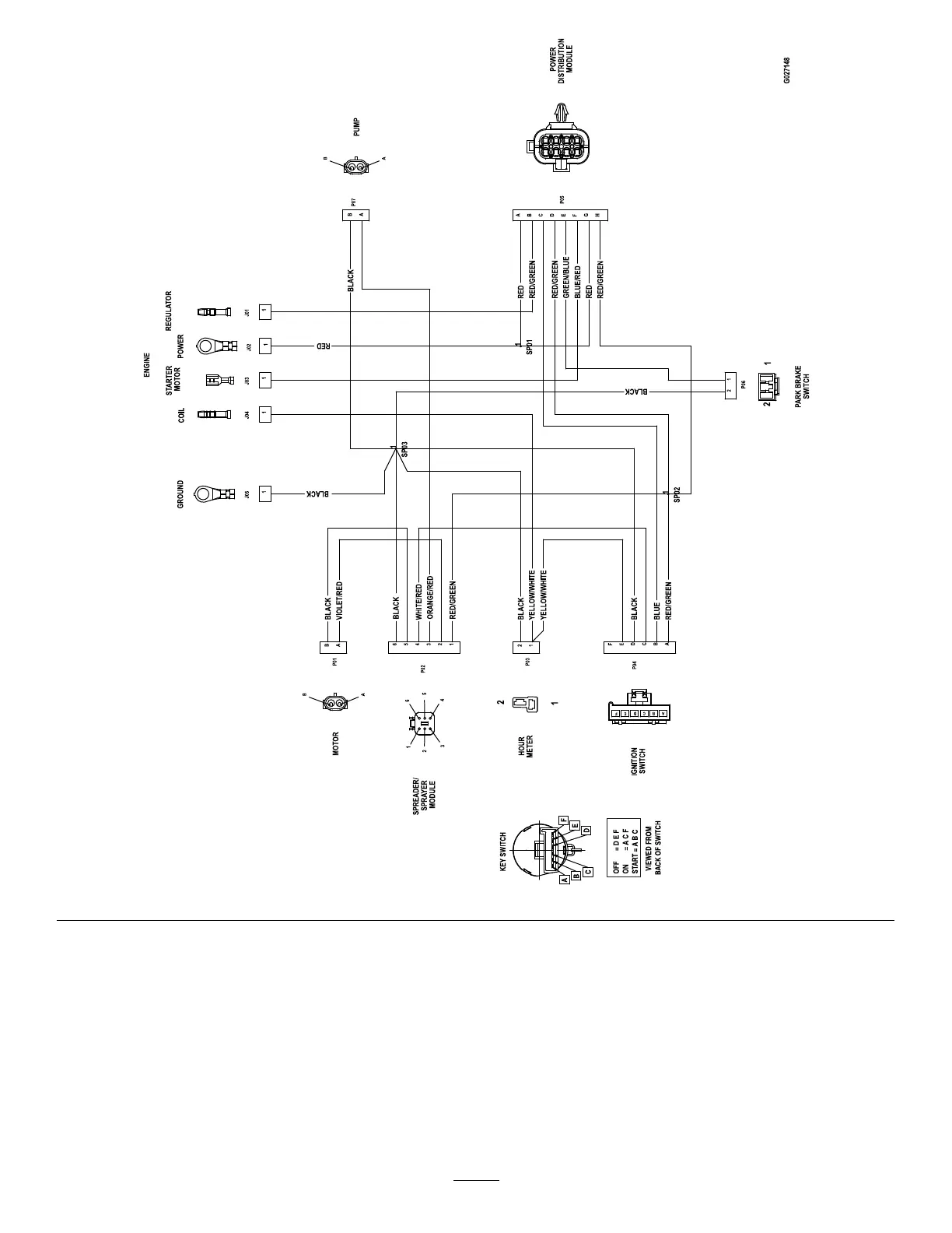
ElectricalDiagram(Rev.A)
71

Table of Contents

Related product manuals