EasyManua.ls Logo

Tuttnauer EA - Page 67

Tuttnauer EA
72 pages
Print Icon
To Next Page IconTo Next Page
To Next Page IconTo Next Page
To Previous Page IconTo Previous Page
To Previous Page IconTo Previous Page
Loading...
くく
PF
243,
SQUTER
1,
À
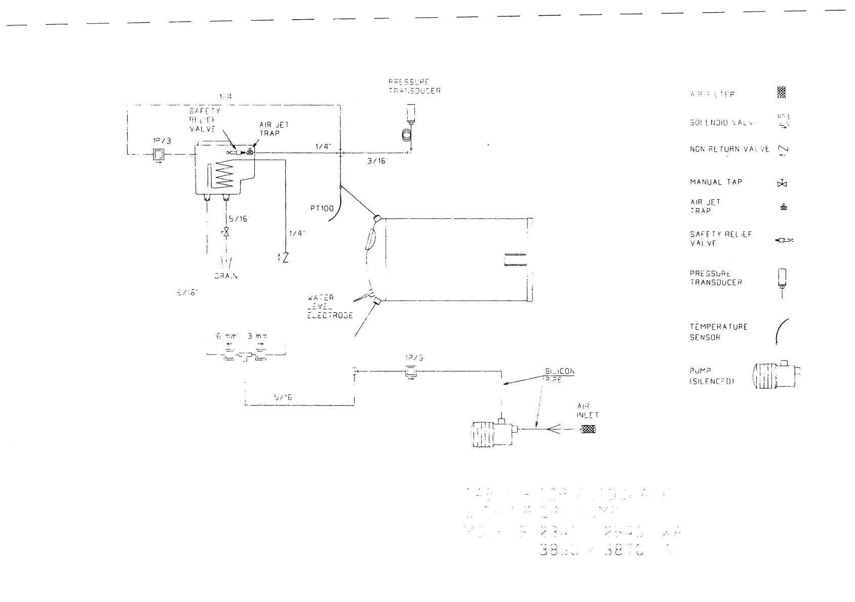
SAFETY
| i |
|
πει
ΓΕ
+
|
=
|
VALVE
AIR
JET
|
oo
TRAP
15/3
NA
|
NA
vw
md
>
>
|
=
3/16
1
|
=
|
PT100
[5/16
т
T
\
A
!
:
|
"X
1/8
и
|
;
|
'
Ao
!
j
6
y) 17
|
|
---
|
GRAN
=
po
i
poi
2/0”
1
|
|
=
NATER
SN
|
LEVEL
^
-ECIRODE
|,
e
mu
3
my
/
πο
LT
2/3
-
1
Si
С
iN
if
yl
|
(X5
SOLENDID
VA
ve
NON
RETURN
VALVE
N
MANUAL
TAP
AIR
JET
TRAP
ko
SAFETY
RELIEF
VALVE
2
PRESSURE
TRANSDUCER
TEMPERATURE
SENSOR
Tml
PUMP
(SILENC=
0)
Mili
-
1
+

Related product manuals