EasyManua.ls Logo

typical TW1-571 - Mounting the Table Top (with Typical-Ecodrive; P 40 ED)

typical TW1-571
58 pages
Print Icon
To Next Page IconTo Next Page
To Next Page IconTo Next Page
To Previous Page IconTo Previous Page
To Previous Page IconTo Previous Page
Loading...
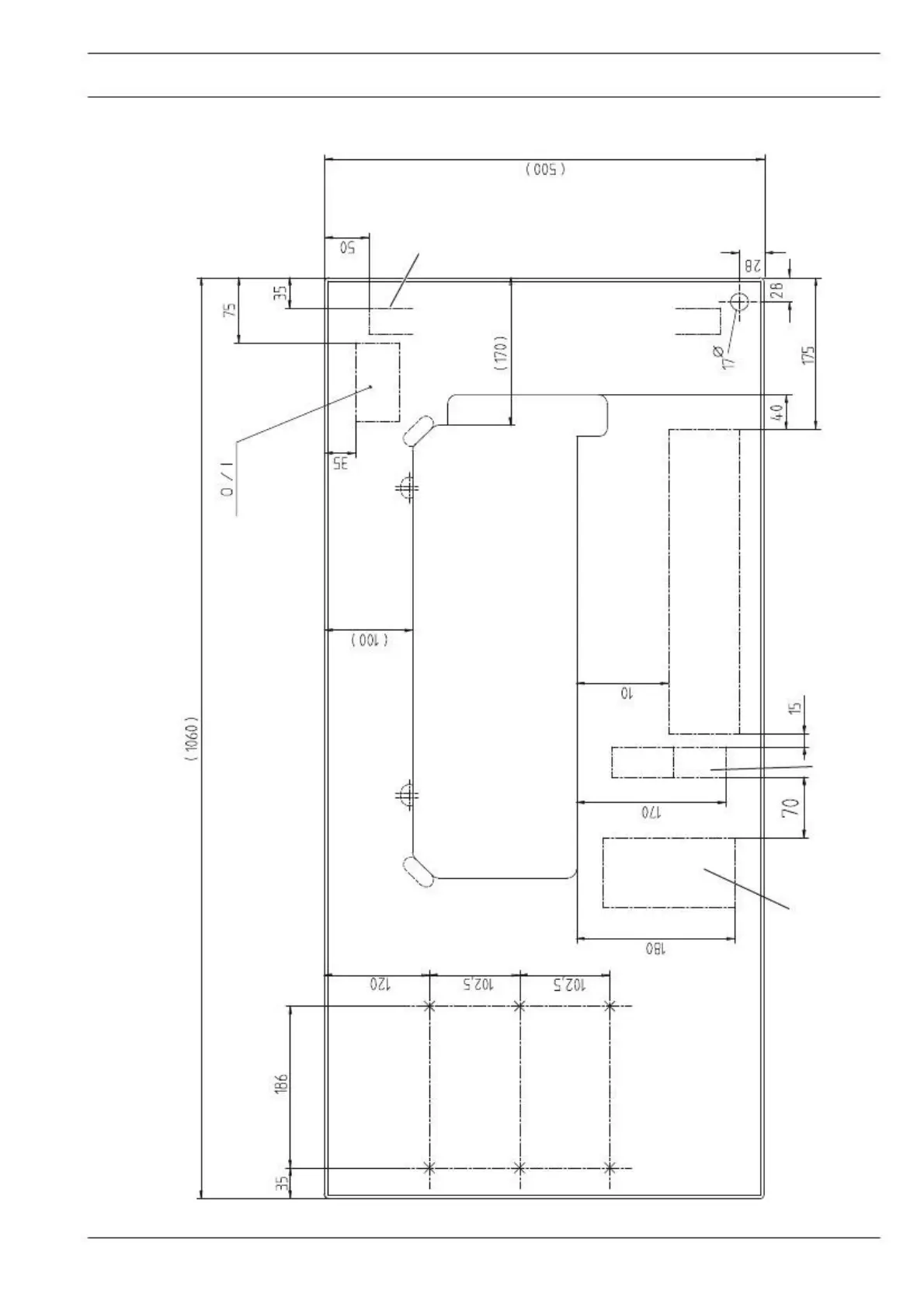
Mounting the table top
11.03
Mounting the table top (with Typical-EcoDrive and control unit P 40 ED)
Stand position
906-3550-005/895
Controlbox
P 40 ED
91-263 432-95
Vers. 02.12.03
View:Underside
table top
Controlunit for -
725/..; -726/..
Speedcontrol
unit
43

Table of Contents

Related product manuals