EasyManua.ls Logo

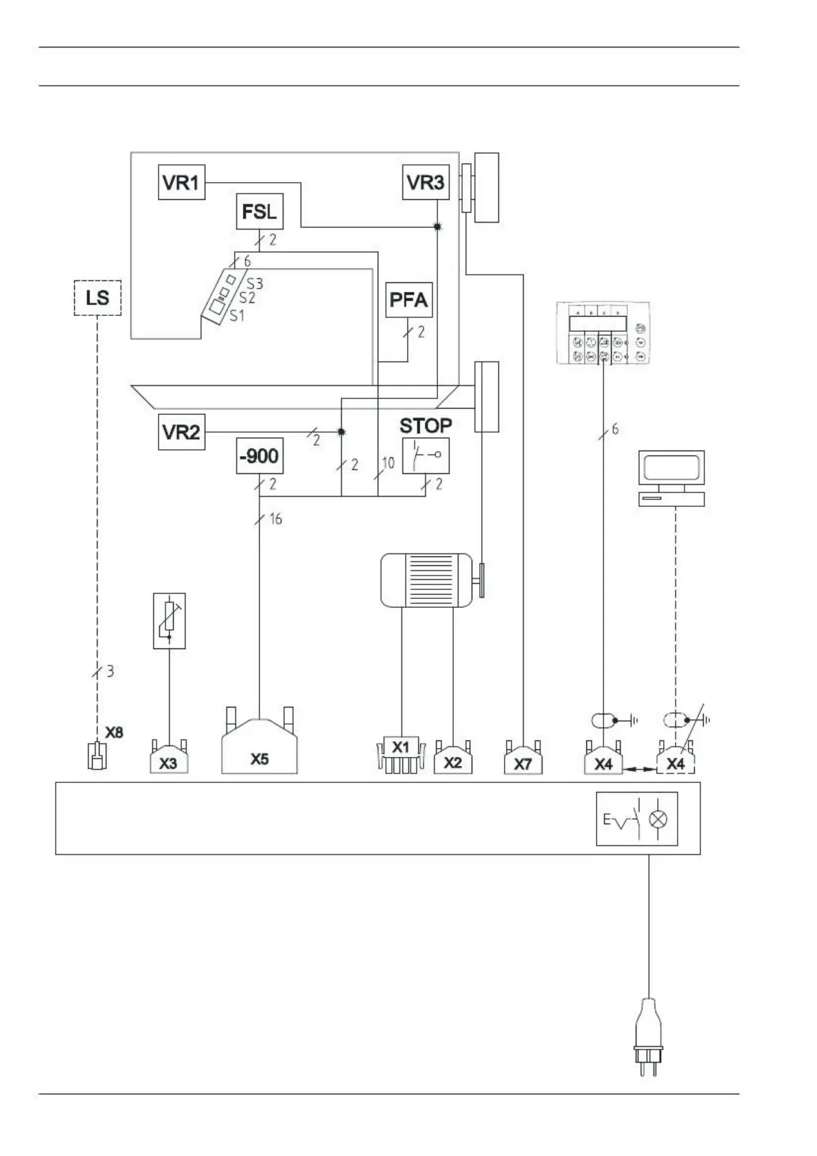
typical TW1-571 - Block Diagram TYPICAL 570; 590 with Control Unit P44 PD-L

typical TW1-571
58 pages
Print Icon
To Next Page IconTo Next Page
To Next Page IconTo Next Page
To Previous Page IconTo Previous Page
To Previous Page IconTo Previous Page
Loading...
Block diagram
11.05.04
Version 04.02.08
Block diagram TYPICAL 570 / 590 with control unit P44 PD-L
570/590
Synchronizer PD6
only on the 574
BDF - PICO TOP
PC
Drive / Ministop long
incremental transducer
Speedcontrolunit
for
software
download
Control unit P44 PD-L
Control package P44 PD-L
LS
= Light barrier
power switch
VR1 = Roller presser release
VR2 = Feed switch-over
VR3 = VR3 – magnet (needle) only on the 571 + 591
FSL
PFA
= Thread tension release
= Automatic presser foot lift
-900 = Thread trimmer
STOP = Start inhibitor
Main plug
50

Table of Contents

Related product manuals