EasyManua.ls Logo

Unipulse F331 - Connection of the External Output (Sink Type); Connection of the External Input

Unipulse F331
88 pages
Print Icon
To Next Page IconTo Next Page
To Next Page IconTo Next Page
To Previous Page IconTo Previous Page
To Previous Page IconTo Previous Page
Loading...
9
2 CONNECTION
9
CONNECTION
Chapter
2
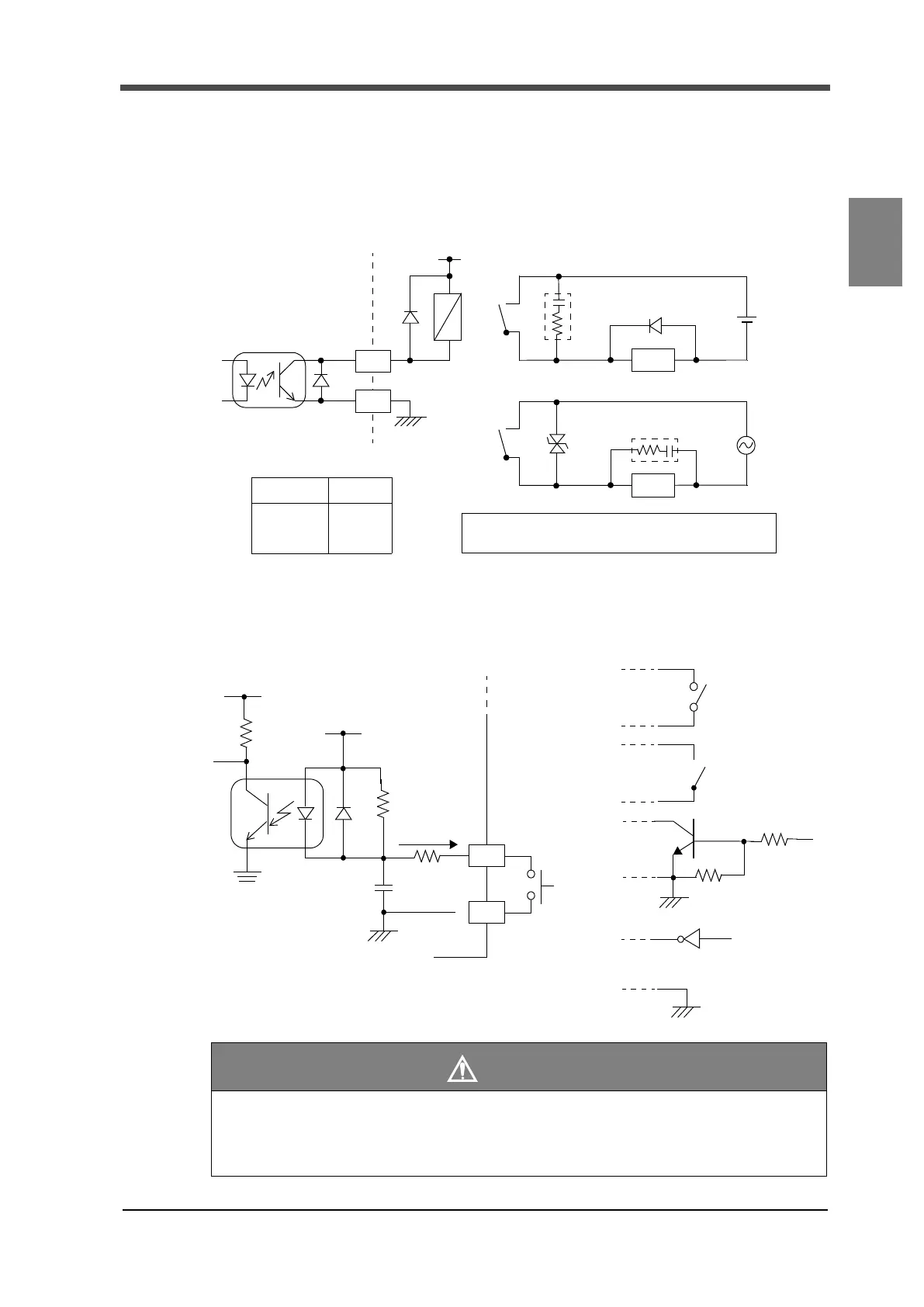
2-5. Connection of the external output (sink type)
The external output circuit is operated through an open collector. 6 is the common terminal.
The open collector output capacity is 120mA and the withstand voltage is up to 30V.
- Equivalent circuit
2-6. Connection of the external input
- Equivalent circuit (input)
CAUTION
- Avoid applying external voltages to the signal input circuit.
- Use external elements which withstands Ic=10mA or above.
- Leakage current from external element must be 30μA or below.
COM
Spark killer
Load
F331 Inside
Spark killer
DC
Varistor
Load
Relay
Vext
Supply an external power source for a relay drive
Output data Tr
OFF OFF
ON ON
Output transistor status
9, 10
6
Power
supply
AC
Power
supply
power source (Vext).
Vcc
Inside
Ic=Approx.6mA
COM
Push
switch
Toggle
switch
Relay
contact
Transistor
+12V
IN
IN
TTL open
collector output
Outside
F331
(ON when IN is ‘H’)
7, 8
6

Table of Contents

Related product manuals