EasyManua.ls Logo

Valtra T144 - Page 231

Valtra T144
414 pages
Print Icon
To Next Page IconTo Next Page
To Next Page IconTo Next Page
To Previous Page IconTo Previous Page
To Previous Page IconTo Previous Page
Loading...
See the technical specifications in this manual for the maximum
permissible weights and loads.
WARNING: Make sure that the maximum permissible towable mass is
not exceeded. Check the tractor identification plate for permissible
towable mass. Follow valid laws and regulations.
2
3
4
5
1
GUID-AF3BBEC7-A07A-40C7-9CC1-909F24284D62
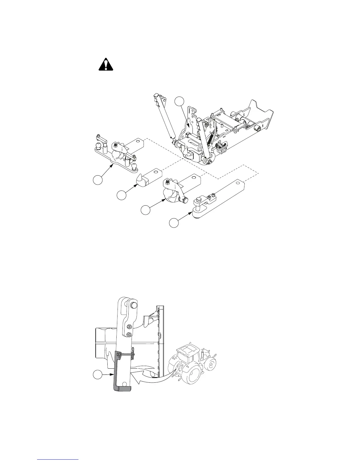
1. Hydraulic pick-up hitch
2. K80 ball hitch with steering balls (optional)
3. Trailer hitch
4. K80 ball hitch (optional)
5. Drawbar (optional)
When the trailer hitch or drawbar is not in use, it can be fastened to its bracket.
1
GUID-F071608E-6110-4A77-B793-5C8E6A2EDAE1
1. Bracket
3. Operation
- 229 -

Table of Contents

Related product manuals